Ciao a tutti! Scrivo per chiedere qualche info sulla possbilità di sostituire una pulsantiera meccanica (di quelle che inserito un pulsante sblocca tutti gli altri consentendo quindi un solo pulsante attivo alla volta). E' una vecchia pulsantiera di un vecchio kit di Nuova Elettronica (un capacimetro) ormai andata e da sostituire.
Vorrei sostituirla con dei pulsanti singoli recuperati da un videoregistratore che normalmente attivano le funzioni attraverso un microcontroller interno al registratore stesso. Nel mio caso, non esistendo alcun microcontrollore (non so neppure se esistevano già quando fu proposto il kit!), ho bisogno di ricostruire con porte logiche il funzionamento della pulsantiera, che meccanicamente consentiva, su sei possibili, l'attvazione di una sola posizione alla volta.
Avendoli usati pochissimo, dei circuiti logici so giusto che esistono e per il resto nebbia; mi interessa in particolare sapere quali tipi di flip-flop vengono utilizzati per sistemare problemi come questo. Preciso al riguardo che non mi interessa una soluzione specifica per sei ingressi ma qualcosa di più generico che, all'occorrenza, mi consenta di espandere o anche restringere di espandere il numero di scelte possibile.
Grazie di tutto fin da ora.
Ciao
Piercarlo
Pulsantiera da sostituire
Moderatori:
carloc,
g.schgor,
BrunoValente,
IsidoroKZ
21 messaggi
• Pagina 1 di 3 • 1, 2, 3
0
voti
Premesso che con le porte logiche si può fare e dovrebbe venire anche abbastanza semplice, se vuoi una possibilità di espansione, credo ti convenga il microcontrollore.
L'espansione va progettata a priori in fase di realizzaziopne del circuito, mentre con un controller basta che metti una rastrelliera di pin, che porti all'esterno i pin per la programmazione del controller stesso, ed esetndendo routines o parti del codice di quel controller, puoi estendere quanto vuoi la pulsantiera.
L'espansione va progettata a priori in fase di realizzaziopne del circuito, mentre con un controller basta che metti una rastrelliera di pin, che porti all'esterno i pin per la programmazione del controller stesso, ed esetndendo routines o parti del codice di quel controller, puoi estendere quanto vuoi la pulsantiera.
-

harpefalcata
326 1 3 6 - Stabilizzato

- Messaggi: 422
- Iscritto il: 28 lug 2015, 21:03
0
voti
Ti ringrazio del suggerimento ma in questo caso preferisco puntare a una sostituzione più semplice sia perché il capacimetro che voglio ripristinare non merita tanto riguardi (non è un granché e, nonostante sia un kit di Nuova Elettronica, è stato veramente progettato da una capra, almeno per come hanno dimensionato l'alimentatore), sia perché vorrei puntare ad apprendere i concetti per poi applicarli a varie possibili situazioni, che possono andare da 1 a "n" pulsanti, trattando ciascun pulsante come se fosse un blocchetto di Lego da aggiungere o togliere fisicamente a seconda della bisogna. Insomma, riparare il capacimetro è più una scusa che altro per apprendere un pezzettino di conoscenza che può tornarni utile in futuro.
I microcontrollori verranno più avanti.
In ogni caso grazie!
Piercarlo
I microcontrollori verranno più avanti.
In ogni caso grazie!
Piercarlo
0
voti
Quando premi un pulsante, ti puoi permettere che per una frazione di tempo non sia selezionato nulla? Anche se hai premuto il canale già preselezionato?
-

CarloCoriolano
1.446 3 4 7 - ---
- Messaggi: 1023
- Iscritto il: 24 mag 2016, 13:08
0
voti
Hai il numero del kit e/o della rivista, ed eventualmente un link per vedere il circuito originale?
Big fan of ⋮ƎlectroYou! Ausili per disabili e anziani su ⋮ƎlectroYou
Caratteri utili: À È É Ì Ò Ó Ù α β γ δ ε η θ λ μ π ρ σ τ φ ω Ω º ª ² ³ √ ∛ ∜ ₀ ₁ ₂ ₃ ₄ ₅ ₆ ∃ ∄ ∆ ∈ ∉ ± ∓ ∾ ≃ ≈ ≠ ≤ ≥
Caratteri utili: À È É Ì Ò Ó Ù α β γ δ ε η θ λ μ π ρ σ τ φ ω Ω º ª ² ³ √ ∛ ∜ ₀ ₁ ₂ ₃ ₄ ₅ ₆ ∃ ∄ ∆ ∈ ∉ ± ∓ ∾ ≃ ≈ ≠ ≤ ≥
0
voti
CarloCoriolano ha scritto:Quando premi un pulsante, ti puoi permettere che per una frazione di tempo non sia selezionato nulla? Anche se hai premuto il canale già preselezionato?
Sì, come una qualunque pulsantiera. Il capacimetro è un vecchio kir (LX250+251) proposto più di quarant'anni fa sul numero doppio 52-53 che ho preso a due soldi su ebay semifunzionantte. Non è assolutamente critico ed è pure molto coriaceo a giudicare dal fatto che ancora funzionicchia nonostante non sia stato tenuto nel migliore dei modi, anzi...
Ciao
@Guido . Sì, numero 52-53, pp268-281
4
voti
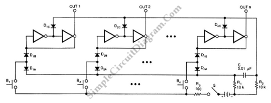
Probabilmente non conviene un micro, si potrebbe fare espandibile all'infinito o quasi con dei semplici NOT.
Era popolare fra radioamatori, schema vecchissimo ma forse ti può essere utile, era in un datasheet National mi pare non più reperibile, qualcuno lo conserva ancora.
Per come funzia qui
Era popolare fra radioamatori, schema vecchissimo ma forse ti può essere utile, era in un datasheet National mi pare non più reperibile, qualcuno lo conserva ancora.
Per come funzia qui
Da soli conosciamo alcune cose.
In molti ne conosceremo molte di più.
In molti ne conosceremo molte di più.
1
voti
Di nulla, ho fatto ben poco se non cercare di ricordare dove l'avevo visto.
Dispiace di non trovare più il DS l'originale National
che aveva molti suggerimenti simili e in particolare una configurazione di potenza con dei MOS sul Vcc.
Oh! se riesci dopo faccelo, faccilo, vedere cuì
è sempre bello 
Dispiace di non trovare più il DS l'originale National
Oh! se riesci dopo faccelo, faccilo, vedere cuì

Da soli conosciamo alcune cose.
In molti ne conosceremo molte di più.
In molti ne conosceremo molte di più.
0
voti
A mio parere non è così immediato. Non serve tanto un uC (per fare un priority encoder basta un integrato), quanto piuttosto serve organizzare un sistema per sostituire i contatti meccanici.
E ogni tasto effettua due commutazioni, di cui una esclusivamente digitale, mentre l'altra è analogica.
Quel tipo di pulsantiere è obsoleto. Anche perché, sopratutto nelle versioni low cost, erano una vera schifezza, con tendenza all'ossidazone immediata. E da tempo l'interblocco si fa elettronicamente.
Su Digikey si trovano elementi singoli del genere, ma bisogna vedere se hanno le stesse dimensioni meccaniche.
Avendo tempo e voglia, si potrà anche fare qualcosa di "elettronico", ma ne vale la pena?
Ti posso proporre due rapide e non raffinate soluzioni:
- se almeno un contatto per pulsante funziona, mettici dei piccoli relè
- se è scassata la meccanica, mettici un commutatore a rotazione.
E ogni tasto effettua due commutazioni, di cui una esclusivamente digitale, mentre l'altra è analogica.
Quel tipo di pulsantiere è obsoleto. Anche perché, sopratutto nelle versioni low cost, erano una vera schifezza, con tendenza all'ossidazone immediata. E da tempo l'interblocco si fa elettronicamente.
Su Digikey si trovano elementi singoli del genere, ma bisogna vedere se hanno le stesse dimensioni meccaniche.
Avendo tempo e voglia, si potrà anche fare qualcosa di "elettronico", ma ne vale la pena?
Ti posso proporre due rapide e non raffinate soluzioni:
- se almeno un contatto per pulsante funziona, mettici dei piccoli relè
- se è scassata la meccanica, mettici un commutatore a rotazione.
-

Brianz
5.828 5 10 - CRU - Account cancellato su Richiesta utente
- Messaggi: 858
- Iscritto il: 24 mar 2016, 11:27
21 messaggi
• Pagina 1 di 3 • 1, 2, 3
Chi c’è in linea
Visitano il forum: Nessuno e 97 ospiti

Elettrotecnica e non solo (admin)
Un gatto tra gli elettroni (IsidoroKZ)
Esperienza e simulazioni (g.schgor)
Moleskine di un idraulico (RenzoDF)
Il Blog di ElectroYou (webmaster)
Idee microcontrollate (TardoFreak)
PICcoli grandi PICMicro (Paolino)
Il blog elettrico di carloc (carloc)
DirtEYblooog (dirtydeeds)
Di tutto... un po' (jordan20)
AK47 (lillo)
Esperienze elettroniche (marco438)
Telecomunicazioni musicali (clavicordo)
Automazione ed Elettronica (gustavo)
Direttive per la sicurezza (ErnestoCappelletti)
EYnfo dall'Alaska (mir)
Apriamo il quadro! (attilio)
H7-25 (asdf)
Passione Elettrica (massimob)
Elettroni a spasso (guidob)
Bloguerra (guerra)



