Tensione e corrente in questo piccolo circuito?
Moderatori:
carloc,
g.schgor,
BrunoValente,
IsidoroKZ
2 messaggi
• Pagina 1 di 1
0
voti
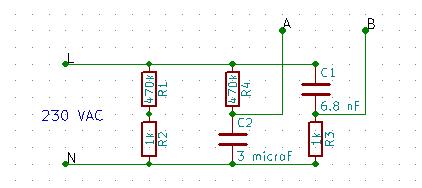
Nel circuito allegato, come calcolare la tensione e la corrente che scorre tra i punti A e N, e tra i punti B e N?
- Allegati
-
- Esperimento 51r.JPG (12.76 KiB) Osservato 1181 volte
0
voti
La corrente fra A e N è zero (visto che non indichi cosa colleghi)
. Volevi dire la impedenza equivalente?
Un aiutino:
Zc2 = 1/(6,28*F*C2); F = 50 Hz
|Van| = 230 * ( Zc2)/(SQRT( R4^2 +Zc2^2)); SQRT è la radice quadrata

Un aiutino:
Zc2 = 1/(6,28*F*C2); F = 50 Hz
|Van| = 230 * ( Zc2)/(SQRT( R4^2 +Zc2^2)); SQRT è la radice quadrata

2 messaggi
• Pagina 1 di 1
Chi c’è in linea
Visitano il forum: Nessuno e 242 ospiti

Elettrotecnica e non solo (admin)
Un gatto tra gli elettroni (IsidoroKZ)
Esperienza e simulazioni (g.schgor)
Moleskine di un idraulico (RenzoDF)
Il Blog di ElectroYou (webmaster)
Idee microcontrollate (TardoFreak)
PICcoli grandi PICMicro (Paolino)
Il blog elettrico di carloc (carloc)
DirtEYblooog (dirtydeeds)
Di tutto... un po' (jordan20)
AK47 (lillo)
Esperienze elettroniche (marco438)
Telecomunicazioni musicali (clavicordo)
Automazione ed Elettronica (gustavo)
Direttive per la sicurezza (ErnestoCappelletti)
EYnfo dall'Alaska (mir)
Apriamo il quadro! (attilio)
H7-25 (asdf)
Passione Elettrica (massimob)
Elettroni a spasso (guidob)
Bloguerra (guerra)

