Ciao a tutti
Volevo chiedere se gentilmente qualcuno mi può spiegare come è possibile effettuare un circuito in cui la marcia e l'arresto di un motore viene fatta usando un solo pulsante,premo una volta si avvia il motore o la lampadina, premo la seconda volta si arresta. Ho a disposizione un relè (non passo passo) e un temporizzatore.
Marcia e arresto con un solo pulsante
Moderatori:
sebago,
MASSIMO-G,
lillo,
Mike
13 messaggi
• Pagina 1 di 2 • 1, 2
0
voti
-1
voti
da valutare con attenzione
i relè a passi hanno il brutto vizio [cioè non è un brutto vizio... li hanno inventati apposta!] di avere la memoria di posizione... ovvero se viene a mancare la tensione, al ritorno dell'alimentazione lo "stato logico" torna ad essere l'ultimo prima dell'interruzione dell'alimentazione
questo normalmente non è accettabile per un marcia & arresto di un qualcosa che "si muove" in presenza di operatore umano
ovviamente è un discorso di massima, giusto per fare presente i rischi di un marcia & arresto senza caduta dell'autoritenuta
i relè a passi hanno il brutto vizio [cioè non è un brutto vizio... li hanno inventati apposta!] di avere la memoria di posizione... ovvero se viene a mancare la tensione, al ritorno dell'alimentazione lo "stato logico" torna ad essere l'ultimo prima dell'interruzione dell'alimentazione
questo normalmente non è accettabile per un marcia & arresto di un qualcosa che "si muove" in presenza di operatore umano
ovviamente è un discorso di massima, giusto per fare presente i rischi di un marcia & arresto senza caduta dell'autoritenuta
Ognuno sta solo sul cuor della terra
trafitto da un raggio di sole:
ed è subito sera
Salvatore Quasimodo
trafitto da un raggio di sole:
ed è subito sera
Salvatore Quasimodo
1
voti
effettuare un circuito in cui la marcia e l'arresto di un motore viene fatta usando un solo pulsante,premo una volta si avvia il motore o la lampadina, premo la seconda volta si arresta.
Esistono pulsante-interruttore.

-

StefanoSunda
2.880 3 6 10 - Master

- Messaggi: 1962
- Iscritto il: 16 set 2010, 19:29
0
voti
Eletromeccanicamente parlando è un circuito un poco macchinoso. Un relè ed un timer non sono sufficienti. Occorre poter gestire e memorizzare nettamente almeno due eveni diversi: pulsante premuto, (fronte), e pulsante rilasciato (fronte), per poter commutare un relè memoria dell'evento.
Ricordo che avevo già fatto un schema su questo forum, ma devo cercarlo, non mi ricordo dove.
Ricordo che avevo già fatto un schema su questo forum, ma devo cercarlo, non mi ricordo dove.
-

CarloCoriolano
1.446 3 4 7 - ---
- Messaggi: 1023
- Iscritto il: 24 mag 2016, 13:08
0
voti
ha ragione attilio: tecnicamente lo si fa' con un passo passo.
ma va contro i piu' elementari principi di sicurezza in quanto: non si puo' montare un pulsante di emergenza, in caso di mancanza di corrente la macchina riparte con tutti i pericoli conseguenti , E CIO' E' VIETATO.
a cosa ti serve un acrocchio del genere?
ma va contro i piu' elementari principi di sicurezza in quanto: non si puo' montare un pulsante di emergenza, in caso di mancanza di corrente la macchina riparte con tutti i pericoli conseguenti , E CIO' E' VIETATO.
a cosa ti serve un acrocchio del genere?
0
voti
skaia ha scritto:Ciao a tutti
Volevo chiedere se gentilmente qualcuno mi può spiegare come è possibile effettuare un circuito in cui la marcia e l'arresto di un motore viene fatta usando un solo pulsante,premo una volta si avvia il motore o la lampadina, premo la seconda volta si arresta. Ho a disposizione un relè (non passo passo) e un temporizzatore.
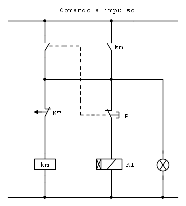
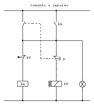
Questo schema non è adatto per far funzionare motori o altro, ma per poterti esercitare, magari inserendo una lampadina, usando del materiale di tua disposizione.
Descrizione: Azionando il pulsante P si energizza il relè km, il quale permane autoalimentato per il tempo impostato sul relè temporizzato KT. Ad ogni azionamento del pulsante, prima dello scadere del tempo, si azzera il conteggio.
-

StefanoSunda
2.880 3 6 10 - Master

- Messaggi: 1962
- Iscritto il: 16 set 2010, 19:29
0
voti
Così Xró quando il temporizzatore termina il suo conteggio mi si spegne da solo...
0
voti
Così peró quando il temporizzatore termina il suo conteggio mi si spegne da solo...
Si lo so, per adesso gioca in quel sistema.
-

StefanoSunda
2.880 3 6 10 - Master

- Messaggi: 1962
- Iscritto il: 16 set 2010, 19:29
0
voti
E riprenendo il pulsante non si spegne... Resetta solo il temporizzatore... 
13 messaggi
• Pagina 1 di 2 • 1, 2
Torna a Impianti, sicurezza e quadristica
Chi c’è in linea
Visitano il forum: Nessuno e 65 ospiti

Elettrotecnica e non solo (admin)
Un gatto tra gli elettroni (IsidoroKZ)
Esperienza e simulazioni (g.schgor)
Moleskine di un idraulico (RenzoDF)
Il Blog di ElectroYou (webmaster)
Idee microcontrollate (TardoFreak)
PICcoli grandi PICMicro (Paolino)
Il blog elettrico di carloc (carloc)
DirtEYblooog (dirtydeeds)
Di tutto... un po' (jordan20)
AK47 (lillo)
Esperienze elettroniche (marco438)
Telecomunicazioni musicali (clavicordo)
Automazione ed Elettronica (gustavo)
Direttive per la sicurezza (ErnestoCappelletti)
EYnfo dall'Alaska (mir)
Apriamo il quadro! (attilio)
H7-25 (asdf)
Passione Elettrica (massimob)
Elettroni a spasso (guidob)
Bloguerra (guerra)




