Modello di una linea 3phase
Moderatori:
g.schgor,
IsidoroKZ
3 messaggi
• Pagina 1 di 1
0
voti
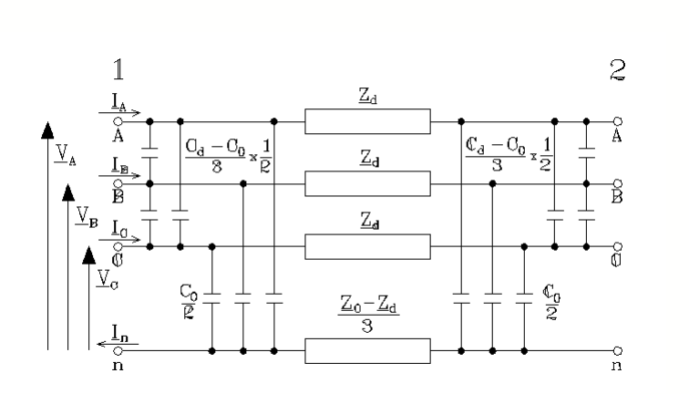
Salve , premesso che ho confidenza con la teoria delle reti di sequenza e quindi la relativa scomposizione di una terna dissimmetrica, non riesco a capire come in questo esempio abbiano applicato tale teoria. qualcuno potrebbe spiegarmi il perché di quel valore di impedenza sul neutro? ed anche i valori delle capacità?
Grazie in anticipo per la disponibilità
0
voti
Purtroppo non so rispondere, ma sono incuriosito:
Cosa sono le le reti di sequenza? Sequenza di cosa? Trasmissione energia elettrica?
Questa definizione è pertinente?:
"Viene definita rete sequenziale ogni rete logica le cui uscite ad un certo istante non dipendono solo dai valori assunti dagli ingressi in quell'istante, ma anche da quelli precedenti all'istante considerato. Una rete è sequenziale solo se possiede elementi di memoria (ad esempio flip-flop) elementi cioè in grado di ricordare precedenti stati logici degli ingressi."
Nello schema i simboli Zd e Zo a cosa si rideriscono ? Z differenziale ? Zo caratteristica della linea?
La lunghezza della linea NON è trascurabile rispetto alla lunghezza d'onda ( 6000 km a 50 Hz)?

Cosa sono le le reti di sequenza? Sequenza di cosa? Trasmissione energia elettrica?
Questa definizione è pertinente?:
"Viene definita rete sequenziale ogni rete logica le cui uscite ad un certo istante non dipendono solo dai valori assunti dagli ingressi in quell'istante, ma anche da quelli precedenti all'istante considerato. Una rete è sequenziale solo se possiede elementi di memoria (ad esempio flip-flop) elementi cioè in grado di ricordare precedenti stati logici degli ingressi."
Nello schema i simboli Zd e Zo a cosa si rideriscono ? Z differenziale ? Zo caratteristica della linea?
La lunghezza della linea NON è trascurabile rispetto alla lunghezza d'onda ( 6000 km a 50 Hz)?

0
voti
Questo esempio viene trattato durante lo studio di vari tipi di guasti nelle linee 3fase, come viene comunemente fatto si preferisce scomporre una linea 3 fase nelle terne
-diretta
-omopolare
-inversa
Ciò permette poi andare a determinare le varie grandezze che interessano i guasti utilizzando valori riferiti alla scomposizione sopracitata.
-diretta
-omopolare
-inversa
Ciò permette poi andare a determinare le varie grandezze che interessano i guasti utilizzando valori riferiti alla scomposizione sopracitata.
3 messaggi
• Pagina 1 di 1
Torna a Elettrotecnica generale
Chi c’è in linea
Visitano il forum: Nessuno e 117 ospiti

Elettrotecnica e non solo (admin)
Un gatto tra gli elettroni (IsidoroKZ)
Esperienza e simulazioni (g.schgor)
Moleskine di un idraulico (RenzoDF)
Il Blog di ElectroYou (webmaster)
Idee microcontrollate (TardoFreak)
PICcoli grandi PICMicro (Paolino)
Il blog elettrico di carloc (carloc)
DirtEYblooog (dirtydeeds)
Di tutto... un po' (jordan20)
AK47 (lillo)
Esperienze elettroniche (marco438)
Telecomunicazioni musicali (clavicordo)
Automazione ed Elettronica (gustavo)
Direttive per la sicurezza (ErnestoCappelletti)
EYnfo dall'Alaska (mir)
Apriamo il quadro! (attilio)
H7-25 (asdf)
Passione Elettrica (massimob)
Elettroni a spasso (guidob)
Bloguerra (guerra)

