Ciao a tutti, sto cercando di riparare il motore di un vecchio giradischi, in pratica un brushless con sensore di Hall.
A causa di un errato collegamento ai 24 volt DC, il proprietario aveva bruciato tutto, compreso l'aver interrotto una delle bobine del motore.
Dopo aver sostituito tutti i componenti bruciati ed aver riconnesso in qualche modo la bobina, il motore gira regolarmente.
Veniamo al problema:
Il motore ha uno switch che permette la regolazione dei giri: 45 e 33 giri, oltre alla posizione neutra dove il motore dovrebbe fermarsi. Il motore modifica correttamente l'andamento su 45 e 33, ma quando lo metto in posizione neutra (ovvero switch scollegato) il motore NON si ferma del tutto... Gira, molto piano, ma gira.
Non riesco a capire dove intervenire..
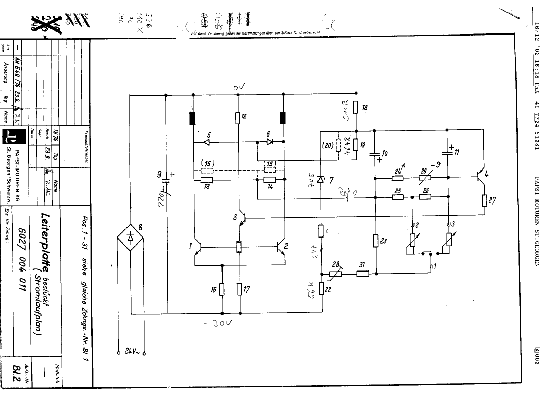
Vi allego lo schema elettrico dove si vede lo switch in posizione 1. I potenziometri 2 e 3 in realtà nella pratica non ci sono, ma si vede chiaramente che andranno ad intervenire solo in caso di commutatore nella rispettiva posizione. Anche il numero 28, sempre un pot, varia in effetti tutte le velocità, ma anche al minimo NON riesce a fermare il motore...
Consigli su cosa verificare?
Grazie mille, Emanuele
Brushless e regolazione velocità
Moderatori:
carloc,
g.schgor,
BrunoValente,
IsidoroKZ
1 messaggio
• Pagina 1 di 1
1 messaggio
• Pagina 1 di 1
Chi c’è in linea
Visitano il forum: Nessuno e 42 ospiti

Elettrotecnica e non solo (admin)
Un gatto tra gli elettroni (IsidoroKZ)
Esperienza e simulazioni (g.schgor)
Moleskine di un idraulico (RenzoDF)
Il Blog di ElectroYou (webmaster)
Idee microcontrollate (TardoFreak)
PICcoli grandi PICMicro (Paolino)
Il blog elettrico di carloc (carloc)
DirtEYblooog (dirtydeeds)
Di tutto... un po' (jordan20)
AK47 (lillo)
Esperienze elettroniche (marco438)
Telecomunicazioni musicali (clavicordo)
Automazione ed Elettronica (gustavo)
Direttive per la sicurezza (ErnestoCappelletti)
EYnfo dall'Alaska (mir)
Apriamo il quadro! (attilio)
H7-25 (asdf)
Passione Elettrica (massimob)
Elettroni a spasso (guidob)
Bloguerra (guerra)