Salve,
ringrazio in anticipo se qualcuno potrà darmi il suo parere in merito a questo dilemma.
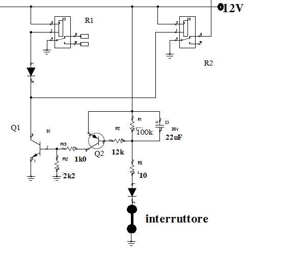
Allego lo schema di un circuito, aprendo l'unico l'interruttore presente, il condensatore posticipa l'apertura del rele' 1 di circa 1,6 sec (rilevato sperimentalmente). Non riesco a dimostrarlo nei conti. A partire dalla formula della scarica del condensatore non riesco a capire quale Requivalente considerare. V(t)=V0*e^-(t/RC)
(C=22uF, V0=12V). Inoltre per V(t) considero gli 0,7V?
Grazie mille!
esercizio condensatori
Moderatori:
carloc,
g.schgor,
BrunoValente,
IsidoroKZ
4 messaggi
• Pagina 1 di 1
0
voti
La costante di tempo interessata è data da R2 12kohm e C1 22uF
Per la soglia: è approssimato.... quando la corrente nella base si riduce a qualche 10uA..considerando la Vfinale di 0,7V
ho trascurato i 100k in parallelo ai 12K.

Per la soglia: è approssimato.... quando la corrente nella base si riduce a qualche 10uA..considerando la Vfinale di 0,7V
ho trascurato i 100k in parallelo ai 12K.

0
voti
Grazie Marco! ti allego i miei conti. Però non tornano con la pratica e non capisco perché...
- Allegati
-
- immagine2.png (24.96 KiB) Osservato 1453 volte
0
voti
Prova a calcolare Ib = (V(t) - 0,7)/10,7 k corrente nella base di Q2
Il transistor si potrebbe interdire per Ib < (12V/1k)/beta = 12mA/100 = 120 uA
supponendo beta = 100, per basse correnti è anche maggiore, forse arriva a 300
il tempo di ritardo dovrebbe aumentare.
Tante possibili cause.
poi forse i 0,7 V per basse correnti si riducono a 0,5.
La tolleranza dei condensatori è +/- 20 %
Un briciolo di corrente di perdita Ice di Q2 aiuta Q1 a rimanere eccitato.
Prova ad usare un programma di simulazione circuiti es. pspice.

Il transistor si potrebbe interdire per Ib < (12V/1k)/beta = 12mA/100 = 120 uA
supponendo beta = 100, per basse correnti è anche maggiore, forse arriva a 300
il tempo di ritardo dovrebbe aumentare.
Tante possibili cause.
poi forse i 0,7 V per basse correnti si riducono a 0,5.
La tolleranza dei condensatori è +/- 20 %
Un briciolo di corrente di perdita Ice di Q2 aiuta Q1 a rimanere eccitato.
Prova ad usare un programma di simulazione circuiti es. pspice.

4 messaggi
• Pagina 1 di 1
Chi c’è in linea
Visitano il forum: Nessuno e 41 ospiti

Elettrotecnica e non solo (admin)
Un gatto tra gli elettroni (IsidoroKZ)
Esperienza e simulazioni (g.schgor)
Moleskine di un idraulico (RenzoDF)
Il Blog di ElectroYou (webmaster)
Idee microcontrollate (TardoFreak)
PICcoli grandi PICMicro (Paolino)
Il blog elettrico di carloc (carloc)
DirtEYblooog (dirtydeeds)
Di tutto... un po' (jordan20)
AK47 (lillo)
Esperienze elettroniche (marco438)
Telecomunicazioni musicali (clavicordo)
Automazione ed Elettronica (gustavo)
Direttive per la sicurezza (ErnestoCappelletti)
EYnfo dall'Alaska (mir)
Apriamo il quadro! (attilio)
H7-25 (asdf)
Passione Elettrica (massimob)
Elettroni a spasso (guidob)
Bloguerra (guerra)

