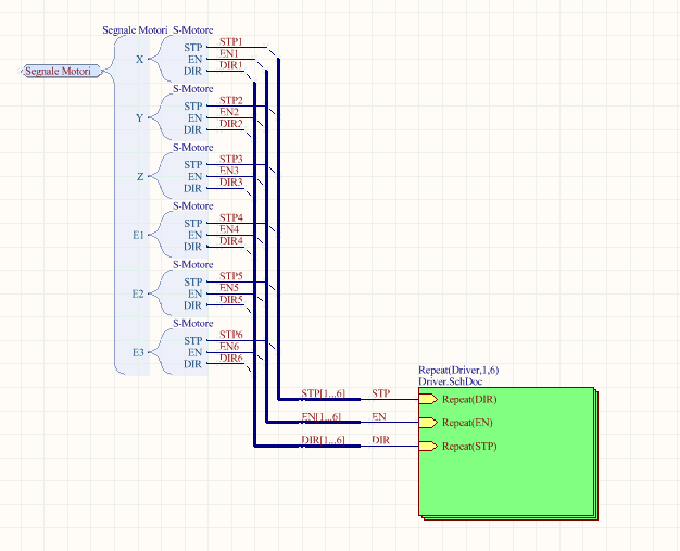
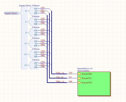
ora per portarlo a ogni singolo driver senza dover disegnare 6 driver differenti ho fatto cosi:
Come vedete questo secondo passaggio è davvero brutto
Ho già provato a mettere in ingresso ai driver come porta invece dei pin DRI,EN e STP l'harness S-Motore che darebbe la cosa più giusta ma non riesco\non so poi come dirgli di connettere a S-Motore dei vari assi
Accetto qualsiasi consiglio

Elettrotecnica e non solo (admin)
Un gatto tra gli elettroni (IsidoroKZ)
Esperienza e simulazioni (g.schgor)
Moleskine di un idraulico (RenzoDF)
Il Blog di ElectroYou (webmaster)
Idee microcontrollate (TardoFreak)
PICcoli grandi PICMicro (Paolino)
Il blog elettrico di carloc (carloc)
DirtEYblooog (dirtydeeds)
Di tutto... un po' (jordan20)
AK47 (lillo)
Esperienze elettroniche (marco438)
Telecomunicazioni musicali (clavicordo)
Automazione ed Elettronica (gustavo)
Direttive per la sicurezza (ErnestoCappelletti)
EYnfo dall'Alaska (mir)
Apriamo il quadro! (attilio)
H7-25 (asdf)
Passione Elettrica (massimob)
Elettroni a spasso (guidob)
Bloguerra (guerra)
