Sostituire batterie con alimentatore
Moderatori:
carloc,
g.schgor,
BrunoValente,
IsidoroKZ
28 messaggi
• Pagina 1 di 3 • 1, 2, 3
0
voti
Salve, possiedo un piccolo distributore automatico per il mangime per i gatti con timer e motorino alimentato a 3 batterie di tipo C (mezza torcia), quest'anno l'ho attivato per andare in vacanza ma al ritorno ho trovato il gatto affamato perché le batterie hanno durato prima del rientro. Ho provato a sostituire le batterie con un alimentatore collegandolo ai poli + e - del vano batterie e funziona bene, ma c'è il problema che se mentre sono fuori casa e se va via la corrente (anche per un attimo) l'orologio si azzerra e il distributore non potrà più dare da mangiare al gatto. Volevo chiedere se è fattibile inserire al vano delle batterie con 3 batterie di quelle ricaricabili e alimentate con alimentatore ai suoi capi, così che quando va via la corrente non si azzerra il timer perché alimentato dalle battrerie stesse? Possono durare se lasciate sempre sotto carica 24 ore su 24 le batterie con l'alimentatore?
2
voti
Eviterei (sopratutto in assenza) il rischio di una batteria ricaricabile con circuito fai-da-te. Non si sa mai cosa potrebbe andare storto.
Io piuttosto farei così:
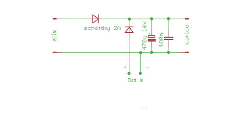
Si tratta semplicemente di aggiungere due diodi. In questo modo le batterie intervengono se manca la tensione del caricatore, ma non vengono ricaricate (a meno del leakage del diodo, che però se usi normali batterie non disturba). Lo svantaggio è che devi occuparti di cambiare le batterie ogni tanto.
I diodi è meglio che siano a bassa caduta di tensione, quindi andrei con un 1N5823, 1N5824 o 1N5825, a dipendenza di cosa trovi. Se hai difficoltà a reperirli batti un colpo, che cerchiamo d'altro (se sai saldare gli SMD il tutto diventa molto piú semplice).
Come compenso per il mio lavoro, adesso devi mettere online una foto del micio
Boiler
Io piuttosto farei così:
Si tratta semplicemente di aggiungere due diodi. In questo modo le batterie intervengono se manca la tensione del caricatore, ma non vengono ricaricate (a meno del leakage del diodo, che però se usi normali batterie non disturba). Lo svantaggio è che devi occuparti di cambiare le batterie ogni tanto.
I diodi è meglio che siano a bassa caduta di tensione, quindi andrei con un 1N5823, 1N5824 o 1N5825, a dipendenza di cosa trovi. Se hai difficoltà a reperirli batti un colpo, che cerchiamo d'altro (se sai saldare gli SMD il tutto diventa molto piú semplice).
Come compenso per il mio lavoro, adesso devi mettere online una foto del micio
Boiler
0
voti
sono stato lento, Boiler ti ha fatto un disegno semplice ma efficace ma inserisco anche quello che ti ho aggiustato con photoshop.
-

elektronik
7.800 4 6 7 - Master

- Messaggi: 3836
- Iscritto il: 12 mag 2015, 22:26
2
voti
Avete dimenticato di dire a
max1971 che il valore della tensione erogata dall'alimentatore è necessario che sia uguale o leggermente superiore a quello delle batterie quando sono completamente cariche, altrimenti si scaricherebbero lo stesso
-

BrunoValente
39,6k 7 11 13 - G.Master EY

- Messaggi: 7796
- Iscritto il: 8 mag 2007, 14:48
1
voti
BTW, il condensatore elettrolitico potrebbe starci, ma quello da 100 nF non serve.
Boiler
0
voti
Max però ha dimenticato di descrivere l'alimentatore...
Immagino sia a 5V... ebbene, per garantire il funzionamento senza corrente e la ricarica automatica il modo più semplice sarebbe sistemare nel vano batterie 4 STILO (AA) NiMh in serie
A patto che l'alimentatore sia stabilizzato a 5V le ricaricherà a 1,25V cadauna, che è una tensione di carica quasi completa ma di sicurezza: i caricabatterie da presa le portano tipicamente a 1,4-1,5V ma con un discreto surriscaldamento.
Le mezze torce sono ormai fuori moda
Immagino sia a 5V... ebbene, per garantire il funzionamento senza corrente e la ricarica automatica il modo più semplice sarebbe sistemare nel vano batterie 4 STILO (AA) NiMh in serie
A patto che l'alimentatore sia stabilizzato a 5V le ricaricherà a 1,25V cadauna, che è una tensione di carica quasi completa ma di sicurezza: i caricabatterie da presa le portano tipicamente a 1,4-1,5V ma con un discreto surriscaldamento.
Le mezze torce sono ormai fuori moda
0
voti
BrunoValente ha scritto:Avete dimenticato di dire amax1971 che il valore della tensione erogata dall'alimentatore è necessario che sia uguale o leggermente superiore a quello delle batterie quando sono completamente cariche, altrimenti si scaricherebbero lo stesso
Grazie Bruno a volte si prendono le cose per scontate quando scontate non sono
boiler ha scritto:BrunoValente, giusto, grazie per la precisazione.
BTW, il condensatore elettrolitico potrebbe starci, ma quello da 100 nF non serve.
Boiler
Io faccio come Totò che alla fine delle lettere metteva qualche punto e qualche virgola in più e poi diceva abbondiamo.... ho abbondato
-

elektronik
7.800 4 6 7 - Master

- Messaggi: 3836
- Iscritto il: 12 mag 2015, 22:26
0
voti
boiler ha scritto:SIamo sicuri che 4 AA NiMH non si "siedano" al momento dell'accensione del motorino/elettromagnete?
Si perché se Max non ha sbagliato a scrivere ha detto che funziona col solo alimentatore...a meno che non sia un alimentatore da 2A...
Le attuali stilo ricaricabili arrivano a 2000 mAh e anche più
0
voti
richiurci ha scritto:Si perché se Max non ha sbagliato a scrivere ha detto che funziona col solo alimentatore...a meno che non sia un alimentatore da 2A...
Fare ipotesi è pericoloso!
Le attuali stilo ricaricabili arrivano a 2000 mAh e anche più
Io parlavo della resistenza interna, che non so se sia maggiore in un'alcalina, in una zinco-carbone o in una NiMH. Così a naso direi che le dimensioni di una C rispetto ad una AA aiutano ad avere una bassa resistenza interna... però magari mi sbaglio.
Boiler
28 messaggi
• Pagina 1 di 3 • 1, 2, 3
Chi c’è in linea
Visitano il forum: Nessuno e 128 ospiti

Elettrotecnica e non solo (admin)
Un gatto tra gli elettroni (IsidoroKZ)
Esperienza e simulazioni (g.schgor)
Moleskine di un idraulico (RenzoDF)
Il Blog di ElectroYou (webmaster)
Idee microcontrollate (TardoFreak)
PICcoli grandi PICMicro (Paolino)
Il blog elettrico di carloc (carloc)
DirtEYblooog (dirtydeeds)
Di tutto... un po' (jordan20)
AK47 (lillo)
Esperienze elettroniche (marco438)
Telecomunicazioni musicali (clavicordo)
Automazione ed Elettronica (gustavo)
Direttive per la sicurezza (ErnestoCappelletti)
EYnfo dall'Alaska (mir)
Apriamo il quadro! (attilio)
H7-25 (asdf)
Passione Elettrica (massimob)
Elettroni a spasso (guidob)
Bloguerra (guerra)




