Buongiorno,
mi occupo di progettazione di inverter e dc/dc ma sono nuovo nel campo dei motori trifase.
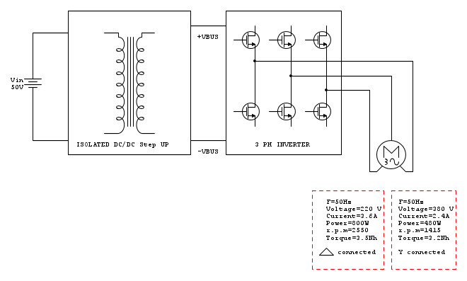
Dovrei realizzare un progetto schematizzato in figura.
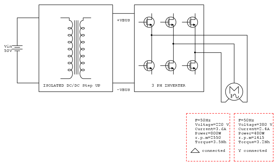
le caratteristiche dei motori che ho potuto recuperare sono in figura.
Premetto che il pilotaggio sarà in anello aperto.
come vengono dimensionati i componenti discreti (MOS o igbt) in termini di corrente, tensione e potenza dissipata?
Per alimentare il ponte trifase di quale valore di tensione cc ho necessità?
Che potenza deve erogare il DC/DC?
Come posso simulare il motore senza avere i parametri descritti nel modello fornito da spice, ma solo quelli di targa?
Grazie ogni consiglio/lezione a riguardo è ben accetto.
pilotaggio motore e simulazione
Moderatori:
carloc,
g.schgor,
BrunoValente,
IsidoroKZ
6 messaggi
• Pagina 1 di 1
1
voti
Ciao.
Che dati sballati! Se parti con dati sballati non puoi arrivare a buone soluzioni.
Ricontrollali.
Ciao
Mario
Che dati sballati! Se parti con dati sballati non puoi arrivare a buone soluzioni.
Ricontrollali.
Ciao
Mario
Mario Maggi
https://www.evlist.it per la mobilità elettrica e filiera relativa
https://www.axu.it , inverter speciali, convertitori DC/DC, soluzioni originali per la qualità dell'energia
Innovazioni: https://www.axu.it/mm4
https://www.evlist.it per la mobilità elettrica e filiera relativa
https://www.axu.it , inverter speciali, convertitori DC/DC, soluzioni originali per la qualità dell'energia
Innovazioni: https://www.axu.it/mm4
-

mario_maggi
20,0k 3 11 12 - G.Master EY

- Messaggi: 4179
- Iscritto il: 21 dic 2006, 9:59
- Località: Milano
0
voti
non capisco cosa ci sia di sbagliato...
...comunque al di là di questo vi chiedo una linea guida per la progettazione di un DC/DC+DC/AC per pilotare un motore trifase.
Mi piacerebbe un tutorial o un esempio che partendo dai dati di targa del motore possa portarmi a capire le potenze, le tensioni e le correnti in gioco.
Grazie.
...comunque al di là di questo vi chiedo una linea guida per la progettazione di un DC/DC+DC/AC per pilotare un motore trifase.
Mi piacerebbe un tutorial o un esempio che partendo dai dati di targa del motore possa portarmi a capire le potenze, le tensioni e le correnti in gioco.
Grazie.
0
voti
I dati segnati in basso relativi ai due motori non sono coerenti. Se non metti valori credibili in uscita non potrai mai fare calcoli per quello che sta a monte.
Di tutorial ricordo di averne visti sul web, prevalentemente in inglese o cinese, se dedichi un po' di tempo li puoi trovare.
Ciao
Mario
Di tutorial ricordo di averne visti sul web, prevalentemente in inglese o cinese, se dedichi un po' di tempo li puoi trovare.
Ciao
Mario
Mario Maggi
https://www.evlist.it per la mobilità elettrica e filiera relativa
https://www.axu.it , inverter speciali, convertitori DC/DC, soluzioni originali per la qualità dell'energia
Innovazioni: https://www.axu.it/mm4
https://www.evlist.it per la mobilità elettrica e filiera relativa
https://www.axu.it , inverter speciali, convertitori DC/DC, soluzioni originali per la qualità dell'energia
Innovazioni: https://www.axu.it/mm4
-

mario_maggi
20,0k 3 11 12 - G.Master EY

- Messaggi: 4179
- Iscritto il: 21 dic 2006, 9:59
- Località: Milano
0
voti
Premesso che è la prima volta che vedo l'unità di misura Nh, ipotizzo che sia Nm scritto male.
3,5 * 2550 / 9,55 = 934 W e non 800 W.
Ciao
Mario
3,5 * 2550 / 9,55 = 934 W e non 800 W.
Ciao
Mario
Mario Maggi
https://www.evlist.it per la mobilità elettrica e filiera relativa
https://www.axu.it , inverter speciali, convertitori DC/DC, soluzioni originali per la qualità dell'energia
Innovazioni: https://www.axu.it/mm4
https://www.evlist.it per la mobilità elettrica e filiera relativa
https://www.axu.it , inverter speciali, convertitori DC/DC, soluzioni originali per la qualità dell'energia
Innovazioni: https://www.axu.it/mm4
-

mario_maggi
20,0k 3 11 12 - G.Master EY

- Messaggi: 4179
- Iscritto il: 21 dic 2006, 9:59
- Località: Milano
6 messaggi
• Pagina 1 di 1
Chi c’è in linea
Visitano il forum: Nessuno e 34 ospiti

Elettrotecnica e non solo (admin)
Un gatto tra gli elettroni (IsidoroKZ)
Esperienza e simulazioni (g.schgor)
Moleskine di un idraulico (RenzoDF)
Il Blog di ElectroYou (webmaster)
Idee microcontrollate (TardoFreak)
PICcoli grandi PICMicro (Paolino)
Il blog elettrico di carloc (carloc)
DirtEYblooog (dirtydeeds)
Di tutto... un po' (jordan20)
AK47 (lillo)
Esperienze elettroniche (marco438)
Telecomunicazioni musicali (clavicordo)
Automazione ed Elettronica (gustavo)
Direttive per la sicurezza (ErnestoCappelletti)
EYnfo dall'Alaska (mir)
Apriamo il quadro! (attilio)
H7-25 (asdf)
Passione Elettrica (massimob)
Elettroni a spasso (guidob)
Bloguerra (guerra)

