Salve, avrei bisogno di una mano per risolvere questo esercizio.
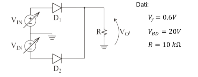
Il circuito è quello in foto e le richieste sono queste:
- Calcolare la tensione di uscita per Vin=-3V
- Calcolare la corrente su D2 per Vin=7V
- Tracciare la caratteristica ingresso-uscita
qual è l'approccio da seguire in questa tipologia di esercizi? Inoltre se qualcuno potesse scrivere anche i risultati mi sarebbe veramente utile per capire se l'ho svolto bene!
Grazie
Svolgimento esercizio sui diodi
Moderatori:
carloc,
g.schgor,
BrunoValente,
IsidoroKZ
6 messaggi
• Pagina 1 di 1
0
voti
g.schgor ha scritto:Quali sono i tuoi risultati?
Ho fatto questo ragionamento dato che il circuito è molto simile a quello di un raddrizzatore a doppia semionda:
per Vin>0.6V va in conduzione D1
per Vin<-0.6V va in conduzione D2
Quindi per la prima richiesta farei 3-0.6=2.4V
Mentre per la seconda 0A dato che D2 è interdetto a 7V
Penso sia sbagliato però
0
voti
MarcoD ha scritto:Se per Vi si intende una tensione continua, le risposte mi paiono corrette.
Se si intende un valore efficace di una sinusoide la cose si complicano
Si la Vin è una tensione continua.
Quindi la resistenza che mi da il problema non mi serve a nulla?
6 messaggi
• Pagina 1 di 1
Chi c’è in linea
Visitano il forum: Google [Bot] e 134 ospiti

Elettrotecnica e non solo (admin)
Un gatto tra gli elettroni (IsidoroKZ)
Esperienza e simulazioni (g.schgor)
Moleskine di un idraulico (RenzoDF)
Il Blog di ElectroYou (webmaster)
Idee microcontrollate (TardoFreak)
PICcoli grandi PICMicro (Paolino)
Il blog elettrico di carloc (carloc)
DirtEYblooog (dirtydeeds)
Di tutto... un po' (jordan20)
AK47 (lillo)
Esperienze elettroniche (marco438)
Telecomunicazioni musicali (clavicordo)
Automazione ed Elettronica (gustavo)
Direttive per la sicurezza (ErnestoCappelletti)
EYnfo dall'Alaska (mir)
Apriamo il quadro! (attilio)
H7-25 (asdf)
Passione Elettrica (massimob)
Elettroni a spasso (guidob)
Bloguerra (guerra)




