sto cercando di leggere degli impulsi di tensione tramite il micro ma prima dovrei condizionare il segnale.
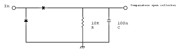
Vi mostro quanto fatto fino ad ora. Ecco il circuito che ho provato e testato; Mi sembra che funzioni:
Allego una foto del segnali in ingresso "IN" e del segnale in uscita "OUT" preso tramite un oscilloscopio (molto economico).Questi impulsi dovrebbero essere di frequenza variabile dai 50Hz a 250Hz. Questi segnali andranno a un comparatore. (Vorrei anche inserire un diodo di clamp a 9V) prima dell'ingresso al comparatore.
Quello che mi chiedo è questo :
1. Il ruolo dei diodi ci sono,ma non ho molto capito il funzionamento del parallelo della resistenza e del condensatore (quello che realmente avviene). Non mi sembra che sia una configurazione di un filtro.
2. Visto che mi interessa solo un determinato range di frequenze, è opportuno inserire una filtro passa banda RC-CR?
Ciao


Elettrotecnica e non solo (admin)
Un gatto tra gli elettroni (IsidoroKZ)
Esperienza e simulazioni (g.schgor)
Moleskine di un idraulico (RenzoDF)
Il Blog di ElectroYou (webmaster)
Idee microcontrollate (TardoFreak)
PICcoli grandi PICMicro (Paolino)
Il blog elettrico di carloc (carloc)
DirtEYblooog (dirtydeeds)
Di tutto... un po' (jordan20)
AK47 (lillo)
Esperienze elettroniche (marco438)
Telecomunicazioni musicali (clavicordo)
Automazione ed Elettronica (gustavo)
Direttive per la sicurezza (ErnestoCappelletti)
EYnfo dall'Alaska (mir)
Apriamo il quadro! (attilio)
H7-25 (asdf)
Passione Elettrica (massimob)
Elettroni a spasso (guidob)
Bloguerra (guerra)









