Ciao a tutti,
non so se è la sezione giusta.
Dovrei costruire un circuito a 12v nel quale c è un relè che dovrà pilotare un carico a 220 V - 1amp (carico non induttivo).
Purtroppo però è necessario che il relé sia quasi sempre eccitato, e raramente diseccitato (non posso usare l uscita NC al posto della NA per invertire la situazione, è così e non posso farci praticamente nulla).
Stavo pensando a dei relè tipo questi, da circuito stampato:
http://ebmstore.it/index.php?route=prod ... LAY&page=2
ad 1 contatto. Non so però se questi relè si consumano presto se li lascio quasi sempre eccitati. Sostanzialmente la bobina sarà interessata dalla corrente e dalla tensione di polarizzazione (12v) per moltissime ore la settimana, potrà essere "spento" solo per qualche minuto a settimana.
Vanno bene questi relé? sono concepiti per stare "always on" ?
Inoltre, dato che ha 1 solo scambio, quando è eccitato chiude l uscita, o la apre?
Sul datasheet non ho trovato nulla al riguardo, o forse non ho le competenze adeguate a leggerlo.
Grazie dell' aiuto,
a presto!
Relè economico e funzionamento
Moderatori:
g.schgor,
IsidoroKZ
17 messaggi
• Pagina 1 di 2 • 1, 2
1
voti
Perché ti preoccupi del relè sempre attivo ? Dove hai trovato questa informazione circa il "consumo" se sono ON ?
Se vai a vedere i dati tecnici di qualsiasi relè troverai il termine "vita" abbinato alle commutazioni, sia meccaniche (senza carico) ed in genere si parla di Milioni ... oppure a carico (e cambia molto se in DC, AC, o in base alla tensione ed alla corrente del carico) ed in genere parliamo di decine di migliaia ...
Non ho mai trovato un relè con la "vita" definita in ore ON !
Ovviamente parliamo di un relè correttamente pilotato.
Quello che invece potrebbe essere significativo è il consumo di energia, in particolare se parliamo di dispositivi alimentati a pile.
Nei termostati elettronici, ad esempio vendono usati dei relè "bistabili" che a differenza dei comuni "monostabili" che devono rimanere "eccitati" per mantenere lo stato di attivo, sono pilotati da brevi impulsi solo per cambiare lo stato ... poi rimangono nella posizione comandata per sempre, senza ulteriore consumo di energia ... ed ovviamente senza alcuna usura.
Bye
Ser.Tom
Se vai a vedere i dati tecnici di qualsiasi relè troverai il termine "vita" abbinato alle commutazioni, sia meccaniche (senza carico) ed in genere si parla di Milioni ... oppure a carico (e cambia molto se in DC, AC, o in base alla tensione ed alla corrente del carico) ed in genere parliamo di decine di migliaia ...
Non ho mai trovato un relè con la "vita" definita in ore ON !
Ovviamente parliamo di un relè correttamente pilotato.
Quello che invece potrebbe essere significativo è il consumo di energia, in particolare se parliamo di dispositivi alimentati a pile.
Nei termostati elettronici, ad esempio vendono usati dei relè "bistabili" che a differenza dei comuni "monostabili" che devono rimanere "eccitati" per mantenere lo stato di attivo, sono pilotati da brevi impulsi solo per cambiare lo stato ... poi rimangono nella posizione comandata per sempre, senza ulteriore consumo di energia ... ed ovviamente senza alcuna usura.
Bye
Ser.Tom0
voti
purtroppo, non posso usare i bistabili.
Si tratta di un apparecchio che entra in funzione appena la corrente di rete va via. Sostanzialmente devo lasciare alimentato il rele a 12v collegato ad un trasformatore 220vac-->12vdc in modo che, quando la 220 va via, lui CHIUDA l' uscita e lasci passare la corrente al suo interno (220vac-1amp). Di conseguenza, la sua vita sarà al 99% eccitato e raramente spento.
Ovviamente, il carico a 220 V che pilota funzionerà grazie ad un UPS.
Non conosco altri metodi per fare una cosa del genere, non ho mai usato i Triac e non so se si possa fare una cosa del genere con i triac quindi pensavo ad un semplice rele sempre eccitato, che diseccitandosi chiude la sua uscita e si lascia attraversare da corrente.
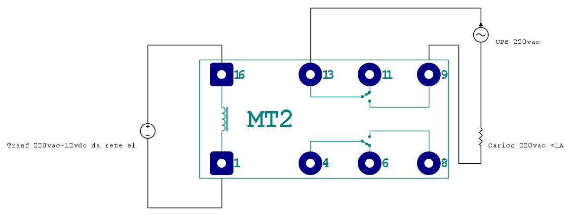
Qualcosa del genere (non ho trovato altri relay in fidocadj):
Si tratta di un apparecchio che entra in funzione appena la corrente di rete va via. Sostanzialmente devo lasciare alimentato il rele a 12v collegato ad un trasformatore 220vac-->12vdc in modo che, quando la 220 va via, lui CHIUDA l' uscita e lasci passare la corrente al suo interno (220vac-1amp). Di conseguenza, la sua vita sarà al 99% eccitato e raramente spento.
Ovviamente, il carico a 220 V che pilota funzionerà grazie ad un UPS.
Non conosco altri metodi per fare una cosa del genere, non ho mai usato i Triac e non so se si possa fare una cosa del genere con i triac quindi pensavo ad un semplice rele sempre eccitato, che diseccitandosi chiude la sua uscita e si lascia attraversare da corrente.
Qualcosa del genere (non ho trovato altri relay in fidocadj):
0
voti
In funzione del tipo di UPS e' possibile avere una segnalazione dell'intervento dell'UPS (mancanza di alimentazione dalla rete) e sfruttarla per agire di conseguenza (es: eccitare un rele').
Qual e' la marca / modello dell'UPS utilizzato?
Qual e' la marca / modello dell'UPS utilizzato?
0
voti
Tranquillo... non lo fa. è un vecchio Trust 1000va 2 batterie 12v 7ah modello pw-4105, dovrebbe essere line interactrive e sarà modificato con 2 batterie 12v 45ah sempre al piombo, se è d'accordo e non esplode.
Forse dovrei smontarlo e lavorare sulla scheda, cercando qual è il relè che attacca o stacca quando va via la corrente?
Forse dovrei smontarlo e lavorare sulla scheda, cercando qual è il relè che attacca o stacca quando va via la corrente?
0
voti
Nel manuale scaricabile da
https://d7qztf2ityad6.cloudfront.net/da ... EN_1-0.pdf
e' riportato un connettore:
E: Serial port connection
- A cosa serve?
- Che info "convoglia"?
https://d7qztf2ityad6.cloudfront.net/da ... EN_1-0.pdf
e' riportato un connettore:
E: Serial port connection
- A cosa serve?
- Che info "convoglia"?
0
voti
si interfaccia col PC al fine di gestire auto-spegnimento di windows se la batteria scende sotto di una data percentuale, ti mostra (credo) lo status e la percentuale di carico rispetto al suo 100% che corrisponde a 1000va. mi viene più facile collegare un alimentatore 220vac -->12vdc ad un rele pilotato a 12v piuttosto che mettere carne sul fuoco. L unica cosa che mi "preoccupa" è se il relè è d'accordo a rimanere eccitato per settimane.
0
voti
Il rele' potrebbe essere alimentato direttamente a 230 Vac (perche' alimentarlo a 12 Vdc?)
Come ha scritto
SerTom normalmente i rele' sono per "servizo continuo"
In ogni caso - volendo "smanettare" l'UPS - potresti intercettare il lampeggio (flashing: ad esempio con "banale" accoppiamento capacitivo) del LED B (verde) ed agire di conseguenza
Come ha scritto
In ogni caso - volendo "smanettare" l'UPS - potresti intercettare il lampeggio (flashing: ad esempio con "banale" accoppiamento capacitivo) del LED B (verde) ed agire di conseguenza
0
voti
il rele si trova lontano 30mt dal trasformatore che lo controlla, quindi preferisco lavorare in bassa tensione per pilotare il rele. potrei intercettare il led, metterlo nell ingresso di un op-amp come buffer (non mi va di rubare tensione al led dell UPS per alimentare il rele) e dall op-amp alimentare il mosfet che chiude il rele. si può fare, ma se il rele può stare eccitato senza problemi, chi me la fa fare?
il post nasce per chiedere se, a vostro avviso, la bobina di un rele sempre eccitato non si brucia dopo pochi mesi (e il rele era quello del primo post). Tutt al più posso scegliere qualcosa di più professionale tipo un Finder:
https://www.ebay.it/itm/FINDER-40-61-70 ... Sw9IpX09EG
o questo:
https://www.ebay.it/itm/Rele-FINDER-30- ... Sw14xWMzRW
dato che il primo che ho elencato è di una marca mai sentita
il post nasce per chiedere se, a vostro avviso, la bobina di un rele sempre eccitato non si brucia dopo pochi mesi (e il rele era quello del primo post). Tutt al più posso scegliere qualcosa di più professionale tipo un Finder:
https://www.ebay.it/itm/FINDER-40-61-70 ... Sw9IpX09EG
o questo:
https://www.ebay.it/itm/Rele-FINDER-30- ... Sw14xWMzRW
dato che il primo che ho elencato è di una marca mai sentita
1
voti
A distanza e tramite forum e' difficile trovare la "quadra" al tuo problema (qual e' il "la continuita di servizio" richiesta al tuo rele' - ogni quanto tempo ammetti che si possa guastare?).
In ogni caso puoi (complicando il sistema) eccitare il rele' a tensione nominale e mantenerlo eccitato a tensione "piu' bassa" ma occorrono altre info per valutare se ne vale la pena.
Tieni presente che quando uscirono I primi Hexfet (della IR - anni '80)) venivano pubblicizzati con una "vita operativa" di "era geologica".
Pensi ti possa bastare?
Ripeto:
SerTom ha ragione quando scrive che I rele' sono per servizio continuo (24/7/365 x n) con n >> 1
In ogni caso puoi (complicando il sistema) eccitare il rele' a tensione nominale e mantenerlo eccitato a tensione "piu' bassa" ma occorrono altre info per valutare se ne vale la pena.
Tieni presente che quando uscirono I primi Hexfet (della IR - anni '80)) venivano pubblicizzati con una "vita operativa" di "era geologica".
Pensi ti possa bastare?
Ripeto:
17 messaggi
• Pagina 1 di 2 • 1, 2
Torna a Elettrotecnica generale
Chi c’è in linea
Visitano il forum: Nessuno e 60 ospiti

Elettrotecnica e non solo (admin)
Un gatto tra gli elettroni (IsidoroKZ)
Esperienza e simulazioni (g.schgor)
Moleskine di un idraulico (RenzoDF)
Il Blog di ElectroYou (webmaster)
Idee microcontrollate (TardoFreak)
PICcoli grandi PICMicro (Paolino)
Il blog elettrico di carloc (carloc)
DirtEYblooog (dirtydeeds)
Di tutto... un po' (jordan20)
AK47 (lillo)
Esperienze elettroniche (marco438)
Telecomunicazioni musicali (clavicordo)
Automazione ed Elettronica (gustavo)
Direttive per la sicurezza (ErnestoCappelletti)
EYnfo dall'Alaska (mir)
Apriamo il quadro! (attilio)
H7-25 (asdf)
Passione Elettrica (massimob)
Elettroni a spasso (guidob)
Bloguerra (guerra)





