L'esercizio è il seguente:
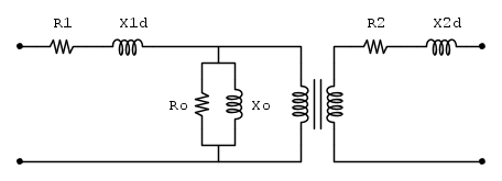
Mi immagino che il circuito sia il seguente:
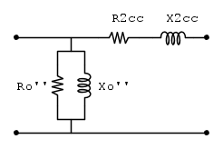
Che diventa cosi portanto tutto a sinistra:
E in questo modo se porto tutto a destra:
Corregetemi se sbaglio, non sono molto sicuro (Ho studiato solo dal libro e senza esempi simili). Riesco a trovare R1cc, X1cc, R2cc e X2cc; con le seguenti formule:


Lo stesso vale per X1cc e X2cc. Il resto non so come trovarlo con i dati che ho.
Mi potete dare una mano?
Grazie in anticipo.
Saluti...


Elettrotecnica e non solo (admin)
Un gatto tra gli elettroni (IsidoroKZ)
Esperienza e simulazioni (g.schgor)
Moleskine di un idraulico (RenzoDF)
Il Blog di ElectroYou (webmaster)
Idee microcontrollate (TardoFreak)
PICcoli grandi PICMicro (Paolino)
Il blog elettrico di carloc (carloc)
DirtEYblooog (dirtydeeds)
Di tutto... un po' (jordan20)
AK47 (lillo)
Esperienze elettroniche (marco438)
Telecomunicazioni musicali (clavicordo)
Automazione ed Elettronica (gustavo)
Direttive per la sicurezza (ErnestoCappelletti)
EYnfo dall'Alaska (mir)
Apriamo il quadro! (attilio)
H7-25 (asdf)
Passione Elettrica (massimob)
Elettroni a spasso (guidob)
Bloguerra (guerra)






