Cos'è ElectroYou | Login Iscriviti

ElectroYou - la comunità dei professionisti del mondo elettrico

Spia led senza modifica impianto

Piccole automazioni, installazioni elettroniche e domotica
4
voti

[1] Spia led senza modifica impianto

Messaggioda Foto UtenteLancillotto » 3 mag 2018, 14:46

In risposta ad altro thread (viewtopic.php?f=34&t=73775&start=10) per non fare confusione e per renderlo più fruibile ne apro uno nuovo.

Da un mio articolo sua altra board:

Non vi è mai capitato di avere la necessità di sapere se avete lasciato una luce accesa? Magari in un bagno, in uno sgabuzzino o del portone di casa?

Sicuramente si, e vi sarete chiesti come avere un riscontro visivo di quella luce lasciata accesa. Ovviamente mi risponderete che basta una semplice spia al neon in parallelo ai contatti dell'interruttore per avere questa indicazione, e ovviamente avete ragione.

Ma però non è certo l'ideale avere la lampada spia sempre accesa mentre la luce che stiamo monitorando è spenta ed averla invece spenta per i brevi perioidi in cui è accesa.

Che fare dunque per avere un'indicazione che rispettasse lo stato della lampada esterna? Cioè lampada accesa e lucina monitor accesa?

Nelle scatolette degli impianti elettrici dove abbiamo solo un comando luce per un bagno od una lampada esterna abbiamo di solito due soli fili che vanno all'interruttore e niente altro.

Il problema è che qualsiasi indicazione luminosa di monitor deve per forza avere un ritorno dalla lampada che andiamo ad accendere, quindi un secondo filo che ci ritorna, ciò richiederebbe una modifica dell'impianto elettrico esistente. Improponibile dunque, o almeno poco pratica.

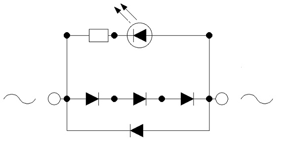
2.jpg


Lo schema è così semplice che non merita un spiegazione, tranne il fatto che come è chiaro sfrutta la debole caduta di tensione solo su una semionda e che la configurazione in anti-parallelo dei diodi lo rende praticamente "trasparente". Può essere fatto tranquillamente in aria e può essere agevolmente adattato in qualche frutto del vostro impianto elettrico, un "tappo" poi si presta proprio benissimo per contenerlo.

Io ho utilizzato quattro diodi 1N4007, sono molto comuni, poco costosi e portano una buona corrente, più che adatti allo scopo che si prefigge il circuito, la resistenza in serie al Led è in funzione del tipo che volete utilizzare, nel mio caso, un Led ad alta luminosità è andato bene un resistore da 22 Ohm, 1/4 di Watt è più che sufficiente.
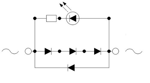
0.jpg


Eccone il montaggio "in aria" vi ricordo che il circuitino va connesso in serie, quindi se smontando l'interruttore della lampada che volete monitorare avete solo due fili il circuitino va messo in serie ad uno di questi due fili, ovviamente senza rispettare nessuna polarità.

Non temete per le lampade a basso consumo, il circuito non scalda e non ne risente e nemmeno la lampada collegata avrà malfunzionamenti, anche con carichi relativamente importanti come lampadine a filamento da 100 Watt.

Anzi nel caso di lampadine a filamento avrete ovviamente anche un riscontro di lampadina bruciata, in quel caso nemmeno il Led monitor si accenderà.

1.jpg


In questa foto sta alimentando una lampada da 11 Watt a basso consumo e poco prima è stato collegato con l'altra a filamento da 100W.

Io non sono andato oltre il provare lampadine da 100 Watt. Sicuramente ridimensionando i componenti si potrà anche collegare carichi maggiori, ma questo va più in la di quello che si prefigge questo semplicissimo circuitino.
O_/
Ultima modifica di Foto Utentemir il 3 mag 2018, 23:52, modificato 1 volta in totale.
Motivazione: Edit mir. ridimensionate le immagini, per rendere visibili. E' preferibile utilizzare la funzione Invia allegato per allegare le immagini in formato Jpg. Grazie
Avatar utente
Foto UtenteLancillotto
986 3 6
Sostenitore
Sostenitore
 
Messaggi: 526
Iscritto il: 13 ott 2017, 14:47
Località: ۞ ₯ ۞

0
voti

[2] Re: Spia led senza modifica impianto

Messaggioda Foto UtenteGiz » 3 mag 2018, 14:55

Sembra davvero una semplice soluzione. Appena mi capitano in mano 4 diodi lo faccio subito :)
Grazie :)
edit:
Il led è dalla parte giusta?
Avatar utente
Foto UtenteGiz
36 1 4
Frequentatore
Frequentatore
 
Messaggi: 115
Iscritto il: 24 apr 2018, 12:36

0
voti

[3] Re: Spia led senza modifica impianto

Messaggioda Foto UtenteLancillotto » 3 mag 2018, 14:59

Ricorda che tutto il circuito va messo in serie, mi raccomando ;-)
Ultima modifica di Foto UtenteLancillotto il 3 mag 2018, 15:00, modificato 1 volta in totale.
Avatar utente
Foto UtenteLancillotto
986 3 6
Sostenitore
Sostenitore
 
Messaggi: 526
Iscritto il: 13 ott 2017, 14:47
Località: ۞ ₯ ۞

0
voti

[4] Re: Spia led senza modifica impianto

Messaggioda Foto Utenterichiurci » 3 mag 2018, 15:00

Carino, ma credo che il LED debba essere concorde coi 3 diodi in serie.

Che LED hai usato, colorato? perché con un LED bianco forse la R serie si potrebbe evitare o andrebbe molto ridotta, visto che hanno tensione diretta più elevata
Avatar utente
Foto Utenterichiurci
32,6k 7 11 13
G.Master EY
G.Master EY
 
Messaggi: 8800
Iscritto il: 2 apr 2013, 16:08

0
voti

[5] Re: Spia led senza modifica impianto

Messaggioda Foto UtenteGiz » 3 mag 2018, 15:01

Si certo in serie ;) era proprio quello che avevo chiesto :)
Avatar utente
Foto UtenteGiz
36 1 4
Frequentatore
Frequentatore
 
Messaggi: 115
Iscritto il: 24 apr 2018, 12:36

0
voti

[6] Re: Spia led senza modifica impianto

Messaggioda Foto UtenteLancillotto » 3 mag 2018, 15:01

@richiurci
Ho usato un led bianco ad alta luminosità come da foto
Avatar utente
Foto UtenteLancillotto
986 3 6
Sostenitore
Sostenitore
 
Messaggi: 526
Iscritto il: 13 ott 2017, 14:47
Località: ۞ ₯ ۞

0
voti

[7] Re: Spia led senza modifica impianto

Messaggioda Foto Utenterichiurci » 3 mag 2018, 15:03

QUindi gli 1N vanno a Vf=1V o qualcosa di più?
Avatar utente
Foto Utenterichiurci
32,6k 7 11 13
G.Master EY
G.Master EY
 
Messaggi: 8800
Iscritto il: 2 apr 2013, 16:08

0
voti

[8] Re: Spia led senza modifica impianto

Messaggioda Foto UtenteLancillotto » 4 mag 2018, 10:20

Mah... Non ho misurato e non credo, sarà un totale di un paio di volt.
Ma non tutti i led bianchi vanno alla stessa tensione, i primi erano poco efficienti, facevano poca luce e richiedevano quasi 5v.
Alcuni poi sotto i 3 volt nemmeno si accendono, c'è da considerare, in particolare in quelli SMD usati per illuminazione, che c'è un ventaglio notevole di tensioni di alimentazione per singolo elemento
Avatar utente
Foto UtenteLancillotto
986 3 6
Sostenitore
Sostenitore
 
Messaggi: 526
Iscritto il: 13 ott 2017, 14:47
Località: ۞ ₯ ۞

0
voti

[9] Re: Spia led senza modifica impianto

Messaggioda Foto UtenteGiz » 4 mag 2018, 10:32

Ma il disegno del led in quel modo, è giusto ?
Avatar utente
Foto UtenteGiz
36 1 4
Frequentatore
Frequentatore
 
Messaggi: 115
Iscritto il: 24 apr 2018, 12:36

0
voti

[10] Re: Spia led senza modifica impianto

Messaggioda Foto Utenterichiurci » 4 mag 2018, 10:43

no va girato...
Avatar utente
Foto Utenterichiurci
32,6k 7 11 13
G.Master EY
G.Master EY
 
Messaggi: 8800
Iscritto il: 2 apr 2013, 16:08

Prossimo

Torna a Automazione civile

Chi c’è in linea

Visitano il forum: Nessuno e 9 ospiti