Salve a tutti sono nuovo del forum e chiedo scusa in anticipo se la sezione non fosse quella giusta.
Avrei bisogno di alcuni consigli.
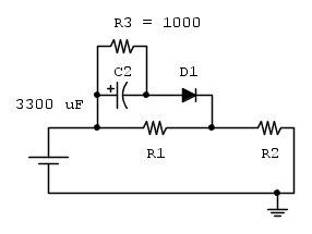
Ho un circuito come quello di figura.
Il mio obiettivo è di poter scaricare il condensatore, che rimane carico, quando voglio io.
Avevo pensato di mettere un MOS in parallelo al condensatore (con un'ooprtuna resistenza) ma dovrebbe esserci sempre un diodo tra d e s che me lo scarica comunque anche quando non dovrebbe.
Avete qualche idea?
Spero di essermi piegato bene!
Grazie a tutti in anticipo!
MOS di potenza
Moderatori:
carloc,
g.schgor,
BrunoValente,
IsidoroKZ
25 messaggi
• Pagina 1 di 3 • 1, 2, 3
0
voti
Il circuito fa da carico per un dispositivo.
Normalmente il dispositivo è sempre acceso ma una volta ogni tot di tempo dovrei spegnerlo e riaccenderlo per misurare il picco di corrente all'accensione.
Lo switch mi serve per scaricare velocemente la capacità che altrimenti rimarrebbe carica.
Per quello che riguarda il relè ho uno spazio limitato sulla scheda (in totale sono 20 carichi di questo tipo).
Normalmente il dispositivo è sempre acceso ma una volta ogni tot di tempo dovrei spegnerlo e riaccenderlo per misurare il picco di corrente all'accensione.
Lo switch mi serve per scaricare velocemente la capacità che altrimenti rimarrebbe carica.
Per quello che riguarda il relè ho uno spazio limitato sulla scheda (in totale sono 20 carichi di questo tipo).
-

Antropophagus
-10 2 - Messaggi: 10
- Iscritto il: 7 mag 2018, 12:06
0
voti
Se metti un diodo con il catodo sul negativo del condensatore e con l'anodo al riferimento dell'alimentazione, scarichi il condensatore ogni volta che togli alimentazione
0
voti
Però in questo caso se dovesse mancare l'alimentazione in maniera anomala il condensatore si scaricherebbe comunque. Il diodo deve esserci per forza nel modo indicato in figura
-

Antropophagus
-10 2 - Messaggi: 10
- Iscritto il: 7 mag 2018, 12:06
0
voti
Antropophagus ha scritto:Avevo pensato di mettere un MOS in parallelo al condensatore (con un'ooprtuna resistenza) ma dovrebbe esserci sempre un diodo tra d e s che me lo scarica comunque anche quando non dovrebbe.
Il particolare riferito al diodo mi e' oscuro.
Antropophagus ha scritto:per misurare il picco di corrente all'accensione
La costante di tempo del picco di corrente vale circa 200 us. E' corretto?
Antropophagus ha scritto:Il diodo deve esserci per forza nel modo indicato in figura
Come ha chiesto anche
0
voti
Come detto su questo è semplicemente un carico per un dispositivo.
Il carico è cosi. Non posso togliere il diodo o collegarlo in altro modo.
Devo solo trovare un modo che mi consenta, in maniera arbitraria, di scaricare il condensatore quando tolgo l'alimentazione. Questo perché ciclicamente ho bisogno di misurare questo picco di corrente in accensione.
Per quello che riguarda il MOS ho visto che collegato in parallelo al condensatore anche senza tensione di gate applicata, questo tende a scaricarsi velocemente. Ho attribuito ciò a qualche comportamento intrinseco del MOS.
Sinceramente non saprei quantificare quanto possa valere la costante di tempo del picco di corrente all'accensione.
Il carico è cosi. Non posso togliere il diodo o collegarlo in altro modo.
Devo solo trovare un modo che mi consenta, in maniera arbitraria, di scaricare il condensatore quando tolgo l'alimentazione. Questo perché ciclicamente ho bisogno di misurare questo picco di corrente in accensione.
Per quello che riguarda il MOS ho visto che collegato in parallelo al condensatore anche senza tensione di gate applicata, questo tende a scaricarsi velocemente. Ho attribuito ciò a qualche comportamento intrinseco del MOS.
Sinceramente non saprei quantificare quanto possa valere la costante di tempo del picco di corrente all'accensione.
-

Antropophagus
-10 2 - Messaggi: 10
- Iscritto il: 7 mag 2018, 12:06
0
voti
Antropophagus ha scritto:Sinceramente non saprei quantificare quanto possa valere la costante di tempo del picco di corrente all'accensione.
Dipende dal tempo che l'alimentatore impiega per arrivare a regime.
-

Antropophagus
-10 2 - Messaggi: 10
- Iscritto il: 7 mag 2018, 12:06
1
voti
[10] Re: MOS di potenza
Antropophagus ha scritto:Per quello che riguarda il MOS ho visto che collegato in parallelo al condensatore anche senza tensione di gate applicata, questo tende a scaricarsi velocemente.
Non capisco:
- ad alimenatore acceso il condensatore rimane sempre carico (indipendentemente dala corrente di perdita del mosfet)
- ad alimentatore spento vuoi scaricare il condesnatore: dove e' il problema?
- quantifica "velocemente"
- dettaglia meglio I tempi e la sequenza temporale di tutto l'"ambaradam"
Se inserisci la resistenza R3 nel circuito. allo spengimento dell'alimentatore il condensatore si scarica con una costante di tempo

cioe' dopo circa 10 secondi sara' scarico.
Con 1000 ohm I parametri del circuito non variano molto (1000 ohm vanno confrontati con R1 370 mohm - cioe' 0,04 %)
Con che velocita' vuoi scaricare il condensatore?
25 messaggi
• Pagina 1 di 3 • 1, 2, 3
Chi c’è in linea
Visitano il forum: Nessuno e 56 ospiti

Elettrotecnica e non solo (admin)
Un gatto tra gli elettroni (IsidoroKZ)
Esperienza e simulazioni (g.schgor)
Moleskine di un idraulico (RenzoDF)
Il Blog di ElectroYou (webmaster)
Idee microcontrollate (TardoFreak)
PICcoli grandi PICMicro (Paolino)
Il blog elettrico di carloc (carloc)
DirtEYblooog (dirtydeeds)
Di tutto... un po' (jordan20)
AK47 (lillo)
Esperienze elettroniche (marco438)
Telecomunicazioni musicali (clavicordo)
Automazione ed Elettronica (gustavo)
Direttive per la sicurezza (ErnestoCappelletti)
EYnfo dall'Alaska (mir)
Apriamo il quadro! (attilio)
H7-25 (asdf)
Passione Elettrica (massimob)
Elettroni a spasso (guidob)
Bloguerra (guerra)






