Buongiorno ragazzi,
devo chiedervi un consiglio. Abbiamo 9 fotocamere che devono scattare tutte contemporaneamente, usando soltanto un telecomando, alimentato dalla fotocamera stessa.
Ho due domande:
1- usando un solo telecomando, collegandolo a tutte le videocamere (aggiungendo cavi dal telecomando verso le camere) può funzionare, oppure l'alimentazione, suddivisa per 9 camere, è troppo debole per attivarle?
2- usando NOVE telecomandi e collegando i rispettivi pulsanti ad uno unico, funziona? O potrebbero esserci problemi?
Grazie!
Controllare 9 fotocamere con un solo pulsante
Moderatori:
carloc,
g.schgor,
BrunoValente,
IsidoroKZ
9 messaggi
• Pagina 1 di 1
0
voti
Dovresti dare lo schema elettrico del telecomando o, se non è possibile, almeno aprirne uno e fare un po' di foto.
Marca? Modello?
I telecomandi sono a filo? Usano pile? Com'è fatto il connettore del telecomando? Quanti contatti? Potresti misurare con un tester eventuali variazioni di tensione e/o resistenza sul connettore?
Senza informazioni non è possibile aiutarti.
Marca? Modello?
I telecomandi sono a filo? Usano pile? Com'è fatto il connettore del telecomando? Quanti contatti? Potresti misurare con un tester eventuali variazioni di tensione e/o resistenza sul connettore?
Senza informazioni non è possibile aiutarti.
Big fan of ⋮ƎlectroYou! Ausili per disabili e anziani su ⋮ƎlectroYou
Caratteri utili: À È É Ì Ò Ó Ù α β γ δ ε η θ λ μ π ρ σ τ φ ω Ω º ª ² ³ √ ∛ ∜ ₀ ₁ ₂ ₃ ₄ ₅ ₆ ∃ ∄ ∆ ∈ ∉ ± ∓ ∾ ≃ ≈ ≠ ≤ ≥
Caratteri utili: À È É Ì Ò Ó Ù α β γ δ ε η θ λ μ π ρ σ τ φ ω Ω º ª ² ³ √ ∛ ∜ ₀ ₁ ₂ ₃ ₄ ₅ ₆ ∃ ∄ ∆ ∈ ∉ ± ∓ ∾ ≃ ≈ ≠ ≤ ≥
0
voti
Grazie guido, hai ragione..ma nel mio studio (produzione video) si infilano in dei lavori a breve scadenza e senza conoscerne la fattibilità..
Molto probabilmente utilizzeranno un altro sistema che non comprende la realizzazione di un telecomando ad hoc, ma per curiosità mi piacerebbe capire come si potrebbe procedere.
I telecomandi sono alimentati dalla fotocamera, nessuna batteria.
Ho trovato lo schema di un telecomando compatibile con le nostre camere (lumix GH4):
http://www.doc-diy.net/photo/remote_pin ... remote.png
La descrizione dice: "Panasonic/Lumix goes an unusual way and uses just one wire to control the focus and the shutter. As shown in the picture above, only the shaft and the first ring are used. Resistors are used to choose the function.
My experiments showed that the more common resistor values of 33k, 3k3 and 2k2 also work. A possible wiring of the cable is shown here. Note that the grounds of the plugs are not directly connected.
If you are building the cable yourself, I recommend to recycle the 2.5mm side from a ready made cable to avoid buying and soldering the 2.5mm 4 pole plug. "
Grazie!
Molto probabilmente utilizzeranno un altro sistema che non comprende la realizzazione di un telecomando ad hoc, ma per curiosità mi piacerebbe capire come si potrebbe procedere.
I telecomandi sono alimentati dalla fotocamera, nessuna batteria.
Ho trovato lo schema di un telecomando compatibile con le nostre camere (lumix GH4):
http://www.doc-diy.net/photo/remote_pin ... remote.png
La descrizione dice: "Panasonic/Lumix goes an unusual way and uses just one wire to control the focus and the shutter. As shown in the picture above, only the shaft and the first ring are used. Resistors are used to choose the function.
My experiments showed that the more common resistor values of 33k, 3k3 and 2k2 also work. A possible wiring of the cable is shown here. Note that the grounds of the plugs are not directly connected.
If you are building the cable yourself, I recommend to recycle the 2.5mm side from a ready made cable to avoid buying and soldering the 2.5mm 4 pole plug. "
Grazie!
0
voti
La fotocamera "sente" la variazione di resistenza (e probabilmente di corrente circolante) fra il + e il - dei contatti del jack.
Ipotizzo anche che PRIMA sia necessario chiudere il contatto FOCUS e DOPO un certo tempo (1-2 secondi) chiudere il contatto SHUTTER per lo scatto.
Non è possibile mettere in parallelo i telecomandi, ma è possibile comandare contemporaneamente i vari FOCUS e SHUTTER tramite relè. "Contemporaneamente" significa che comunque ci potrà essere una differenza di qualche millisecondo fra i vari scatti.
Per riassumere occorrono 9 telecomandi, ciascuno dei quali connesso a DUE relé, uno per il FOCUS e uno per lo SHUTTER. I relè saranno comandati contemporaneamente da DUE pulsanti, uno per il FOCUS e uno per lo SHUTTER. Per diminuire il numero dei relè se ne possono usare a doppio o triplo scambio.
Con un piccolo circuito elettronico i due pulsanti possono essere ridotti a uno solo.
Ciao,
P.
Ipotizzo anche che PRIMA sia necessario chiudere il contatto FOCUS e DOPO un certo tempo (1-2 secondi) chiudere il contatto SHUTTER per lo scatto.
Non è possibile mettere in parallelo i telecomandi, ma è possibile comandare contemporaneamente i vari FOCUS e SHUTTER tramite relè. "Contemporaneamente" significa che comunque ci potrà essere una differenza di qualche millisecondo fra i vari scatti.
Per riassumere occorrono 9 telecomandi, ciascuno dei quali connesso a DUE relé, uno per il FOCUS e uno per lo SHUTTER. I relè saranno comandati contemporaneamente da DUE pulsanti, uno per il FOCUS e uno per lo SHUTTER. Per diminuire il numero dei relè se ne possono usare a doppio o triplo scambio.
Con un piccolo circuito elettronico i due pulsanti possono essere ridotti a uno solo.
Ciao,
P.
0
voti
Dipende da quando deve essere contemporaneo :)
Il circuito più semplice credo sia quello di mettere 9-9 pulsanti in fila con una barretta incollata sopra che li prema tutti insieme.
Ovviamente devi trovare una posizione per premerli nel migliore dei modi.
Costano pochissimo quelli da stampato in Cina.
Ci sono anche pulsanti con più contatti.
Poi relè di tanti tipi che possono fare la stessa cosa.
Il circuito più semplice credo sia quello di mettere 9-9 pulsanti in fila con una barretta incollata sopra che li prema tutti insieme.
Ovviamente devi trovare una posizione per premerli nel migliore dei modi.
Costano pochissimo quelli da stampato in Cina.
Ci sono anche pulsanti con più contatti.
Poi relè di tanti tipi che possono fare la stessa cosa.
1
voti
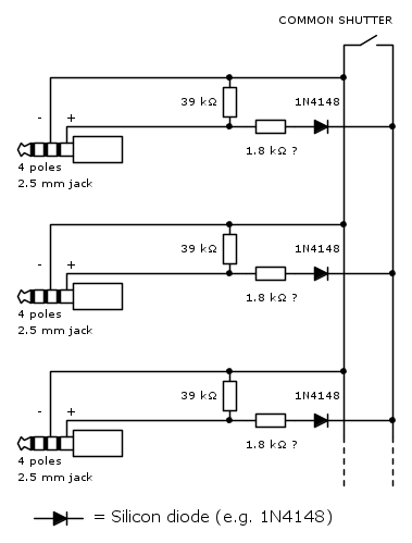
Se le fotocamere sono tutte alimentate indipendentemente (ciascuna con la sua pila, elettricamente isolate tra loro), si può provare un circuito di questo genere. I fili in rosso indicano i collegamenti tra i telecomandi delle varie fotocamere e il circuito di comando comune. Ho inserito solo 3 telecomandi per semplicità, ma è intuitivo estenderlo a 9 o più:
Questo circuito fa uso di diodi Schottky a bassa Vf.
La Vf, ancorché bassa (0,2 - 0,3 V) potrebbe comunque dar fastidio, e in quel caso potrebbe essere necessario realizzare un circuito un po' più complesso con tanti MOSFET in parallelo ai pulsanti, con comando di gate comune.
Se le fotocamere invece non fossero isolate tra loro, si potrebbe far ricorso a fotoaccoppiatori (la complessità aumenta ulteriormente).
L'uso di relè con tanti contatti funziona ma può introdurre dei ritardi meccanici distinti per i vari contatti, e potrebbe essere più ingombrante e costoso.
Questo circuito fa uso di diodi Schottky a bassa Vf.
La Vf, ancorché bassa (0,2 - 0,3 V) potrebbe comunque dar fastidio, e in quel caso potrebbe essere necessario realizzare un circuito un po' più complesso con tanti MOSFET in parallelo ai pulsanti, con comando di gate comune.
Se le fotocamere invece non fossero isolate tra loro, si potrebbe far ricorso a fotoaccoppiatori (la complessità aumenta ulteriormente).
L'uso di relè con tanti contatti funziona ma può introdurre dei ritardi meccanici distinti per i vari contatti, e potrebbe essere più ingombrante e costoso.
Big fan of ⋮ƎlectroYou! Ausili per disabili e anziani su ⋮ƎlectroYou
Caratteri utili: À È É Ì Ò Ó Ù α β γ δ ε η θ λ μ π ρ σ τ φ ω Ω º ª ² ³ √ ∛ ∜ ₀ ₁ ₂ ₃ ₄ ₅ ₆ ∃ ∄ ∆ ∈ ∉ ± ∓ ∾ ≃ ≈ ≠ ≤ ≥
Caratteri utili: À È É Ì Ò Ó Ù α β γ δ ε η θ λ μ π ρ σ τ φ ω Ω º ª ² ³ √ ∛ ∜ ₀ ₁ ₂ ₃ ₄ ₅ ₆ ∃ ∄ ∆ ∈ ∉ ± ∓ ∾ ≃ ≈ ≠ ≤ ≥
1
voti
Forse si potrebbe compensare la caduta con un generatore di tensione da -0,3 V in serie al comune. Realizzato con una piletta 1,2 V , un interruttore, un resistore e un diodo dello stesso tipo. Concettualmente pare una soluzione bruttina, ma forse è più semplice di quella con i MOSFET.La Vf, ancorché bassa (0,2 - 0,3 V) potrebbe comunque dar fastidio, e in quel caso potrebbe essere necessario realizzare un circuito un po' più complesso.....

1
voti
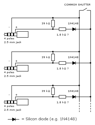
Avendo a disposizione un tester e un telecomando individuale, si può misurare la tensione ai capi della serie di 3 resistenze nei tre casi: nessun pulsante premuto - premuto FOCUS - premuto SHUTTER.
Con questi dati e la legge di Ohm si può progettare un circuito che fa uso di resistenze e comuni diodi 1N4148 anziché diodi Schottky.
Se poi non servisse mettere in comune il pulsante FOCUS ma solo lo SHUTTER, il circuito si può semplificare ulteriormente, per esempio (valori delle resistenze non definitivi, dipendono dai risultati delle misure da effettuare):
Dipendendo dall'uso e dalle caratteristiche delle fotocamere, è possibile che i rimbalzi del pulsante diano fastidio. In tal caso si può realizzare anche un circuito antirimbalzo.
Quanti più dati ci sono a disposizione, meglio si riesce a realizzare un progetto funzionante.
Con questi dati e la legge di Ohm si può progettare un circuito che fa uso di resistenze e comuni diodi 1N4148 anziché diodi Schottky.
Se poi non servisse mettere in comune il pulsante FOCUS ma solo lo SHUTTER, il circuito si può semplificare ulteriormente, per esempio (valori delle resistenze non definitivi, dipendono dai risultati delle misure da effettuare):
Dipendendo dall'uso e dalle caratteristiche delle fotocamere, è possibile che i rimbalzi del pulsante diano fastidio. In tal caso si può realizzare anche un circuito antirimbalzo.
Quanti più dati ci sono a disposizione, meglio si riesce a realizzare un progetto funzionante.
Big fan of ⋮ƎlectroYou! Ausili per disabili e anziani su ⋮ƎlectroYou
Caratteri utili: À È É Ì Ò Ó Ù α β γ δ ε η θ λ μ π ρ σ τ φ ω Ω º ª ² ³ √ ∛ ∜ ₀ ₁ ₂ ₃ ₄ ₅ ₆ ∃ ∄ ∆ ∈ ∉ ± ∓ ∾ ≃ ≈ ≠ ≤ ≥
Caratteri utili: À È É Ì Ò Ó Ù α β γ δ ε η θ λ μ π ρ σ τ φ ω Ω º ª ² ³ √ ∛ ∜ ₀ ₁ ₂ ₃ ₄ ₅ ₆ ∃ ∄ ∆ ∈ ∉ ± ∓ ∾ ≃ ≈ ≠ ≤ ≥
1
voti
Grazie mille a tutti e perdonate l'assenza! Da un progetto casalingo siamo passati ad un progetto professionale, quindi era un continuo cambiare informazioni e budget. Da 9 camere arrangiate grezzamente, siamo arrivati ad una struttura modulare con 25 camere. Alla fine siamo arrivati ad utilizzare un prodotto ideato proprio per questo (se qualcuno è curioso, qui il link: https://www.esperhq.com/product/multi-c ... riggerbox/). Consente di collegare 6 camere per volta, con la possibilità di collegare i triggerbox in cascata, tutti controllati da un solo telecomando. In più si interfaccia nativamente col software utilizzato, con possibilità di impostare il ritardo di scatto tra ogni camera.
Grazie ancora, gentilissimi!
Grazie ancora, gentilissimi!
9 messaggi
• Pagina 1 di 1
Chi c’è in linea
Visitano il forum: Nessuno e 125 ospiti

Elettrotecnica e non solo (admin)
Un gatto tra gli elettroni (IsidoroKZ)
Esperienza e simulazioni (g.schgor)
Moleskine di un idraulico (RenzoDF)
Il Blog di ElectroYou (webmaster)
Idee microcontrollate (TardoFreak)
PICcoli grandi PICMicro (Paolino)
Il blog elettrico di carloc (carloc)
DirtEYblooog (dirtydeeds)
Di tutto... un po' (jordan20)
AK47 (lillo)
Esperienze elettroniche (marco438)
Telecomunicazioni musicali (clavicordo)
Automazione ed Elettronica (gustavo)
Direttive per la sicurezza (ErnestoCappelletti)
EYnfo dall'Alaska (mir)
Apriamo il quadro! (attilio)
H7-25 (asdf)
Passione Elettrica (massimob)
Elettroni a spasso (guidob)
Bloguerra (guerra)










