Salve a tutti. Perdonate la mia possibile ignoranza in materia, ma per me è la prima esperienza.
Sto cercando di mettere in ordine tutta la parte cartacea di un impianto elettrico industriale che nel corso della sua (ancora breve) vita, ha subito uno svariato numero di modifiche, interventi, ampliamenti senza tener correttamente traccia di quel che è stato fatto rispetto a quel che è stato pensato di fare.
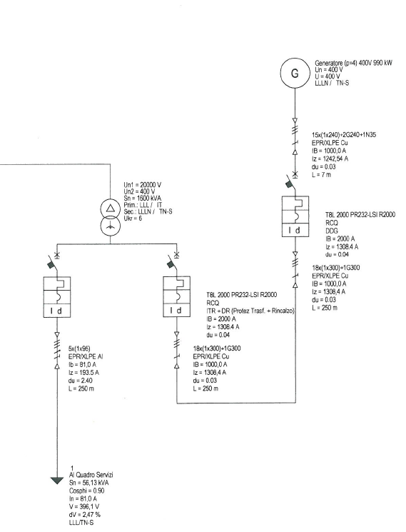
Tra le varie cose, mi son trovato lo schema unifilare di un impianto di cogenerazione da 1 MW, e sarà un po' per l'inesperienza e un po' per il non aver mai toccato con mano qualcosa del genere (se non la sola teoria), mi son sorti non pochi dubbi a riguardo.
Il generatore sincrono, da quel che so, non funziona in isola (tuttavia non ne ho la certezza). Il funzionamento ammesso è in parallelo con la rete. Nel caso di motore in marcia, oltre a fornire energia alla rete, vengono anche alimentate una serie di utenze necessarie per il funzionamento dello stesso sistema (captazione e trattamento del biogas, circa 20 kW). Quando il motore è spento (manutenzione/disservizio), il sistema di captazione è alimentato direttamente dallo stesso trasformatore che viene usato per l'elevazione durante la fase di marcia. In cabina vi è infatti un contatore bidirezionale che misura l'energia immessa in rete (al netto di quella utilizzata dal sistema di captazione) nel caso di motore funzionante, e l'energia assorbita dal sistema di captazione quando invece il motore è scollegato dalla rete.
Nel mio caso, ho individuato uno svariato numero di differenti schemi elettrici per la stessa situazione e sto cercando di individuare tra questi quello "corretto".
Tuttavia analizzando lo schema (in allegato) che più mi sembrava in linea con il funzionamento descritto, mi son sorti alcuni dubbi:
- Perché il neutro ha una sezione di 35 mm^2? Non dovrebbe avere una sezione almeno pari alla metà della sezione delle fasi? Oppure in questo caso il neutro indicato è stato realizzato solo per effettuare un collegamento a terra del centro stella del generatore con una certa resistenza (tuttavia con un collegamento del centro stella a terra non franco avrei un sistema IT e non TN-S, o sbaglio?)? Anche perché subito a valle del primo interruttore, sembrerebbe (dallo schema) che il neutro non venga distribuito (E non mi spiego il TN-S senza neutro distribuito).
- Se il neutro non è distribuito, come posso alimentare i carichi monofase presenti nel sistema di captazione?
In presenza di carichi squilibrati, la corrente non si andrebbe a richiudere sfruttando il centro stella connesso a terra del trafo in cabina con il centro stella del generatore (presumibilmente connesso a terra ad una distanza >200m dalla cabina)? Questo non causerebbe interventi intempestivi dei differenziali?
- La sezione del conduttore di protezione, nel caso di generatori di questa taglia, va determinata con la regola Sf/2?
Scusate se son stato prolisso.
Dubbi su schema di cablaggio di un CoGeneratore (1MW)
Moderatori:
sebago,
MASSIMO-G,
lillo,
Mike
6 messaggi
• Pagina 1 di 1
1
voti
Salve
Jarly,
In genere è pratica diffusa mettere a terra su resistenza il centro stella del generatore, ma dallo schema infilare questo non sembra il tuo caso.
Chiediti se quel neutro è protetto dai corto circuiti e dai sovraccarichi ed avrai la risposta.
Più che altro, per quale motivo si è deciso di portare "a spasso" per 250 m 1MW a 400V quando si poteva arrivare in MT a bocca di generatore?
In genere è pratica diffusa mettere a terra su resistenza il centro stella del generatore, ma dallo schema infilare questo non sembra il tuo caso.
Chiediti se quel neutro è protetto dai corto circuiti e dai sovraccarichi ed avrai la risposta.
Più che altro, per quale motivo si è deciso di portare "a spasso" per 250 m 1MW a 400V quando si poteva arrivare in MT a bocca di generatore?
0
voti
Non si tratta di problemi di cablaggio ma direi di problemi di connessioni di potenza.
Prova ad andare in cantiere e dire bisogna cablare un cavo da 35mm, credo che si sentirebbero le risate fino a qua.
Spero che il tuo progetto sia in fase embrionale, perché onestamente mi sembra un po' strano per le taglie in gioco.
Forse mi sbaglio ma a me sembrava di aver letto generatore da 1MW. Spero fortemente che in realtà sia un asincrono.
Mi sembra poi che ci siano tanti dati buttati li a caso, ma la ib del generatore non è più alta? I cavi sono xlpe o epr? Il valore indicato è la caduta di tensione? Non si usano più le protezione generatore ? I cavi dei servizi ausiliari non hanno la g?
Partendo dalla soluzione a dir poco discutibile di mettere a terra su resistenza, se veramente fosse così non si ha evidenza dall'unifilare. Si vede solo uno spezzone di neutro ma mica è detto che vada a terra, come non si vede se viene fatta la messa a terra del trasformatore.
Schema e filosofia da rivedere, progettazione per me imbarazzante ma non è colpa tua ma di chi l'ha fatta.
Prova ad andare in cantiere e dire bisogna cablare un cavo da 35mm, credo che si sentirebbero le risate fino a qua.
Spero che il tuo progetto sia in fase embrionale, perché onestamente mi sembra un po' strano per le taglie in gioco.
Forse mi sbaglio ma a me sembrava di aver letto generatore da 1MW. Spero fortemente che in realtà sia un asincrono.
Mi sembra poi che ci siano tanti dati buttati li a caso, ma la ib del generatore non è più alta? I cavi sono xlpe o epr? Il valore indicato è la caduta di tensione? Non si usano più le protezione generatore ? I cavi dei servizi ausiliari non hanno la g?
Partendo dalla soluzione a dir poco discutibile di mettere a terra su resistenza, se veramente fosse così non si ha evidenza dall'unifilare. Si vede solo uno spezzone di neutro ma mica è detto che vada a terra, come non si vede se viene fatta la messa a terra del trasformatore.
Schema e filosofia da rivedere, progettazione per me imbarazzante ma non è colpa tua ma di chi l'ha fatta.
-

Coulomb
710 4 - CRU - Account cancellato su Richiesta utente
- Messaggi: 189
- Iscritto il: 19 gen 2018, 17:27
0
voti
Grazie ad entrambi per la risposta.
Ahimè, l'impianto è esistente e funzionante (da qualche anno), il punto è capire come è stato realizzato. Gli schemi/progetti presenti sono confusi, alcuni senza neppure riscontro su campo. Tra quelli trovati, questo è per adesso, l'unico che più si avvicina al possibile funzionamento (rispetto agli altri schemi, con buona probabilità anche questo è errato). Il mio problema è quello di discriminare questi errori per riuscire ad individuare l'effettivo stato di fatto dell'impianto.
Il generatore è sincrono, con 4 poli accessibili. Ha una potenza nominale di 990 kW.
Dalla mia inesperienza (spero quindi di non dire fandonie), suppongo che il collegamento di 250 m in bt fino in cabina (la stessa cabina enel è utilizzata per altra fornitura di energia, ma su una linea del tutto separata da questa in esame) sia dovuto forse a 2 fattori:
- Collocazione dell'impianto all'interno di una grossa utenza industriale, quindi forse qualche difficoltà nel realizzare un attraversamento (interrato o non) di cavi in MT (anche perché il "progetto" iniziale era pensato per elevare direttamente in MT nello stesso container del generatore);
- Presenza di un impianto accessorio al motore con potenza di circa 20 kW (soffianti, chiller e via dicendo) alimentato in bassa tensione e considerato come "impianto ausiliario" della macchina (stando a quel che mi è stato detto) il quale deve continuare a funzionare anche nel caso in cui il generatore sia spento.
Infatti, il suddetto impianto in presenza rete è alimentato dal generatore in questione, la restante energia prodotta è immessa in rete. In caso di mancanza rete, apre la protezione di interfaccia e l'utenza viene alimentata comunque dal trasformatore. Quest'ultima situazione sembrerebbe essere confermata dalla lettura di un contatore bidirezionale posto in cabina.
In un altro schema unifilare, realizzato dallo stesso individuo, vi è addirittura una corrente Ib di 26 A (improponibile, ovviamente).
Ahimè, l'impianto è esistente e funzionante (da qualche anno), il punto è capire come è stato realizzato. Gli schemi/progetti presenti sono confusi, alcuni senza neppure riscontro su campo. Tra quelli trovati, questo è per adesso, l'unico che più si avvicina al possibile funzionamento (rispetto agli altri schemi, con buona probabilità anche questo è errato). Il mio problema è quello di discriminare questi errori per riuscire ad individuare l'effettivo stato di fatto dell'impianto.
Il generatore è sincrono, con 4 poli accessibili. Ha una potenza nominale di 990 kW.
fpalone ha scritto:Più che altro, per quale motivo si è deciso di portare "a spasso" per 250 m 1MW a 400V quando si poteva arrivare in MT a bocca di generatore?
Dalla mia inesperienza (spero quindi di non dire fandonie), suppongo che il collegamento di 250 m in bt fino in cabina (la stessa cabina enel è utilizzata per altra fornitura di energia, ma su una linea del tutto separata da questa in esame) sia dovuto forse a 2 fattori:
- Collocazione dell'impianto all'interno di una grossa utenza industriale, quindi forse qualche difficoltà nel realizzare un attraversamento (interrato o non) di cavi in MT (anche perché il "progetto" iniziale era pensato per elevare direttamente in MT nello stesso container del generatore);
- Presenza di un impianto accessorio al motore con potenza di circa 20 kW (soffianti, chiller e via dicendo) alimentato in bassa tensione e considerato come "impianto ausiliario" della macchina (stando a quel che mi è stato detto) il quale deve continuare a funzionare anche nel caso in cui il generatore sia spento.
Infatti, il suddetto impianto in presenza rete è alimentato dal generatore in questione, la restante energia prodotta è immessa in rete. In caso di mancanza rete, apre la protezione di interfaccia e l'utenza viene alimentata comunque dal trasformatore. Quest'ultima situazione sembrerebbe essere confermata dalla lettura di un contatore bidirezionale posto in cabina.
coulomb ha scritto: la ib del generatore non è più alta?
In un altro schema unifilare, realizzato dallo stesso individuo, vi è addirittura una corrente Ib di 26 A (improponibile, ovviamente).
0
voti
Mi sembra di capire che il generatore sia un package inserito in un impianto industriale, molte scelte allora saranno state fatte non tecnicamente ma economicamente quindi non verranno messe in discussione.
Tu sostanzialmente devi fare una foto all'impianto in essere, questo non può prescindere dal rilievo in campo perché non puoi disegnare l'impianto come lo vorresti ma devi rappresentare la situazione esistente.
Tu sostanzialmente devi fare una foto all'impianto in essere, questo non può prescindere dal rilievo in campo perché non puoi disegnare l'impianto come lo vorresti ma devi rappresentare la situazione esistente.
-

Coulomb
710 4 - CRU - Account cancellato su Richiesta utente
- Messaggi: 189
- Iscritto il: 19 gen 2018, 17:27
0
voti
Ciao
Cerco di aiutarti ma un impianto di cogenerazione da 1 MW non è banale se non hai dimestichezza (come probabilmete non l'aveva chi ti ha preceduto a quanto dici) anche se lo devi solo rilevare e non progettare.
Non entro in merito della BT o MT perché molto dipende dalla valutazione economica e visto che tanto non lo devi progettare ormai così è.
Per la sezione del conduttore di protezione vale la regola generale ovvero o Sf/2 oppure calcoli I^2t e sicuramente risparmi mmq di cavo di protezione.
Per il neutro dipende se fa isola o meno. Se non fa isola non serve a nulla perché le utenze lo "prendano" dal trasformatore elevatore se invece fa isola serve il neutro.
Come capire se fa isola o meno senza staccare corrente allo stabilimento e vedere cosa fa? Beh non è facile perché dipende dalla programmazione del PLC quindi banalmente cerca nei manuali.
Però non hai specificato la fonte di alimentazione, se è gasolio può fare isola come un gruppo di emergenza ovviamente se è a metano difficilmente può fare isola ma è fattibile, se è a biomasse penso sia praticamente impossibile.
Probabilmente è un sincrono ma non è detto comunque se trovi il data sheet dell'alternatore (non dovrebbe essere difficile visto che non è stato realizzato da molto) ci sarà scritto a caratteri cubitali. Esteticamente sono diversi il sincrono ha sicuramente dei regolatori elettronici di tensione e fattore di potenza montati o a bordo o in quadro nelle immediate vicinanze. Un asincrono è di fatto un grosso motore.
Un asincrono se non autoeccitato non può fare isola.
Il contatore bidirezionale va installato sempre quando c'è produzione indipendentemente se fa isola o meno.
Per la sezione di neutro (se c'è) valgono sempre le regole generali ovvero un minimo di 16mmq se non ci sono carichi squilibrati o armoniche ma attenzione anche alla taratura minima impostabile sull'interruttore di macchina affinchè il cavo di neutro sia protetto.
Il centro stella di solito si mette a terra quello del trasformatore se come mi sembra di capire dal tuo caso lo stesso alimenta altre utenze non direttamente connesse alla cog. Non entramnbi.
Cerco di aiutarti ma un impianto di cogenerazione da 1 MW non è banale se non hai dimestichezza (come probabilmete non l'aveva chi ti ha preceduto a quanto dici) anche se lo devi solo rilevare e non progettare.
Non entro in merito della BT o MT perché molto dipende dalla valutazione economica e visto che tanto non lo devi progettare ormai così è.
Per la sezione del conduttore di protezione vale la regola generale ovvero o Sf/2 oppure calcoli I^2t e sicuramente risparmi mmq di cavo di protezione.
Per il neutro dipende se fa isola o meno. Se non fa isola non serve a nulla perché le utenze lo "prendano" dal trasformatore elevatore se invece fa isola serve il neutro.
Come capire se fa isola o meno senza staccare corrente allo stabilimento e vedere cosa fa? Beh non è facile perché dipende dalla programmazione del PLC quindi banalmente cerca nei manuali.
Però non hai specificato la fonte di alimentazione, se è gasolio può fare isola come un gruppo di emergenza ovviamente se è a metano difficilmente può fare isola ma è fattibile, se è a biomasse penso sia praticamente impossibile.
Probabilmente è un sincrono ma non è detto comunque se trovi il data sheet dell'alternatore (non dovrebbe essere difficile visto che non è stato realizzato da molto) ci sarà scritto a caratteri cubitali. Esteticamente sono diversi il sincrono ha sicuramente dei regolatori elettronici di tensione e fattore di potenza montati o a bordo o in quadro nelle immediate vicinanze. Un asincrono è di fatto un grosso motore.
Un asincrono se non autoeccitato non può fare isola.
Il contatore bidirezionale va installato sempre quando c'è produzione indipendentemente se fa isola o meno.
Per la sezione di neutro (se c'è) valgono sempre le regole generali ovvero un minimo di 16mmq se non ci sono carichi squilibrati o armoniche ma attenzione anche alla taratura minima impostabile sull'interruttore di macchina affinchè il cavo di neutro sia protetto.
Il centro stella di solito si mette a terra quello del trasformatore se come mi sembra di capire dal tuo caso lo stesso alimenta altre utenze non direttamente connesse alla cog. Non entramnbi.
6 messaggi
• Pagina 1 di 1
Torna a Impianti, sicurezza e quadristica
Chi c’è in linea
Visitano il forum: Nessuno e 43 ospiti

Elettrotecnica e non solo (admin)
Un gatto tra gli elettroni (IsidoroKZ)
Esperienza e simulazioni (g.schgor)
Moleskine di un idraulico (RenzoDF)
Il Blog di ElectroYou (webmaster)
Idee microcontrollate (TardoFreak)
PICcoli grandi PICMicro (Paolino)
Il blog elettrico di carloc (carloc)
DirtEYblooog (dirtydeeds)
Di tutto... un po' (jordan20)
AK47 (lillo)
Esperienze elettroniche (marco438)
Telecomunicazioni musicali (clavicordo)
Automazione ed Elettronica (gustavo)
Direttive per la sicurezza (ErnestoCappelletti)
EYnfo dall'Alaska (mir)
Apriamo il quadro! (attilio)
H7-25 (asdf)
Passione Elettrica (massimob)
Elettroni a spasso (guidob)
Bloguerra (guerra)



