Ciao a tutti, ho bisogno di una mano. Ho trovato questo circuito che rappresenta un caricabatterie per caricare le batterie di un'auto elettrica. Innanzitutto vorrei chiedervi:
1- questo tipo di circuito potrebbe rappresentare anche un caricabatterie on board (cioè interno all'auto) oppure è utilizzabile solo per le stazioni di ricarica? Vi faccio questa domanda perché mi sembra di capire che ci sono due modi di ricarica: una in cui la "conversione" avviene fuori dall'auto e quindi nell'auto entra direttamente corrente dc per caricare le batterie oppure il secondo modo consiste nel far avvenire questa conversione all'interno dell'auto.
2- mi potreste spiegare il funzionamento di questo circuito? Vi allego sia un diagramma a blocchi che spiega sommariamente come funziona il circuito compresi i segnali di feedback e l'altra foto è un circuito che spiega più nel dettaglio il tutto. Avrei bisogno di aiuto per capire il funzionamento.
Grazie mille in anticipo
Caricatore per ricarica batterie auto elettriche
Moderatore:
6367
11 messaggi
• Pagina 1 di 2 • 1, 2
1
voti
1- direi di no, visto che è alimentato dalla trifase.
2- lo schema circuitale è comunque uno schema molto semplificato, quelli reali sono molto più complessi.
perché fai queste domande, cosa vuoi ottenere? Quali conoscenze hai?
Inizia a leggere questo articolo di
6367:
https://www.electroyou.it/6367/wiki/n-a
Entrare nel dettaglio dei tanti circuiti che compongono un sistema di ricarica è molto impegnativo, e non si fa certo su un forum, soprattutto in un 3d unico...
Anche tra i miei articoli trovi qualcosa di MOLTO SEMPLICE su gestione batterie e circuiti di controllo, dipende da cosa vuoi capire....
Ciao e .... benvenuto su EY!
2- lo schema circuitale è comunque uno schema molto semplificato, quelli reali sono molto più complessi.
perché fai queste domande, cosa vuoi ottenere? Quali conoscenze hai?
Inizia a leggere questo articolo di
https://www.electroyou.it/6367/wiki/n-a
Entrare nel dettaglio dei tanti circuiti che compongono un sistema di ricarica è molto impegnativo, e non si fa certo su un forum, soprattutto in un 3d unico...
Anche tra i miei articoli trovi qualcosa di MOLTO SEMPLICE su gestione batterie e circuiti di controllo, dipende da cosa vuoi capire....
Ciao e .... benvenuto su EY!
1
voti
1- perché un veicolo elettrico non può essere alimentato direttamente dalla trifase? Ho letto anche sull'articolo che mi hai consigliato che si può ("se un veicolo è predisposto per la ricarica trifase, può essere caricato anche da una stazione monofase, e viceversa, con una corrispondente riduzione della velocità con cui avviene la ricarica")
2- Mi servirebbe un circuito di un caricabatterie INTERNO ALL'AUTO abbastanza semplice da spiegare. Credi che quello che ti ho postato sia troppo semplicistico? la parte elettrica penso vada bene sommariamente, mentre il circuito di controllo è schematizzato a blocchi e potrebbe anche andarmi bene. Avresti degli altri esempi magari più realistici ma relativamente semplici? Sono uno studente del 3 anno di ingegneria elettrica quindi non saprei se ho le competenze per capire tutto.
2- Mi servirebbe un circuito di un caricabatterie INTERNO ALL'AUTO abbastanza semplice da spiegare. Credi che quello che ti ho postato sia troppo semplicistico? la parte elettrica penso vada bene sommariamente, mentre il circuito di controllo è schematizzato a blocchi e potrebbe anche andarmi bene. Avresti degli altri esempi magari più realistici ma relativamente semplici? Sono uno studente del 3 anno di ingegneria elettrica quindi non saprei se ho le competenze per capire tutto.
-

luigistraga
15 2 - Messaggi: 7
- Iscritto il: 2 ott 2018, 16:12
1
voti
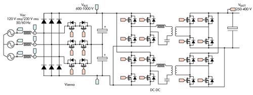
Quello che riesco a capire dal circuito è:
1-un raddrizzatore trifase rappresentato dai 6 diodi ( 3 nel semiponte superiore e 3 nel semiponte inferiore). Questo serve per convertire la corrente e la tensione da alternata (rete) a continua.
2- Poi immediatamente a valle avrei il PFC trifase? A cosa serve in generale?
3- Poi infine ancora a valle ho 4 chopper funzionanti nei 4 quadrati. In particolare 2 sono in parallelo a sinistra e poi isolati altri 2 in parallelo a destra. Isolati per far si che in caso di guasto (rottura degli switch) il danno non si propaghi al veicolo, in parallelo per aumentare la potenza, o per rindondanza, o tutti e due.
I chopper servirebbero per modificare il valore della corrente continua ottenuto in un valore diverso in base alla batteria dell'auto che si è collegata.
E' una spiegazione sbagliata? So che non è magari molto realistica, ma in generale un caricatore funziona in questo modo tralasciando il circuito di controllo?
1-un raddrizzatore trifase rappresentato dai 6 diodi ( 3 nel semiponte superiore e 3 nel semiponte inferiore). Questo serve per convertire la corrente e la tensione da alternata (rete) a continua.
2- Poi immediatamente a valle avrei il PFC trifase? A cosa serve in generale?
3- Poi infine ancora a valle ho 4 chopper funzionanti nei 4 quadrati. In particolare 2 sono in parallelo a sinistra e poi isolati altri 2 in parallelo a destra. Isolati per far si che in caso di guasto (rottura degli switch) il danno non si propaghi al veicolo, in parallelo per aumentare la potenza, o per rindondanza, o tutti e due.
I chopper servirebbero per modificare il valore della corrente continua ottenuto in un valore diverso in base alla batteria dell'auto che si è collegata.
E' una spiegazione sbagliata? So che non è magari molto realistica, ma in generale un caricatore funziona in questo modo tralasciando il circuito di controllo?
-

luigistraga
15 2 - Messaggi: 7
- Iscritto il: 2 ott 2018, 16:12
2
voti
Scusa Luigi, forse hai ragione sulla trifase, aspettiamo ti risponda 6367..
Io sulla mia macchina ho un caricabatterie a bordo di potenza limitata a 3 kW, quindi monofase e per giunta in "modo1", non sono molto aggiornato sulle altre modalità.
Ok sei studente, ma ti serve per cosa?
Non so cosa studiate, ma sicuramente dovresti avere le basi per capire i circuiti...io però non so dove trovarne, credo che quelli "reali" siano di fatto "segreti" per motivi di proprietà industriale.
Concettualmente il circuito monofase è un ac-dc converter, con una serie di ingressi e uscite per "dialogare" col BMS, il circuito che controlla e gestisce la carica.
Se ti mancano queste cognizioni guarda tra i miei articoli, l'elenco è qui:
https://www.electroyou.it/richiurci/wik ... i-articoli
niente schemi, ma trovi un po' di info "qualitative" su BMS e carica/scarica batterie in serie
Sui dettagli dei circuiti di potenza non ti posso aiutare granchè...sono un elettronico telecom
Io sulla mia macchina ho un caricabatterie a bordo di potenza limitata a 3 kW, quindi monofase e per giunta in "modo1", non sono molto aggiornato sulle altre modalità.
Ok sei studente, ma ti serve per cosa?
Non so cosa studiate, ma sicuramente dovresti avere le basi per capire i circuiti...io però non so dove trovarne, credo che quelli "reali" siano di fatto "segreti" per motivi di proprietà industriale.
Concettualmente il circuito monofase è un ac-dc converter, con una serie di ingressi e uscite per "dialogare" col BMS, il circuito che controlla e gestisce la carica.
Se ti mancano queste cognizioni guarda tra i miei articoli, l'elenco è qui:
https://www.electroyou.it/richiurci/wik ... i-articoli
niente schemi, ma trovi un po' di info "qualitative" su BMS e carica/scarica batterie in serie
Sui dettagli dei circuiti di potenza non ti posso aiutare granchè...sono un elettronico telecom
1
voti
ok grazie mille, aspetto la risposta di qualche altro
-

luigistraga
15 2 - Messaggi: 7
- Iscritto il: 2 ott 2018, 16:12
1
voti
Lo schema è abbastanza semplificato quindi si può applicare a caricabatteria a bordo o a terra.
Tuttavia mi sembra che alluda a un caricatore a bordo perché se fosse nella stazione di ricarica, a mio avviso, sarebbe messo in evidenza.
In Europa e in Cina esistono diverse auto che caricano in trifase (ma non tutte): Zoe, i3, Tesla, ecc, non c'è che l'imbarazzo della scelta.
Tuttavia mi sembra che alluda a un caricatore a bordo perché se fosse nella stazione di ricarica, a mio avviso, sarebbe messo in evidenza.
In Europa e in Cina esistono diverse auto che caricano in trifase (ma non tutte): Zoe, i3, Tesla, ecc, non c'è che l'imbarazzo della scelta.
0
voti
luigistraga ha scritto:Ciao a tutti, ho bisogno di una mano. Ho trovato questo circuito che rappresenta un caricabatterie per caricare le batterie di un'auto elettrica. Innanzitutto vorrei chiedervi:
1- questo tipo di circuito potrebbe rappresentare anche un caricabatterie on board (cioè interno all'auto)
Quello schema a blocchi puoi anche disgnarlo così:

Cioè l'intero circuito è dentro la macchina, dalla quale esce solo la presa trifase.
Questo per potenze di ricarica fino a 11 kW.
Oltre, il blocco "AC-DC supply" diventa talmente grosso, pesante e costoso che non conviene più montarlo in tutte le auto, ma piuttosto nelle singole colonnine, così si abbattono i costi (un solo AC/DC per tante auto), quindi puoi vedere lo schema così:

AC/DC: "trasformatore" da "Alternate Current" a "Direct Current" (corrente continua)
DC/DC: "trasformatore" da corrente continua a corrente continua, ma a tensioni diverse
La parte inferiore (MCU, PWM,...) è la logica di controllo che dialoga con la colonnina è impedisce la ricarica se non si verificano tutte le condizioni di sicurezza.
MCU = Micro Controller Unit
PWM = Pulse Width Modulation
CAN = CANbus
HMI = Human Machine Interface (=display)
Il discorso dei protocolli di sicurezza è molto lungo e complicato...
https://jumpjack.wordpress.com/2014/04/ ... lettriche/
-

LucaCassioli
476 2 4 - Stabilizzato

- Messaggi: 333
- Iscritto il: 26 apr 2016, 19:12
0
voti
LucaCassioli ha scritto:Cioè l'intero circuito è dentro la macchina, dalla quale esce solo la presa trifase.
Questo per potenze di ricarica fino a 11 kW.
Oltre, il blocco "AC-DC supply" diventa talmente grosso, pesante e costoso che non conviene più montarlo in tutte le auto, ma piuttosto nelle singole colonnine, così si abbattono i costi (un solo AC/DC per tante auto)
Oh, cielo, sul limite massimo della ricarica in AC la discussione non è così semplice.
Esistono diversi veicoli che caricano in AC sino a 22 kW, e qualcuno anche sino a 43 kW.
Altri, al contrario, promuovono l'AC sino a si e no 7 kW.
Insomma, esistono diversi punti di vista.
2
voti
LucaCassioli ha scritto:Il discorso dei protocolli di sicurezza è molto lungo e complicato...
https://jumpjack.wordpress.com/2014/04/ ... lettriche/
Questo link contiene qualche errore, e soprattutto l'invito a stamparsi da soli le prese, cosa che francamente non mi sembra opportuna.
11 messaggi
• Pagina 1 di 2 • 1, 2
Chi c’è in linea
Visitano il forum: Nessuno e 7 ospiti

Elettrotecnica e non solo (admin)
Un gatto tra gli elettroni (IsidoroKZ)
Esperienza e simulazioni (g.schgor)
Moleskine di un idraulico (RenzoDF)
Il Blog di ElectroYou (webmaster)
Idee microcontrollate (TardoFreak)
PICcoli grandi PICMicro (Paolino)
Il blog elettrico di carloc (carloc)
DirtEYblooog (dirtydeeds)
Di tutto... un po' (jordan20)
AK47 (lillo)
Esperienze elettroniche (marco438)
Telecomunicazioni musicali (clavicordo)
Automazione ed Elettronica (gustavo)
Direttive per la sicurezza (ErnestoCappelletti)
EYnfo dall'Alaska (mir)
Apriamo il quadro! (attilio)
H7-25 (asdf)
Passione Elettrica (massimob)
Elettroni a spasso (guidob)
Bloguerra (guerra)

