Salve,
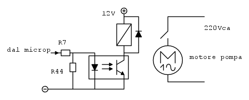
devo azionare per pochi secondi, una pompa a 230Vac con un microprocessore, che ne pensate di questa soluzione?
Azionamento pompa 230Vac
Moderatori:
carloc,
g.schgor,
BrunoValente,
IsidoroKZ
2 messaggi
• Pagina 1 di 1
0
voti
dei triac c'è poco da fidarsi,hanno un comportamento imprevedibile,a volte basta poco per farli intervenire senza essercene bisogno,forse sarebbe meglio utilizzare un relè:
2 messaggi
• Pagina 1 di 1
Chi c’è in linea
Visitano il forum: Nessuno e 57 ospiti

Elettrotecnica e non solo (admin)
Un gatto tra gli elettroni (IsidoroKZ)
Esperienza e simulazioni (g.schgor)
Moleskine di un idraulico (RenzoDF)
Il Blog di ElectroYou (webmaster)
Idee microcontrollate (TardoFreak)
PICcoli grandi PICMicro (Paolino)
Il blog elettrico di carloc (carloc)
DirtEYblooog (dirtydeeds)
Di tutto... un po' (jordan20)
AK47 (lillo)
Esperienze elettroniche (marco438)
Telecomunicazioni musicali (clavicordo)
Automazione ed Elettronica (gustavo)
Direttive per la sicurezza (ErnestoCappelletti)
EYnfo dall'Alaska (mir)
Apriamo il quadro! (attilio)
H7-25 (asdf)
Passione Elettrica (massimob)
Elettroni a spasso (guidob)
Bloguerra (guerra)



