Cos'è ElectroYou | Login Iscriviti

ElectroYou - la comunità dei professionisti del mondo elettrico

convertitore tensione>frequenza

Elettronica lineare e digitale: didattica ed applicazioni

Moderatori: Foto Utentecarloc, Foto Utenteg.schgor, Foto UtenteBrunoValente, Foto UtenteIsidoroKZ

0
voti

[1] convertitore tensione>frequenza

Messaggioda Foto UtenteMarcoD » 20 apr 2019, 17:01

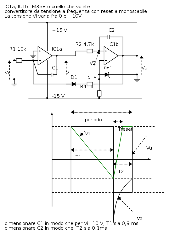
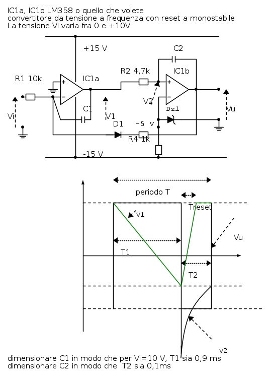
Pongo un quiz o un esercizio didattico a quelli bravi (nel senso di competenti) e di buona volonta :-) .
siete capaci :
0) a capire come funziona (o dovrebbe funzionare)
1) a dimensionare C1 in modo che per Vi = 10 V la frequenza in uscita sia di 1 kHz
2) individuare i valori numerici delle forme d'onda V1 ,V2, Vu
2) a simulare il tutto per vertificare il funzionamento (non è detto che funzioni)
3) magari a costruire (montare) il circuito su una breadboard per vefificare se effettivamente funziona
come progettato.
(Magari prima di montarlo discutiamo come semplifcarlo alimentandolo con una sola tensione)


Avatar utente
Foto UtenteMarcoD
12,2k 5 9 13
Master EY
Master EY
 
Messaggi: 6696
Iscritto il: 9 lug 2015, 16:58
Località: Torino

1
voti

[2] Re: convertitore tensione>frequenza

Messaggioda Foto Utenteelfo » 20 apr 2019, 17:46

Il tempo "t" "sporca" la linearita' V/F del circuito (al momento *non* spiego il motivo)
Il coefficiente di temperatura del circuito e' "cattivo" (al momento *non* spiego il motivo)

C'e' un articolo di XY che risponde *completamente* alle domande - ed oltre (ma non lo linko ora) :D

P.S.
Le domande hanno realmente solo uno scopo didattico?


Avatar utente
Foto Utenteelfo
6.819 4 5 7
G.Master EY
G.Master EY
 
Messaggi: 2828
Iscritto il: 15 lug 2016, 13:27

0
voti

[3] Re: convertitore tensione>frequenza

Messaggioda Foto UtenteMarcoD » 23 apr 2019, 11:09

Ho meditato le osservazioni di Foto Utenteelfo
Aggiungo ai punti del messaggio precedente:
Per valutare la linearità , calcolare il valore della frequenza per V1 = 0,5 V e V1=0,1 V

Inserisco anche il seguente circuito da studiare:
Funziona meglio del precedente?
(potrebbe anche non funzionare : la tensione sull'ingresso + dell IC2 scende al disotto del -15 V.
Come si potrebbe provvedere?)

Avatar utente
Foto UtenteMarcoD
12,2k 5 9 13
Master EY
Master EY
 
Messaggi: 6696
Iscritto il: 9 lug 2015, 16:58
Località: Torino

2
voti

[4] Re: convertitore tensione>frequenza

Messaggioda Foto UtenteTekonoris » 24 apr 2019, 7:56

Quiz non accettato :D , non sono tra quelli bravi. L'argomento però mi piace molto !!!

0): Carico il condensatore a corrente costante .
I_i=\frac{V_i}{R_1}
Quando raggiungo la Vref scarico attraverso D1 e R4.
Visto che il rapporto R1 / R4 è circa 10 dovrei avere 0,9 ms di carica e 0,1 ms di scarica...

1):
Piazzando un condensatore da 47nF ottengo circa 1kHz.
Considerando un tempo T1 di 0,9 ms uso la formula:
V_c = \frac{T_1 * V_x}{R_1 * C} = 19,15 V

Con la stessa formula ricavo il tempo T2 con R4 -> 0,09 ms -> 1010 Hz.

2):
In teoria V1 dovrebbe valere:
V_1 = -V_u^{+} * \frac{R_2}{R_3} = -7,05 V L'altro valore +7,05 V.
Vu vale un po meno di +15V / -15V. Dipende dall'op...
Da simulazione però non ottengo questa simmetria che in teoria il calcolo mi da...
Il tutto sembra dipendere dalla differenza tra R1 e R4.
Se impongo R4 = 7,5k ottengo questi valori con onda triangolare.

99):
Sicuramente ho detto un sacco di castronerie, ma così spero che "sveliate" l'arcano.
Prima o poi mi cimenterò anche al secondo circuito O_/
Allegati
Lt.PNG
Avatar utente
Foto UtenteTekonoris
313 3 9
Stabilizzato
Stabilizzato
 
Messaggi: 392
Iscritto il: 19 ott 2018, 10:31

0
voti

[5] Re: convertitore tensione>frequenza

Messaggioda Foto UtenteTekonoris » 24 apr 2019, 8:35

Stavo cercando e se non ho capito male:
A causa del repentino scarico la tensione V1 segue questa formula:

V_1 = V_ref - \frac{1}{C} * \left \lfloor \frac{V_i}{R_1} - \frac{V_u}{R_4} \right \rfloor

V_1 = -15 - \frac{1}{47 nF} * \left \lfloor \frac{10}{10k} - \frac{15}{1k} \right \rfloor = 11,8 V

V_1 = 11,8 - 19,15 = -7,34 V

Corretto ? quantomeno quadrerebbe con la simulazione...
:D
Avatar utente
Foto UtenteTekonoris
313 3 9
Stabilizzato
Stabilizzato
 
Messaggi: 392
Iscritto il: 19 ott 2018, 10:31

0
voti

[6] Re: convertitore tensione>frequenza

Messaggioda Foto UtenteIsidoroKZ » 24 apr 2019, 8:42

elfo ha scritto:C'e' un articolo di XY che risponde *completamente* alle domande - ed oltre (ma non lo linko ora) :D


Giacomino Guglielmi? :mrgreen:
Per usare proficuamente un simulatore, bisogna sapere molta più elettronica di lui
Plug it in - it works better!
Il 555 sta all'elettronica come Arduino all'informatica! (entrambi loro malgrado)
Se volete risposte rispondete a tutte le mie domande
Avatar utente
Foto UtenteIsidoroKZ
121,2k 1 3 8
G.Master EY
G.Master EY
 
Messaggi: 21059
Iscritto il: 17 ott 2009, 0:00

0
voti

[7] Re: convertitore tensione>frequenza

Messaggioda Foto UtenteMarcoD » 24 apr 2019, 9:08

V_1 = V_ref - \frac{1}{C} * \left \lfloor \frac{V_i}{R_1} - \frac{V_u}{R_4} \right \rfloor
V_1 = -15 - \frac{1}{47 nF} * \left \lfloor \frac{10}{10k} - \frac{15}{1k} \right \rfloor = 11,8 V
V_1 = 11,8 - 19,15 = -7,34 V
Mi pare che non sia corretto, manca la varabile tempo

Dal grafico, ricavo che V1 varia fra circa -8 V e circa +11 V
Penso che la rampa sale di più per la lentezza di Ic1b a commutare.
E' il bello della simulazione, che avendo un modello più complesso di quello ideale mette in evidenza
dei comportamenti differenti.

Prova a ripetere la simulazione con C1 10 volte maggiore, il tutto sarà 10 volte più lento e se il
mio ragionamento è corretto l'escursione della V1 dovrebbe essere più simmetrica.

Se impongo R4 = 7,5k ottengo questi valori con onda triangolare.

al posto di R4 1k ohm ?? Strano

Aumenta la risoluzione della scala in volt delle ordinate

Se puoi allega lo schema elettrico del circuito introdotto nel simulatore, che simulatore adoperi?
Vediamo se qualcuno, adoperando un altro simulatore, ottiene esattamente gli stessi risultati.
Avatar utente
Foto UtenteMarcoD
12,2k 5 9 13
Master EY
Master EY
 
Messaggi: 6696
Iscritto il: 9 lug 2015, 16:58
Località: Torino

0
voti

[8] Re: convertitore tensione>frequenza

Messaggioda Foto UtenteTekonoris » 24 apr 2019, 9:17

Si mi ero dimenticato il tempo nella scrittura della formula ...
Comunque variando la R4 non ottengo più valori corretti, quindi tempo sia sbagliato ...

in effetti aumentando C, questa differenza quasi si annulla, tornando ai valori calcolati prima.
Uso LTSpice.

:D
Avatar utente
Foto UtenteTekonoris
313 3 9
Stabilizzato
Stabilizzato
 
Messaggi: 392
Iscritto il: 19 ott 2018, 10:31

0
voti

[9] Re: convertitore tensione>frequenza

Messaggioda Foto UtenteMarcoD » 25 apr 2019, 9:15

Inserisco lo schema monotensione, rimane sempre un circuito dalle prestazioni mediocri.
Qualcuno vuole simularlo/provarlo?
Avatar utente
Foto UtenteMarcoD
12,2k 5 9 13
Master EY
Master EY
 
Messaggi: 6696
Iscritto il: 9 lug 2015, 16:58
Località: Torino

0
voti

[10] Re: convertitore tensione>frequenza

Messaggioda Foto UtenteMarcoD » 26 apr 2019, 20:34

Ancora una versione da investigare. :-)
Avatar utente
Foto UtenteMarcoD
12,2k 5 9 13
Master EY
Master EY
 
Messaggi: 6696
Iscritto il: 9 lug 2015, 16:58
Località: Torino

Prossimo

Torna a Elettronica generale

Chi c’è in linea

Visitano il forum: Nessuno e 39 ospiti