Alimentatore "due tensioni" con duplicatore-Funzionerebbe ?

Elettronica lineare e digitale: didattica ed applicazioni

Moderatori: Foto Utentecarloc, Foto Utenteg.schgor, Foto UtenteBrunoValente, Foto UtenteIsidoroKZ

Avatar utente
Foto UtenteKagliostro
6.401 4 5 7
Master
Master
Messaggi: 4837
Iscritto il: 19 set 2012, 11:32
0
voti

[1] Alimentatore "due tensioni" con duplicatore-Funzionerebbe ?

Messaggioda Foto UtenteKagliostro » 21 apr 2019, 21:34

Siate pazienti, sono diversi giorni che sto litigando con dei sassi (presenti in uno dei miei reni) che non vogliono saperne di darmi tregua

In un altro momento avrei sopperito alla mia carenza di teoria (leggasi ignoranza) semplicemente prendendo il saldatore e provando praticamente

----

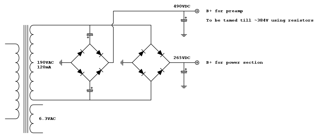
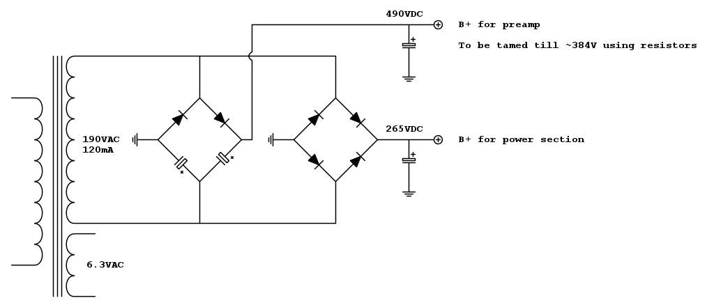
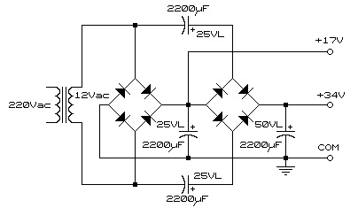
So che si possono ricavare diverse tensioni da un alimentatore dotato di un trasformatore con presa centrale collegata a massa, ma non so se sia possibile se il trasformatore non dispone di una presa centrale

Power Supply with Doubler 01.jpg


Power Supply with Doubler 02.jpg


Questa è la versione del circuito per cui chiedo un parere



Grazie

K

p.s.: OK, un minimo di chiarimento sull'uso
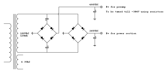
Non è infrequente che circuiti di amplificatori a valvole (per uso musicale) abbiano l'anodica attorno ai 450-500V per alimentare le valvole di potenza, tale tensione viene abbassata per alimentare le valvole della sezione preamplificatrice (nel caso della SLO da circa 490V a circa 385V)
Ora, volendo ricavare un amplificatore di potenza ridotta dallo stesso schema, si possono adottare valvole finali di piccola potenza che, molte volte, accettano un'anodica sui 250V
Per mantenere la stessa intonazione alla parte preamplificatrice è bene mantenere la tensione del circuito originale, quindi o si dispone di un trasformatore particolare o si può abbassare l'anodica per le finali con un circuito a mosfet
Visto che nel mio caso dispongo di qualche trasformatore in grado di fornire la tensione corretta per le piccole valvole finali pensavo se si poteva usare un circuito duplicatore per innalzare la tensione sino ad un valore dal quale poi poter ottenere quella necessaria per il preamplificatore tramite dei semplici filtri RC (vedi schema di partenza qui sotto) (ovviamente il salto al ribasso non è poco ma visto che tutto il pre consumerà circa 15mA ....)
SLO PS.jpg

Avatar utente
Foto UtenteAZZZ
256 1 5 6
CRU - Account cancellato su Richiesta utente
Messaggi: 620
Iscritto il: 4 mag 2018, 21:47
0
voti

[2] Re: Alimentatore "due tensioni" con duplicatore-Funzionerebb

Messaggioda Foto UtenteAZZZ » 21 apr 2019, 22:36

In sintesi, cos'è che vuoi e da cosa?

Avatar utente
Foto UtenteKagliostro
6.401 4 5 7
Master
Master
Messaggi: 4837
Iscritto il: 19 set 2012, 11:32
0
voti

[3] Re: Alimentatore "due tensioni" con duplicatore-Funzionerebb

Messaggioda Foto UtenteKagliostro » 21 apr 2019, 22:42

Ciao Foto UtenteAZZZ

mi servono due tensioni da un trasformatore con un unico secondario

nello specifico

~490V (che poi porto a ~385V su un consumo di 15mA)

e

~260V

Grazie

K

Avatar utente
Foto UtenteAZZZ
256 1 5 6
CRU - Account cancellato su Richiesta utente
Messaggi: 620
Iscritto il: 4 mag 2018, 21:47
0
voti

[4] Re: Alimentatore "due tensioni" con duplicatore-Funzionerebb

Messaggioda Foto UtenteAZZZ » 21 apr 2019, 22:51

~490V (che poi porto a ~385V su un consumo di 15mA)


questo che significa?

che trasformatore è?

Avatar utente
Foto UtenteKagliostro
6.401 4 5 7
Master
Master
Messaggi: 4837
Iscritto il: 19 set 2012, 11:32
0
voti

[5] Re: Alimentatore "due tensioni" con duplicatore-Funzionerebb

Messaggioda Foto UtenteKagliostro » 21 apr 2019, 22:55

il trasformatore è quello che vedi nello schema disegnato con FidocadJ che ho messo nel primo post

Forse ho trovato la soluzione qui

http://www.bunkerofdoom.com/lit/4x8/

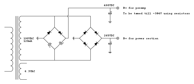
lo schema giusto dovrebbe essere questo

4x8_power_supplya.gif
4x8_power_supplya.gif (7.43 KiB) Visto 7401 volte


che ridisegnato, altrimenti faccio confusione nel leggerlo, dovrebbe, salvo errori, essere questo



Grazie

K

Avatar utente
Foto UtenteAZZZ
256 1 5 6
CRU - Account cancellato su Richiesta utente
Messaggi: 620
Iscritto il: 4 mag 2018, 21:47
0
voti

[6] Re: Alimentatore "due tensioni" con duplicatore-Funzionerebb

Messaggioda Foto UtenteAZZZ » 21 apr 2019, 23:06

il trasformatore è quello che vedi nello schema disegnato


Se queste sono le tue info... tanti saluti ed auguri! O_/

Avatar utente
Foto UtenteKagliostro
6.401 4 5 7
Master
Master
Messaggi: 4837
Iscritto il: 19 set 2012, 11:32
0
voti

[7] Re: Alimentatore "due tensioni" con duplicatore-Funzionerebb

Messaggioda Foto UtenteKagliostro » 21 apr 2019, 23:09

Cari saluti a te

se non ti basta sapere tensione, corrente ed uso (specificato nel primo post)

immagino che tu abbia qualche difficoltà di interpretazione che, purtroppo, non credo di essere in grado di sciogliere (almeno per il momento visti i dolori della colica renale)

O_/ O_/

Stammi bene e Buona Pasqua Foto UtenteAZZZ

K

Avatar utente
Foto UtenteKagliostro
6.401 4 5 7
Master
Master
Messaggi: 4837
Iscritto il: 19 set 2012, 11:32
0
voti

[8] Re: Alimentatore "due tensioni" con duplicatore-Funzionerebb

Messaggioda Foto UtenteKagliostro » 21 apr 2019, 23:24

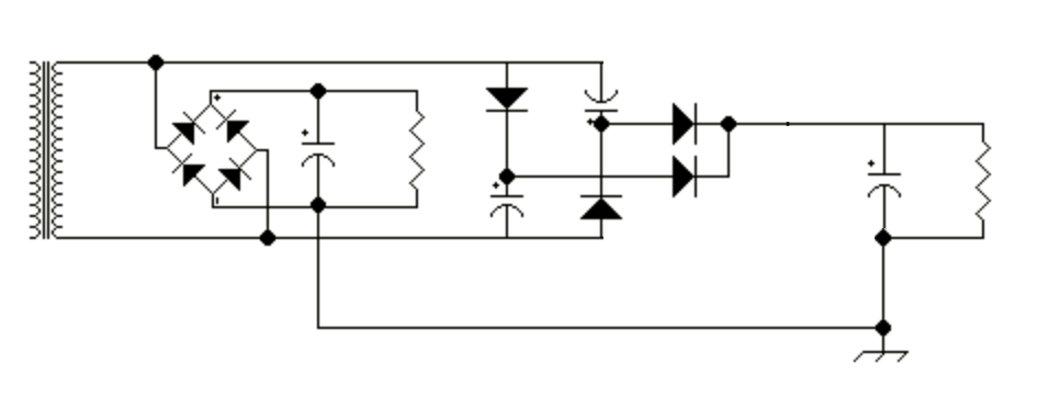
A questo punto sono ulteriormente confuso, ho trovato questo vecchio schemino di Crapella

http://www.webalice.it/crapellavittorio/electronic/duplica.htm

duplica.jpg
duplica.jpg (17.58 KiB) Visto 7385 volte


???????????????

K

Avatar utente
Foto Utentesetteali
11,9k 5 5 9
Master
Master
Messaggi: 5922
Iscritto il: 15 dic 2013, 20:09
Contatta:
1
voti

[9] Re: Alimentatore "due tensioni" con duplicatore-Funzionerebb

Messaggioda Foto Utentesetteali » 21 apr 2019, 23:33

In effetti era da un po' che non ti leggevo, ci stavo pensando in questi giorni, sento da te il problema che ti assilla e ti faccio tantissimi auguri, anche per una risoluzione veloce.

Per quanto riguarda il post, io non sono all'altezza di @AZZZ e nemmeno di valutare e trovare una risposta alla tua domanda, ma lo schema ultimo che hai messo in [ 5 ], mi sembra che possa fare quello che hai bisogno.
Pertanto tienilo di conto e appena puoi, provalo ! spero presto.

Tra l'altro è molto interessante e lavorando con circuiti valvolari, può senz'altro venire utile.
Alex
Alex
https://www.facebook.com/Elettronicaeelettrotecnica

<< vedi di pigliare arditamente in mano, il dizionario che ti suona in bocca,
se non altro è schietto e paesano.
(Giuseppe Giusti) <<

Avatar utente
Foto UtenteKagliostro
6.401 4 5 7
Master
Master
Messaggi: 4837
Iscritto il: 19 set 2012, 11:32
1
voti

[10] Re: Alimentatore "due tensioni" con duplicatore-Funzionerebb

Messaggioda Foto UtenteKagliostro » 21 apr 2019, 23:40

Ciao Foto Utentesetteali

Grazie per l'incoraggiamento e per il tuo parere

In effetti tra la ristrutturazione di casa che mi ha impegnato molto e la salute che da gennaio per una catena di accidenti che si stanno susseguendo mi fa dannare, è un bel po' che non postavo sul forum (a parte qualche lettura di thread al volo)

Buona Pasqua anche a te Alex

Franco


Torna a “Elettronica generale”