Mistero McIntosh (MA6100)

hi-fi, luci, suoni, effetti speciali, palcoscenici...

Moderatore: Foto UtenteIsidoroKZ

Avatar utente
Foto UtentePiercarlo
24,0k 6 11 13
G.Master EY
G.Master EY
Messaggi: 6724
Iscritto il: 30 mar 2010, 19:23
Località: Milano
0
voti

[1] Mistero McIntosh (MA6100)

Messaggioda Foto UtentePiercarlo » 14 mag 2019, 20:39

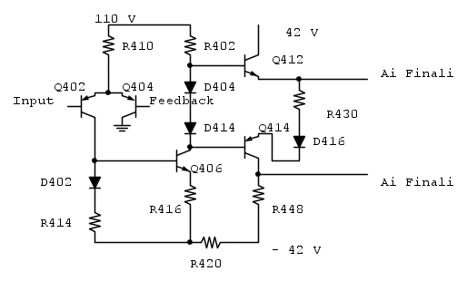
Buonasera a tutti. Scrivo perché non riesco a risolvere un guasto ad un canale di un vecchio amplificatore McIntosh MA6100 (1969 circa), nonostante abbia ormai sostituito quasi tutto il plausibilmente sostituibile. Lo schema, in formato LTSPICE è incluso come allegato. Nello schema i transistori non corrispondono a quelli reali, le cui sigle sono state contraffatte all'origine per impedirne la riparazione a personale non "autorizzato" (una prassi commerciale oggi illegale ma al tempo corrente). A parte questo, e nonostante l'omissione di alcuni dettagli secondari (allego comunque lo schema originale in pdf per completezza - in esso si possono notare anche quali componenti sono inclusi nelle schedine dei finali e quali no), il circuito è ragionevolmente fedele per ottenere simulazioni credibili.

L'amplificatore era già stato riparato in precedenza (forse un dieci-quindici anni fa), con la sostituzione dei finali originali con gli MJ15024, tra i pochi ancora disponibili in TO-3. Il nuovo guasto che mi han chiesto di riparare (distruzione dei piloti e dei transistori di protezione: Q408, Q410, Q412, Q414 del canale destro - vedi pdf - che sono stati sostituiti rispettivamente con BC337-16, BC327-16, BD441, BD442; per scrupolo è stato sostituito anche Q406 con un MJE340) si è verificato per motivi sconosciuti, che hanno bruciato i fusibili F404 ed F405 (da 5 ampere).

Una volta sostituiti i componenti guasti (incluse alcune resistenze del circuito di protezione "fumate" attorno ai transistori di protezione Q408 e Q410) i fusibili sono rimasti integri ma ahimè il circuito è rimasto guasto.
Al riguardo va segnalato che, scambiando tra loro le schedine dei due canali, migra anche il guasto, escludendo così tutti i componenti al di fuori di esse, inclusi i finali montati sui radiatori (non particolarmente generosi: solo il giusto che serve in un amplificatore da casa, oltretutto con le alimentazioni opportunamente "strozzate" dai condensatori di alimentazione - 3300+3300 uF a servire entrambi i canali - per evitare sovraccarichi e surriscaldamenti).

(fine prima parte del post - dopo cena la seconda)
Allegati
MA6100-OutStage.asc.zip
(1.66 KiB) Scaricato 393 volte
MA6100-OutStage.pdf
(665.28 KiB) Scaricato 496 volte

Avatar utente
Foto Utenteelfo
6.819 4 5 7
G.Master EY
G.Master EY
Messaggi: 2828
Iscritto il: 15 lug 2016, 13:27
0
voti

[2] Re: Mistero McIntosh (MA6100)

Messaggioda Foto Utenteelfo » 14 mag 2019, 21:04

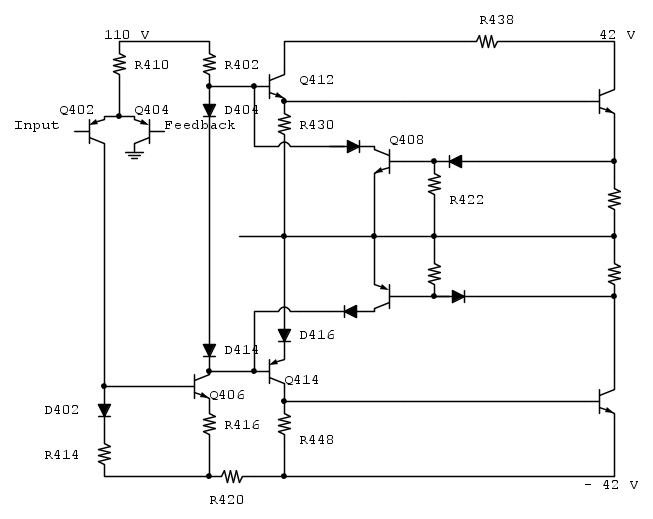
E questo lo schema (a parte le protezioni)?

Avatar utente
Foto UtentePiercarlo
24,0k 6 11 13
G.Master EY
G.Master EY
Messaggi: 6724
Iscritto il: 30 mar 2010, 19:23
Località: Milano
0
voti

[3] Re: Mistero McIntosh (MA6100)

Messaggioda Foto UtentePiercarlo » 14 mag 2019, 21:38

Il guasto "residuo" si manifesta come se funzionasse solo metà dello stadio di uscita (quello che lavora la semionda negativa) ma, come visto sull'oscilloscopio, solo a partire da una certa ampiezza del segnale. Così come si presenta, fa supporre che il pilota superiore (Q412, BD441) sia interdetto o interrotto ma la sua prima immediata sostituzione con un secondo esemplare non ha migliorato nulla, mentre il transistor smontato si è rivelato sano al controllo sia con un multimetro che con un apparecchietto dedicato (MK-328, una piccola e utile cineseria).
Per capire meglio la situazione è stato poi rimosso il transistor di protezione Q408 (BC337-16): l'effetto è stata l'immediata bruciatura di R422 (il cui valore, insieme a quello di R424, era stato portato a 47 ohm), indicando così che sia il pilota Q412, sia il finale che lo segue sono integri. Rimesso a posto Q408, l'amplificatore è ritornato nella condizione precedente di guasto senza però bruciare più nulla.

Vista la situazione, il sospettato numero uno sembrava essere il diodo D414 (in effetti un transistor connesso a diodo) che però, una volta smontato, si è dimostrato integro. Per scrupolo si è anche provato a sostituire questo diodo con un ponticello ma senza alcun risultato: il circuito continua a comportarsi come se il diodo non ci fosse. Non solo ma una volta riportato lo schema in LTSPICE, la rimozione del diodo non ha comportato effetti di sorta: a parte l'ovvia andata fuori registro di alcune tensioni continue, il circuito simulato riesce comunque a produrre sull'uscita una sinusoide ragionevolmente indistorta, cosa che nella realtà non avviene affatto.

Rimesso al suo posto il diodo, il circuito reale è stato spinto a livelli elevati di uscita (almeno nel limite del possibile) permettendo di rilevare che mentre la semionda inferiore aumenta di livello fino a squadrare (e anche a risvegliare delle sacche di auto-oscillazione sulla cima squadrata), la semionda superiore si ferma a circa una decina di volt, distorcendosi e appiattendosi ma senza arrivare a squadrare.
Inoltre si è potuto rilevare un marcato "effetto-pompa" (interdizione e ripresa periodica del segnale in intervalli di poco meno di un secondo), che mi ha indotto a cambiare i condensatori elettrolitici della schedina (in special modo quelli di accoppiamento) senza però ottenere alcun miglioramento,
Buon ultimo, il circuito di crowbar a TRIAC posto sull'uscita (una protezione contro la corrente continua in uscita) è stato temporaneamente rimosso senza però conseguire alcun risultato.

A questo punto non mi resta che lasciare la parola ad altri più capaci...

Grazie per la pazienza di avermi seguito fin qui.

Avatar utente
Foto UtentePiercarlo
24,0k 6 11 13
G.Master EY
G.Master EY
Messaggi: 6724
Iscritto il: 30 mar 2010, 19:23
Località: Milano
0
voti

[4] Re: Mistero McIntosh (MA6100)

Messaggioda Foto UtentePiercarlo » 14 mag 2019, 22:20

elfo ha scritto:E questo lo schema (a parte le protezioni)?


R430 e D416 non sono in serie tra loro. D416 è una delle prime versioni del diodo di Baxandall (in effetti un suo precursore).

Avatar utente
Foto Utenteelfo
6.819 4 5 7
G.Master EY
G.Master EY
Messaggi: 2828
Iscritto il: 15 lug 2016, 13:27
0
voti

[5] Re: Mistero McIntosh (MA6100)

Messaggioda Foto Utenteelfo » 14 mag 2019, 22:34

Le tensioni statiche del circuito come stanno?

Avatar utente
Foto UtentePiercarlo
24,0k 6 11 13
G.Master EY
G.Master EY
Messaggi: 6724
Iscritto il: 30 mar 2010, 19:23
Località: Milano
0
voti

[6] Re: Mistero McIntosh (MA6100)

Messaggioda Foto UtentePiercarlo » 14 mag 2019, 22:41

impossibili da misurare per problemi logistici; non vi è comunque continua in uscita. In ogni caso i problemi emergono solo in presenza di segnale.

Avatar utente
Foto Utenteelfo
6.819 4 5 7
G.Master EY
G.Master EY
Messaggi: 2828
Iscritto il: 15 lug 2016, 13:27
0
voti

[7] Re: Mistero McIntosh (MA6100)

Messaggioda Foto Utenteelfo » 14 mag 2019, 22:45

Piercarlo ha scritto:Per capire meglio la situazione è stato poi rimosso il transistor di protezione Q408 (BC337-16): l'effetto è stata l'immediata bruciatura di R422


E perche' dovrebbe bruciarsi R422 se rimuovo Q408?

Dovresti trovare un modo di "tirar fuori" la scheda per misurare le tensioni senno' la vedo "buia" cambiando pezzi "a caso".

Puoi postare una foto di tutto l'ambaradan?

Avatar utente
Foto UtentePiercarlo
24,0k 6 11 13
G.Master EY
G.Master EY
Messaggi: 6724
Iscritto il: 30 mar 2010, 19:23
Località: Milano
0
voti

[8] Re: Mistero McIntosh (MA6100)

Messaggioda Foto UtentePiercarlo » 14 mag 2019, 23:00

Tutto quello che ho fatto l'ho scritto. l'amplificatore non è mio e ora si trova a Roma. Quanto ai perché prova a trovarli: io ho solo raccontato quel che è successo. Ho rimosso Q408 ed R422 è fumata. All'istante.

Per dirla tutta non è un indovinello da salotto o da bar: ci ho perso due giorni di viaggio e una di lavoro. Le abbiamo tentate tutte (eravamo in due) e non "tirando fuori pezzi a caso". E, ripeto, tutto quello che avevo da riferire l'ho riferito; per tutto il resto dovrete pensarci su da soli, se vi interessa. Altri elementi non mi è possibile fornirli in alcun modo, mi spiace.

Avatar utente
Foto Utenteelfo
6.819 4 5 7
G.Master EY
G.Master EY
Messaggi: 2828
Iscritto il: 15 lug 2016, 13:27
0
voti

[9] Re: Mistero McIntosh (MA6100)

Messaggioda Foto Utenteelfo » 15 mag 2019, 8:03

elfo ha scritto:
Piercarlo ha scritto:è stato poi rimosso il transistor di protezione Q408 (BC337-16): l'effetto è stata l'immediata bruciatura di R422 (il cui valore, insieme a quello di R424, era stato portato a 47 ohm), indicando così che sia il pilota Q412, sia il finale che lo segue sono integri. Rimesso a posto Q408,
[cut]
Ho rimosso Q408 ed R422 è fumata. All'istante.
[cut]
non "tirando fuori pezzi a caso

Keywords:
[leone da tastiera (elfo) :( ]
[col senno di poi...]

Qui sotto lo schema "corretto" (spero) con il diodo Baxandall al posto "giusto" e le protezioni - in particolare R422 e Q408 - inserite e senza i condensatori che si suppongono OK.

E' da chiedersi da dove viene e dove va la corrente che fa "fumare all'istante" R422 con Q408 rimosso.

L' "a caso" deriva dal fatto che (leone..., senno...) io non avrei rimontato Q408 finche' non avessi capito il perche' R422 "fuma".

P.S. R422 fuma con uscita amplificatore a vuoto (carico staccato)?

Avatar utente
Foto UtentePiercarlo
24,0k 6 11 13
G.Master EY
G.Master EY
Messaggi: 6724
Iscritto il: 30 mar 2010, 19:23
Località: Milano
0
voti

[10] Re: Mistero McIntosh (MA6100)

Messaggioda Foto UtentePiercarlo » 15 mag 2019, 8:54

Ti stai perdendo in un bicchiere d'acqua. R422 che fuma (senza carico) con Q408 rimoxsso è solo il sintomo, non iil problema.


Torna a “Elettronica e spettacolo”