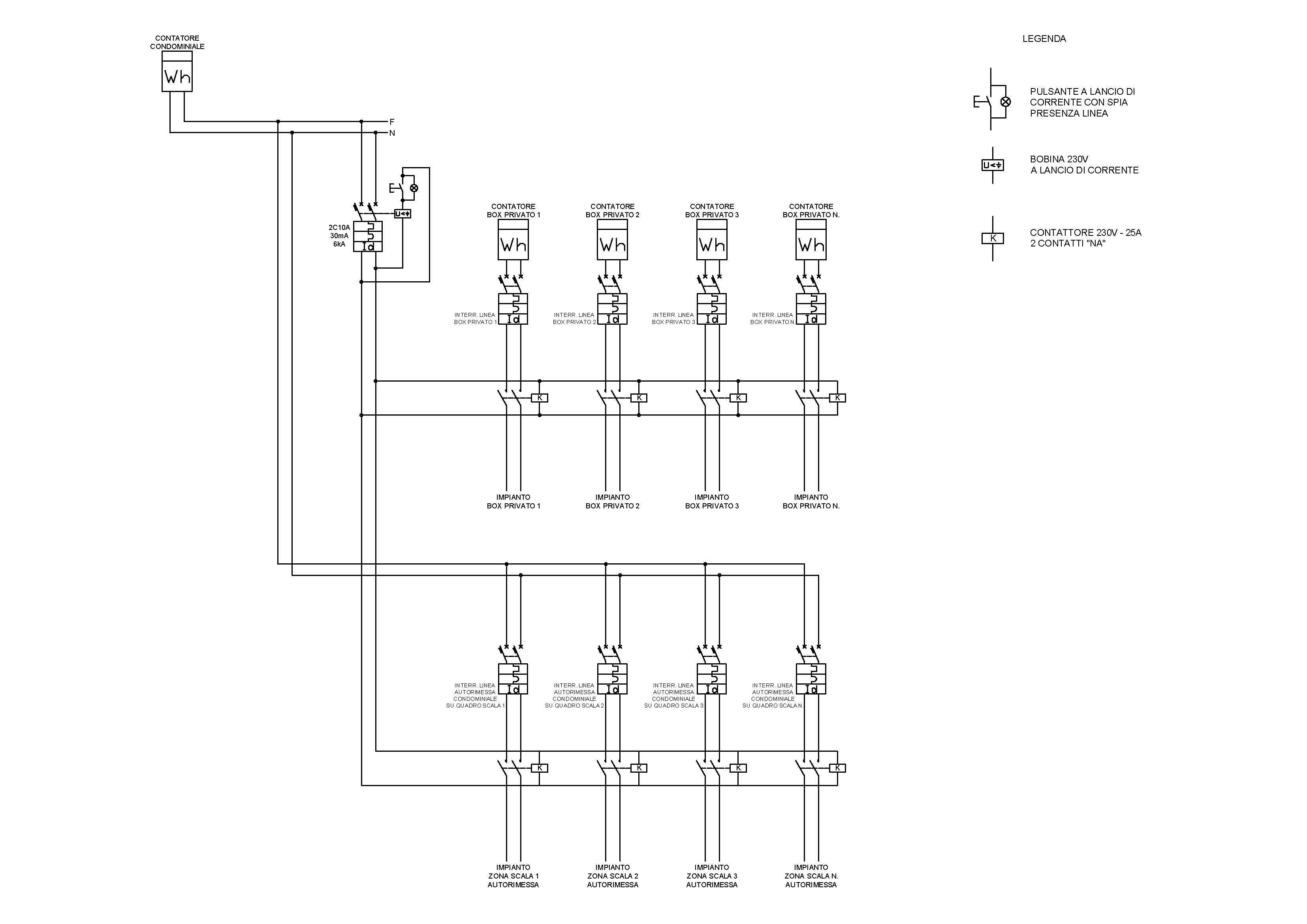
Salve oggi mi sono trovato in una autorimessa questo impianto per lo sgancio di emergenza che sotto schematizzo.
In sintesi ci sono 2 rampe una di ingresso e una di uscita ognuna con il suo pulsante a lancio che agiscono sulla bobina a lancio sull'interruttore generale linea box sul quadro condominiale e fin qui tutto bene, il problema che alcuni box sono alimentati anche dai contatori privati perché ci hanno messo dentro delle prese elettriche e quando si fa intervenire uno dei pulsanti questo fa scattare la bobina a lancio sul quadro condominiale e contemporaneamente scattano anche le bobine a lancio dei sotto contatori privati, lo strano che se tento a riarmare la bobina sul quadro condominiale prima di ripristinare il pulsante, questa giustamente non sta su, mentre se faccio lo stesso sulle bobine dei privati queste si riarmano e non capisco onestamente come possano essere state collegate per potersi riarmare senza che il pulsante sia ripristinato.
Qualcuno sa darmi un'ipotesi?
Ultimo dubbio vedendo lo schema di collegamento delle bobine a lancio della bticino si vede che al pulsante portano il neutro ma che io sappia bisogna portare la fase anche perché se no la spia al neon non si accenderebbe, però se sugli schemi Bticino riportano questo qualche dubbio mi è venuto
Ringrazio in anticipo
Sgancio emergenza autorimessa 2
Moderatori:
sebago,
MASSIMO-G,
lillo,
Mike
14 messaggi
• Pagina 1 di 2 • 1, 2
0
voti
Ipotizzo... perché le bobine di sgancio a lancio dei vari utenti privati sono alimentate sotto lo stesso interruttore a monte del condominio quindi quando questo è aperto non c'è più tensione sulle bobine "a valle".
Infatti nello schema la spia non è indicata quindi non è tenuta in considerazione. Il modello di bobina è superato forse lo è anche lo schema che hai allegato.
Infatti nello schema la spia non è indicata quindi non è tenuta in considerazione. Il modello di bobina è superato forse lo è anche lo schema che hai allegato.
0
voti
Grazie della risposta Crit, la logica che hai dato delle alimentazioni delle bobine dei privati sotto l'interruttore generale box è quella che penso anch'io però ti riporto la cosa strana che avevo notato e scritto sul mio post iniziale che mi fa avere dei dubbi sulla ns teoria iniziale
"lo strano che se tento a riarmare la bobina sul quadro condominiale prima di ripristinare il pulsante, questa giustamente non sta su, mentre se faccio lo stesso sulle bobine dei privati queste si riarmano e non capisco onestamente come possano essere state collegate per potersi riarmare senza che il pulsante sia ripristinato"
Cioè se le bobine private sono alimentate dal generale box e questo è aperto in quanto fatto scattare dal pulsante, come possono riarmarsi con l'interruttore generale box ancora aperto ?
Poi se le riarmo e ancora con il pulsante non ripristinato, tento a tirar su il generale box condominiale, questo scatta giù subito ma a il tempo di andare in chiusura e farmi scattare di nuovo le bobine dei privati ...è un mistero come sono state collegate !!!!
"lo strano che se tento a riarmare la bobina sul quadro condominiale prima di ripristinare il pulsante, questa giustamente non sta su, mentre se faccio lo stesso sulle bobine dei privati queste si riarmano e non capisco onestamente come possano essere state collegate per potersi riarmare senza che il pulsante sia ripristinato"
Cioè se le bobine private sono alimentate dal generale box e questo è aperto in quanto fatto scattare dal pulsante, come possono riarmarsi con l'interruttore generale box ancora aperto ?
Poi se le riarmo e ancora con il pulsante non ripristinato, tento a tirar su il generale box condominiale, questo scatta giù subito ma a il tempo di andare in chiusura e farmi scattare di nuovo le bobine dei privati ...è un mistero come sono state collegate !!!!
0
voti
Secondo me se apri i quadri trovi altro
La saggezza non può essere trasmessa. La saggezza che un saggio tenta di trasmettere suona sempre simile alla follia.
Hermann Hesse - Siddharta
Hermann Hesse - Siddharta
0
voti
E' un'idea; se non apri però non ne vieni a capo (naturalmente più bobine a lancio comandate da un unico pulsante non sono a norma, a meno che non ci sia un sistema tipo punto zero).
La saggezza non può essere trasmessa. La saggezza che un saggio tenta di trasmettere suona sempre simile alla follia.
Hermann Hesse - Siddharta
Hermann Hesse - Siddharta
0
voti
Hai ragione Rosino e per questo ho chiesto il supporto del manutentore del condomino in modo che mi faccia vedere come gira il fumo anche perché sono 4 scale e svariate bobine da comandare
Detto questo dal tuo schema vedo, come tra l'altro indica Bticino, che al pulsante gli porti il neutro ma io ho sempre visto la fase con la lampadina, quelle rare volte che la mettono, "shuntata" sul pulsante, nello schema invece si ha l'obbligo di portare oltre la fase usata per la lampadina anche il neutro per il di comando del pulsante.
Ora la domanda sorge spontanea: Se porto solo la fase al pulsante e shunto la spia va bene lo stesso?
Ultima cosa, sotto ho riportato il tuo schema con in rosso lo stato dei contatti quando la bobina a lancio è armata, come vedi quando è armata la lampadina ha la fase diretta da un lato ma dall'altro ha un circuito aperto (1) e mi chiedo come possa accendersi.
Dov'è che sbaglio?
Grazie in anticipo
Detto questo dal tuo schema vedo, come tra l'altro indica Bticino, che al pulsante gli porti il neutro ma io ho sempre visto la fase con la lampadina, quelle rare volte che la mettono, "shuntata" sul pulsante, nello schema invece si ha l'obbligo di portare oltre la fase usata per la lampadina anche il neutro per il di comando del pulsante.
Ora la domanda sorge spontanea: Se porto solo la fase al pulsante e shunto la spia va bene lo stesso?
Ultima cosa, sotto ho riportato il tuo schema con in rosso lo stato dei contatti quando la bobina a lancio è armata, come vedi quando è armata la lampadina ha la fase diretta da un lato ma dall'altro ha un circuito aperto (1) e mi chiedo come possa accendersi.
Dov'è che sbaglio?
Grazie in anticipo
0
voti
Rieccomi
mi sono perso come al solito.
Dallo schema che hai messo tu però tutte le bobine sottoposte al generale dovrebbero essere di minima allora. Confermi?
mi sono perso come al solito.
Dallo schema che hai messo tu però tutte le bobine sottoposte al generale dovrebbero essere di minima allora. Confermi?
La saggezza non può essere trasmessa. La saggezza che un saggio tenta di trasmettere suona sempre simile alla follia.
Hermann Hesse - Siddharta
Hermann Hesse - Siddharta
0
voti
Si corretto sono di minima e onestamente non mi piace perché il primo temporale che mi causa un mini black out mi tira giù tutte le bobine e chi ha il congelatore nel box ed è in vacanza si trova al rientro un bel disastro.
Opterei che i circuiti dei box privati non abbiano una bobina che apre l'interruttore ma un contattore a valle dell'interruttore box che si apre se gli manca tensione e chiude quando ritorna tensione, in questo modo i black out aprono il contattore ma lo stesso al ritorno di Enel si riarma da solo stesso dicasi se agisco sul pulsante di emergenza... che dici?
Perdonami ma il tuo schema non mi sembra a norma infatti nello schema alla fine tu hai la certezza di presenza linea sul circuito di sgancio perché lavori su unica bobina a lancio ma poi la certezza sulle linee delle n. bobine sempre a lancio degli ipotetici n. box non ce l'hai, con il rischio che se una di queste viene tagliata tu non lo saprai mai e quando deve funzionare non sgancia nulla.
Sbaglio ?
Vorrei proprio arrivare ad un dunque perché di ste maledette situazioni nelle autorimesse ne trovo a iosa
Grazie
ciao
Opterei che i circuiti dei box privati non abbiano una bobina che apre l'interruttore ma un contattore a valle dell'interruttore box che si apre se gli manca tensione e chiude quando ritorna tensione, in questo modo i black out aprono il contattore ma lo stesso al ritorno di Enel si riarma da solo stesso dicasi se agisco sul pulsante di emergenza... che dici?
Perdonami ma il tuo schema non mi sembra a norma infatti nello schema alla fine tu hai la certezza di presenza linea sul circuito di sgancio perché lavori su unica bobina a lancio ma poi la certezza sulle linee delle n. bobine sempre a lancio degli ipotetici n. box non ce l'hai, con il rischio che se una di queste viene tagliata tu non lo saprai mai e quando deve funzionare non sgancia nulla.
Sbaglio ?
Vorrei proprio arrivare ad un dunque perché di ste maledette situazioni nelle autorimesse ne trovo a iosa
Grazie
ciao
0
voti
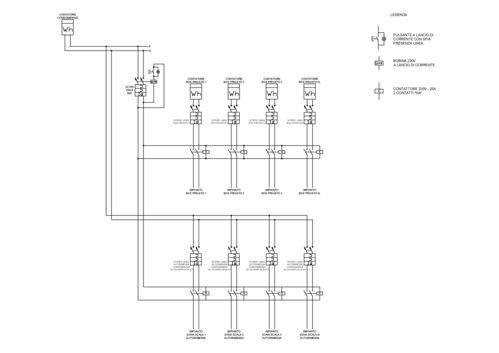
Posto lo schema definitivo.
Così il controllo linea sul sistema a lancio è funzionante ed inoltre se ho dei piccoli black out non ho l'incubo che gli interruttori dei vari box privati restino aperti.............. con il benestare dei condomini.
Aspetto vs. considerazioni
Grazie
Così il controllo linea sul sistema a lancio è funzionante ed inoltre se ho dei piccoli black out non ho l'incubo che gli interruttori dei vari box privati restino aperti.............. con il benestare dei condomini.
Aspetto vs. considerazioni
Grazie
14 messaggi
• Pagina 1 di 2 • 1, 2
Torna a Impianti, sicurezza e quadristica
Chi c’è in linea
Visitano il forum: Google [Bot] e 70 ospiti

Elettrotecnica e non solo (admin)
Un gatto tra gli elettroni (IsidoroKZ)
Esperienza e simulazioni (g.schgor)
Moleskine di un idraulico (RenzoDF)
Il Blog di ElectroYou (webmaster)
Idee microcontrollate (TardoFreak)
PICcoli grandi PICMicro (Paolino)
Il blog elettrico di carloc (carloc)
DirtEYblooog (dirtydeeds)
Di tutto... un po' (jordan20)
AK47 (lillo)
Esperienze elettroniche (marco438)
Telecomunicazioni musicali (clavicordo)
Automazione ed Elettronica (gustavo)
Direttive per la sicurezza (ErnestoCappelletti)
EYnfo dall'Alaska (mir)
Apriamo il quadro! (attilio)
H7-25 (asdf)
Passione Elettrica (massimob)
Elettroni a spasso (guidob)
Bloguerra (guerra)




