salve a tutti, ho provato questo circuito ma il transistor è andato a fuoco!!!
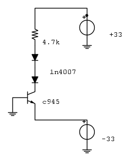
Il circuito è il seguente:
qui il datasheet del transistor
http://www.ges.cz/sheets/2/2sc945.pdf
Dalla simulazione fatta con Multisim
avrei dovuto avere una Ic di circa 11 mA, e una Vce di circa 9v, dal datasheet si può vedere che la ic max è di 150mA e che la Vce max è di 50 V.
chi mi aiuta a capire come mai si è bruciato i transistor? grazie a tutti.
transistor bruciato
Moderatori:
carloc,
g.schgor,
BrunoValente,
IsidoroKZ
15 messaggi
• Pagina 1 di 2 • 1, 2
0
voti
oppure... da datasheet leggo che Vebo massima non deve andare oltre i +5V, nel tuo schema anche girando i poli del generatore in basso hai comunque superato abbondantemente i limiti sopportabili dalla giunzione B-E.
-

AZZZ
256 1 5 6 - CRU - Account cancellato su Richiesta utente
- Messaggi: 620
- Iscritto il: 4 mag 2018, 21:47
0
voti
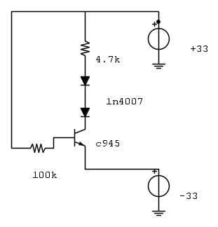
Ok grazie, ho fatto delle modifiche al circuito.
praticamente ora ho (sempre con valori di simulazione)
Vcb di circa -0.7v
Vce di circa 0v
Veb di circa -0.7v
ho una vbe di circa 0.7v quindi il transistor è in zona lineare giusto?
praticamente ora ho (sempre con valori di simulazione)
Vcb di circa -0.7v
Vce di circa 0v
Veb di circa -0.7v
ho una vbe di circa 0.7v quindi il transistor è in zona lineare giusto?
1
voti
Oddio, così su due piedi non so se adesso è in zona lineare, devi calcolare la corrente di base e di conseguenza la corrente di collettore in base alla hfe dichiarata dal datasheet... intanto fammici pensare e intanto tu ricalcola questi valori (e non fidarti dei simulatori, usa piuttosto carta+penna+calcolatrice+cervello
)
-

AZZZ
256 1 5 6 - CRU - Account cancellato su Richiesta utente
- Messaggi: 620
- Iscritto il: 4 mag 2018, 21:47
0
voti
intanto mi sto studiando il datasheet che hai linkato, notando quanto segue:
" VCEO Collector-Emitter Voltage 50 V "
E' pur vero che stai polarizzando la base con una corrente di circa 0.65mA ottenendo tra le ipotesi più estreme di hfe dichiarata in base al modello del transistor una corrente di collettore dai 46mA fino a 460mA teorici... controlla anche tu.
" VCEO Collector-Emitter Voltage 50 V "
E' pur vero che stai polarizzando la base con una corrente di circa 0.65mA ottenendo tra le ipotesi più estreme di hfe dichiarata in base al modello del transistor una corrente di collettore dai 46mA fino a 460mA teorici... controlla anche tu.
-

AZZZ
256 1 5 6 - CRU - Account cancellato su Richiesta utente
- Messaggi: 620
- Iscritto il: 4 mag 2018, 21:47
0
voti
Conti alla mano, quel transistor è in saturazione! Il carico che hai messo nella migliore delle ipotesi fa scorrere quasi 14mA, quindi anche la hfe più bassa dovrebbe garantire la saturazione e una Vce prossima a 0V
-

AZZZ
256 1 5 6 - CRU - Account cancellato su Richiesta utente
- Messaggi: 620
- Iscritto il: 4 mag 2018, 21:47
0
voti
ciao, si in effetti quel circuito era una prova che volevo fare.... il mio intento è realizzare questo amplificatore audio
http://sound.whsites.net/project03.htm
lo schema è quello della prima immagine, non voglio solo copiarlo, ma voglio calcolarmi tutti i valori di corrente tensione ecc... sto già iniziando a farmi qualche calcolo che poi posterò in questa pagina in modo che voi mi possiate dire se sto facendo bene oppure no!
http://sound.whsites.net/project03.htm
lo schema è quello della prima immagine, non voglio solo copiarlo, ma voglio calcolarmi tutti i valori di corrente tensione ecc... sto già iniziando a farmi qualche calcolo che poi posterò in questa pagina in modo che voi mi possiate dire se sto facendo bene oppure no!
15 messaggi
• Pagina 1 di 2 • 1, 2
Chi c’è in linea
Visitano il forum: Nessuno e 58 ospiti

Elettrotecnica e non solo (admin)
Un gatto tra gli elettroni (IsidoroKZ)
Esperienza e simulazioni (g.schgor)
Moleskine di un idraulico (RenzoDF)
Il Blog di ElectroYou (webmaster)
Idee microcontrollate (TardoFreak)
PICcoli grandi PICMicro (Paolino)
Il blog elettrico di carloc (carloc)
DirtEYblooog (dirtydeeds)
Di tutto... un po' (jordan20)
AK47 (lillo)
Esperienze elettroniche (marco438)
Telecomunicazioni musicali (clavicordo)
Automazione ed Elettronica (gustavo)
Direttive per la sicurezza (ErnestoCappelletti)
EYnfo dall'Alaska (mir)
Apriamo il quadro! (attilio)
H7-25 (asdf)
Passione Elettrica (massimob)
Elettroni a spasso (guidob)
Bloguerra (guerra)






