Buongiorno a tutti,
qualcuno qui ha esperienza di riparazioni di lettori CD?
Ho un Kenwood DP-1050 del 1992 che da qualche tempo non funziona correttamente. I dischi vengono correttamente riconosciuti e girano nel lettore, ma il segnale audio in uscita è una costellazione di rumori che nulla ha a che fare con quello che c'è nel CD letto... Sembrano dei "burst" di grande ampiezza all'oscilloscopio e mi paiono correlati con la rotazione del disco.
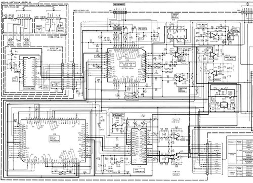
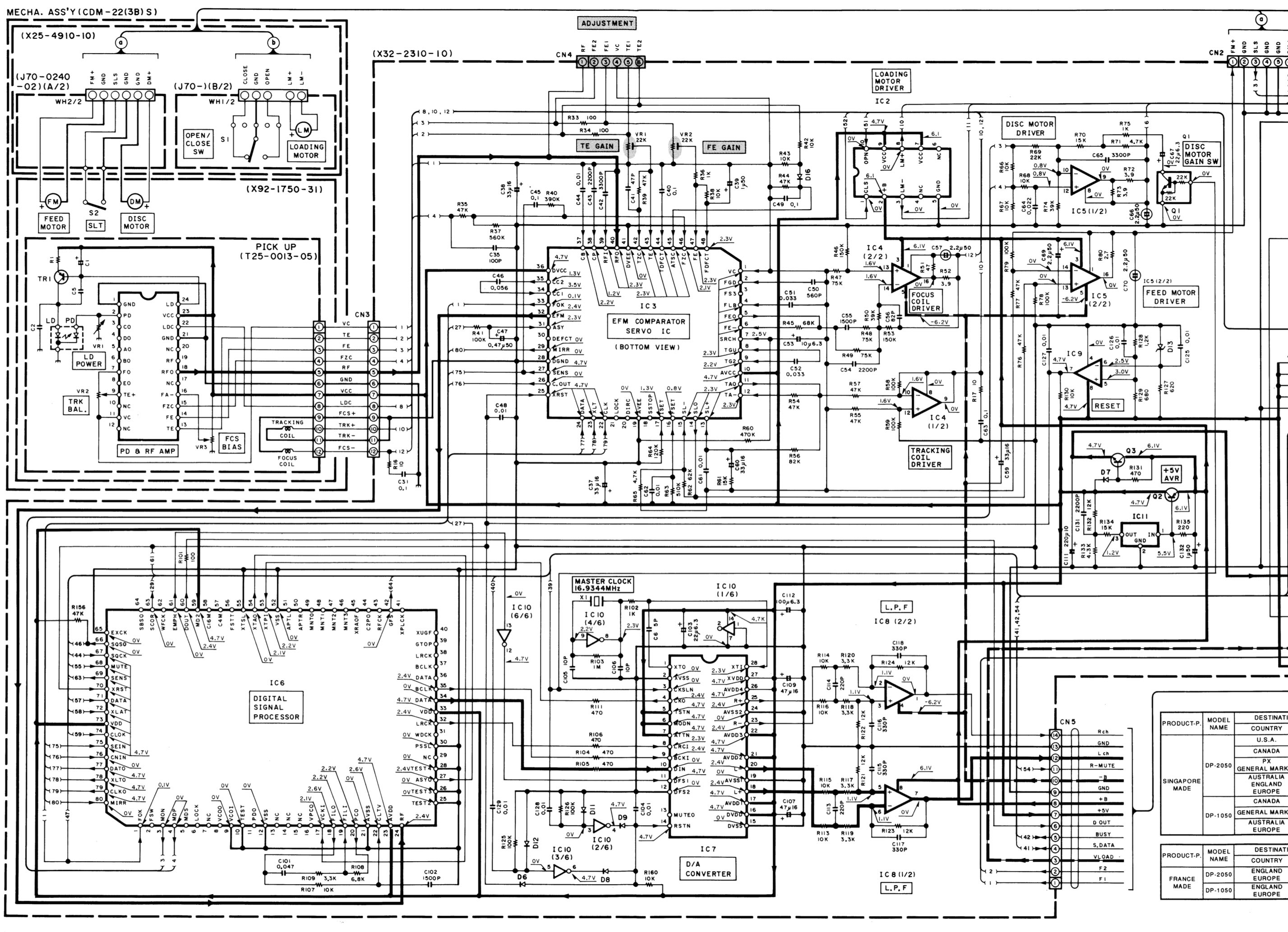
Ho recuperato il service manual, nonché i datasheet dei principali integrati (CXA1372Q, CXD2500AQ, etc), nonché qualche informazione sul pickup (KSS240A). La meccanica mi sembra a posto, le alimentazioni pure.
Ho provato molte cose, ho notato che il piedino C2PO del CXD2500AQ va a 0V molto spesso in contemporanea con i "burst". Un'altra cosa che ho notato è che il segnale RF all'uscita del pickup è un po' deboluccio perché è dalle parti di 0,6V picco/picco mentre dovrebbe essere dalle parti di 1V picco/picco.
Se qualcuno avesse esperienza di queste cose e volesse darmi qualche dritta, posso dilungarmi e mostrare misure, oscillogrammi, etc...
Riparazione lettore CD Kenwood DP-1050
16 messaggi
• Pagina 1 di 2 • 1, 2
1
voti
Bisogna girare intorno al motivo per cui l'uscita del pjck-up è debole. Un livello insufficiente del segnale impedisce al decoder di squadrarlo correttamente, invalidandone il contenuto.
0
voti
Grazie
Piercarlo!
E' quello che pensavo anch'io, ci sono delle regolazioni sul pickup (EF balance, Focus bias, Laser power, vedi per esemipio https://console5.com/wiki/KSS-240A ) e due sulla scheda che tratta il segnale (TE gain, FE gain). Ecco la situazione iniziale misurata sul mio circuito:
Ecco il diagramma riportato sul service manual:
Una procedura per EF balance dovrebbe essere di mettere il lettore in pausa e regolare il trimmer sul pickup per avere un segnale di errore TE che fa un "salto" simmetrico https://www.diyaudio.com/forums/digital ... ost3581905
Ho dato un'occhiata e mi pare che il segnale non fosse male, anche cambiando un po' la posizione del potenziometro tendo a ritornare su quella iniziale. L'ampiezza del diagramma d'occhio non cambia in maniera sostanziale, ma se il pickup è sregolato l'occhio collassa di colpo.
Ho regolato anche il Focus bias sul pickup e sostanzialmente anche lì la migliore soluzione è praticamente coincidente con la regolazione di fabbrica.
Ho notato che il diagramma cambia d'ampiezza regolando la potenza del laser, ma sono stato molto attento a non andare oltre alla regolazione iniziale perché so per esperienza diretta che con i laser a semiconduttore non è bene giocare con la potenza in uscita senza misurarla.
I potenziometri TE Gain e FE Gain non hanno incidenza visibile sull'ampiezza del diagramma ad occhio ma lo fanno collassare se sono molto sregolati. Anche lì dopo qualche tentativo sono ritornato alla posizione iniziale...
La lente mi sembra pulita ed ho dato un colpetto di aria compressa (molto gentile) per scongiurare eventuale presenza di polvere, senza nessun cambiamento.
Ho sostituito parecchi condensatori elettrolitici là dove mi pareva potessero avere un'incidenza, casomai la loro ESR si fosse deteriorata negli anni. Lo schema elettrico riporta molte tensioni DC misurate probabilmente con il lettore in pausa, ma non ho trovato nulla di significativamente diverso da quanto indicato. Riporto qui di seguito la porzione significativa dello schema.
E' quello che pensavo anch'io, ci sono delle regolazioni sul pickup (EF balance, Focus bias, Laser power, vedi per esemipio https://console5.com/wiki/KSS-240A ) e due sulla scheda che tratta il segnale (TE gain, FE gain). Ecco la situazione iniziale misurata sul mio circuito:
Ecco il diagramma riportato sul service manual:
Una procedura per EF balance dovrebbe essere di mettere il lettore in pausa e regolare il trimmer sul pickup per avere un segnale di errore TE che fa un "salto" simmetrico https://www.diyaudio.com/forums/digital ... ost3581905
Ho dato un'occhiata e mi pare che il segnale non fosse male, anche cambiando un po' la posizione del potenziometro tendo a ritornare su quella iniziale. L'ampiezza del diagramma d'occhio non cambia in maniera sostanziale, ma se il pickup è sregolato l'occhio collassa di colpo.
Ho regolato anche il Focus bias sul pickup e sostanzialmente anche lì la migliore soluzione è praticamente coincidente con la regolazione di fabbrica.
Ho notato che il diagramma cambia d'ampiezza regolando la potenza del laser, ma sono stato molto attento a non andare oltre alla regolazione iniziale perché so per esperienza diretta che con i laser a semiconduttore non è bene giocare con la potenza in uscita senza misurarla.
I potenziometri TE Gain e FE Gain non hanno incidenza visibile sull'ampiezza del diagramma ad occhio ma lo fanno collassare se sono molto sregolati. Anche lì dopo qualche tentativo sono ritornato alla posizione iniziale...
La lente mi sembra pulita ed ho dato un colpetto di aria compressa (molto gentile) per scongiurare eventuale presenza di polvere, senza nessun cambiamento.
Ho sostituito parecchi condensatori elettrolitici là dove mi pareva potessero avere un'incidenza, casomai la loro ESR si fosse deteriorata negli anni. Lo schema elettrico riporta molte tensioni DC misurate probabilmente con il lettore in pausa, ma non ho trovato nulla di significativamente diverso da quanto indicato. Riporto qui di seguito la porzione significativa dello schema.
Follow me on Mastodon: @davbucci@mastodon.sdf.org
-

DarwinNE
31,0k 7 11 13 - G.Master EY

- Messaggi: 4420
- Iscritto il: 18 apr 2010, 9:32
- Località: Grenoble - France
0
voti
Allora, per vedere se è un problema di pickup, ho fatto una prova prendendo dei rischi, perché è potenzialmente distruttiva.
Ho aumentato la potenza del laser per avere un diagramma ad occhio di quasi 1V di ampiezza picco/picco, che è quello che normalmente ci si aspetta dal pickup. Il risultato non cambia affatto!
Oltretutto, il diagramma ad occhio è ben aperto anche a 0,6V di ampiezza, non penso che ci sia un problema da quel punto di vista. Semmai c'è un po' di jitter, ma anche il diagramma originale mostra una traccia un po' "spessa".
Ho rimesso la potenza così com'era regolata di fabbrica.
Ho aumentato la potenza del laser per avere un diagramma ad occhio di quasi 1V di ampiezza picco/picco, che è quello che normalmente ci si aspetta dal pickup. Il risultato non cambia affatto!
Oltretutto, il diagramma ad occhio è ben aperto anche a 0,6V di ampiezza, non penso che ci sia un problema da quel punto di vista. Semmai c'è un po' di jitter, ma anche il diagramma originale mostra una traccia un po' "spessa".
Ho rimesso la potenza così com'era regolata di fabbrica.
Follow me on Mastodon: @davbucci@mastodon.sdf.org
-

DarwinNE
31,0k 7 11 13 - G.Master EY

- Messaggi: 4420
- Iscritto il: 18 apr 2010, 9:32
- Località: Grenoble - France
0
voti
DarwinNE ha scritto:Sembrano dei "burst" di grande ampiezza all'oscilloscopio e mi paiono correlati con la rotazione del disco.
Mi correggo: non sono correlati con la rotazione del disco, ma con gli impulsi che sono mandati al motorino che imprime la rotazione al disco per accelerarlo (con cadenza abbastanza variabile, ma multipla di un qualcosa dalle parti di un 25 ms). In effetti, c'è una perturbazione dell'alimentazione a +/-6,2V che è sincrona con questi impulsi.
Però, chi controlla gli impulsi è il processore di segnale CXD2500 e lui è alimentato da una tensione a 4,7V molto stabile.
Oltretutto, se freno leggermente il motore con un dito, gli impulsi diventano un segnale continuo e la perturbazione sulle alimentazioni sparisce, senza per questo far cambiare nulla sui disturbi.
Sembrerebbero legati ad una qualche costante di tempo con cui il CXD2500 calcola diverse cose, fra cui se la velocità del motore va corretta. Peccato che il datasheet dell'integrato sia abbastanza oscuro...
Follow me on Mastodon: @davbucci@mastodon.sdf.org
-

DarwinNE
31,0k 7 11 13 - G.Master EY

- Messaggi: 4420
- Iscritto il: 18 apr 2010, 9:32
- Località: Grenoble - France
1
voti
Vi è la possibilità che si sia depositato dello sporco non sulla lente ma proprio sui fotodiodi che stanno sotto ad essa. Ci va una discreta dose di sfiga perché si arrivi a questo ma poiché solitamente i lettori CD non sono usati in ambienti sterili, può succedere...
Gli impulsi che vanno al motorino sono regolati dal flusso di dati; e sono tanto più fitti quanto più la traccia da riprodurre è vicina al centro del disco. Tieni conto poi che tutto l'ambaradan regola anche il movimento della testina del pick-up: basta che ci sia un impedimento al suo scorrere fluido lungo i binari e la macchina comincia a dare i numeri.
Gli impulsi che vanno al motorino sono regolati dal flusso di dati; e sono tanto più fitti quanto più la traccia da riprodurre è vicina al centro del disco. Tieni conto poi che tutto l'ambaradan regola anche il movimento della testina del pick-up: basta che ci sia un impedimento al suo scorrere fluido lungo i binari e la macchina comincia a dare i numeri.
0
voti
In effetti, ci avevo pensato, però anche portando il livello del segnale a livelli "legali" aumentando la potenza del laser (e prendendo rischi di bruciarlo), ho visto che la situazione non cambia minimamente. 
Follow me on Mastodon: @davbucci@mastodon.sdf.org
-

DarwinNE
31,0k 7 11 13 - G.Master EY

- Messaggi: 4420
- Iscritto il: 18 apr 2010, 9:32
- Località: Grenoble - France
1
voti
Ok, per quello che mi viene dalla mia non grandissima esperienza (ho la brutta abitudine di incazzarmi quando quesi aggeggi "insistono" con i problemi... ti lascio immaginare cosa succede dopo) i problemi provengono quasi sempre da due fonti: 1) sporco e 2) usure varie della meccanica. I guasti genuinamente elettronici sono abbastanza rari.
0
voti
Anch'io ho esperienza di problemi meccanici in passato... solo che in questo lettore non trovo nulla di chiaro che non vada bene
E' l'occasione per studiare un po'
E' l'occasione per studiare un po'
Follow me on Mastodon: @davbucci@mastodon.sdf.org
-

DarwinNE
31,0k 7 11 13 - G.Master EY

- Messaggi: 4420
- Iscritto il: 18 apr 2010, 9:32
- Località: Grenoble - France
1
voti
Però a volte mi è capitato di sostituire il gruppo laser e se funzionava, mi sono dato da fare a smontare il vecchio , non per ripararlo, per conoscerlo, ho riscontrato che in molti casi è sporco lo specchio a 45° che c'è all'interno, c'è proprio una leggera patina di sporco, anche ostica da togliere.
Non so se con questa patina , aumentando la corrente del laser si ottiene un risultato migliore, credo che il raggio si spezzetti e quindi addio lettura.
E' interessante comunque seguirti
Alex
Alex
https://www.facebook.com/Elettronicaeelettrotecnica
<< vedi di pigliare arditamente in mano, il dizionario che ti suona in bocca,
se non altro è schietto e paesano.
(Giuseppe Giusti) <<
https://www.facebook.com/Elettronicaeelettrotecnica
<< vedi di pigliare arditamente in mano, il dizionario che ti suona in bocca,
se non altro è schietto e paesano.
(Giuseppe Giusti) <<
16 messaggi
• Pagina 1 di 2 • 1, 2
Torna a Costruzione, riparazione, riutilizzo
Chi c’è in linea
Visitano il forum: Nessuno e 6 ospiti

Elettrotecnica e non solo (admin)
Un gatto tra gli elettroni (IsidoroKZ)
Esperienza e simulazioni (g.schgor)
Moleskine di un idraulico (RenzoDF)
Il Blog di ElectroYou (webmaster)
Idee microcontrollate (TardoFreak)
PICcoli grandi PICMicro (Paolino)
Il blog elettrico di carloc (carloc)
DirtEYblooog (dirtydeeds)
Di tutto... un po' (jordan20)
AK47 (lillo)
Esperienze elettroniche (marco438)
Telecomunicazioni musicali (clavicordo)
Automazione ed Elettronica (gustavo)
Direttive per la sicurezza (ErnestoCappelletti)
EYnfo dall'Alaska (mir)
Apriamo il quadro! (attilio)
H7-25 (asdf)
Passione Elettrica (massimob)
Elettroni a spasso (guidob)
Bloguerra (guerra)

