Sto facendo un po di esperimenti sul pilotaggio di motori con ponte H.
Nel caso specifico, dopo un po di test base, per un progetto alimentato a batterie (2xAA) e con un ESP8266 mi occorrerebbe pilotare un motore DC a 3V e che in condizioni di normale funzionamento col suo gearbox assorbe circa 12mA.
Sto quindi cercando di capire come scegliere opportunamente i transistor (o mosfet? non so neanch'io cosa mi convenga in questo caso) ma ho un po di confusione.
Escludendo i valori di potenza e corrente massima che sono semplici da capire, a cosa devo prestare attenzione?
Ad esempio per i mosfet i parametri da controllare sono Vgs (che deve essere abbastanza bassa da usare i 3V su source) e RdsON. Per i transistor invece?
Ponte H per motorino 3V (12mA): che mosfet/transistor usare?
Moderatori:
carloc,
g.schgor,
BrunoValente,
IsidoroKZ
8 messaggi
• Pagina 1 di 1
0
voti
Trova casoi peggiore:
Prova ad alimentare a 3 V il motorino tenendolo bloccato. quanto assorbe ?
Dimensiona transistor e FET almeno per il doppio della corrente /tensione massima.
forse fet con Vgs ON di solo 3 V non li trovi.
Una pila 9V non va bene ?
Cerca driver L298N,
per esempio:
https://www.lombardoandrea.com/l298n-motore-dc-arduino/
Prova ad alimentare a 3 V il motorino tenendolo bloccato. quanto assorbe ?
Dimensiona transistor e FET almeno per il doppio della corrente /tensione massima.
forse fet con Vgs ON di solo 3 V non li trovi.
Una pila 9V non va bene ?
Cerca driver L298N,
per esempio:
https://www.lombardoandrea.com/l298n-motore-dc-arduino/
0
voti
No, purtroppo mi serve quella configurazione li con 2xAA, quindi 3V.
La corrente di stallo sale a circa 30mA.
A casa ho alcuni BC547 e BC557, potrebbero andare come transistor per fare qualche test?
In questo caso facendo due conti al volo possibile che la Rb venga intorno a 20K?
La corrente di stallo sale a circa 30mA.
A casa ho alcuni BC547 e BC557, potrebbero andare come transistor per fare qualche test?
In questo caso facendo due conti al volo possibile che la Rb venga intorno a 20K?
0
voti
Per potenze così ridotte va bene praticamente qualsiasi cosa: se ti va di saldare, collega quattro transistor a ponte e sei a posto. Non dimenticare quattro diodi veloci verso i rami di massa e d'alimentazione!
Volendo fare i raffinati, esistono driver appositi, come ad esempio quelli per i motorini vibranti degli Smartphone, ma andiamo su roba SMD spinta.
Volendo fare i raffinati, esistono driver appositi, come ad esempio quelli per i motorini vibranti degli Smartphone, ma andiamo su roba SMD spinta.
Alberto.
0
voti
Presumo vadano bene.
Anni fa avevo usato BC327 PNP, BC337 NPN per un ponte ad H alimentato a 5V.
Forse 20 k sono altini...
Supponi Ic max = Istallo 100 mA,
beta 50
Ibase = 100/50 = 2 mA
Se Vcomando 5 V : (5 -0,6)/2 mA = 2200 ohm resistenza in base.
Anni fa avevo usato BC327 PNP, BC337 NPN per un ponte ad H alimentato a 5V.
Forse 20 k sono altini...
Supponi Ic max = Istallo 100 mA,
beta 50
Ibase = 100/50 = 2 mA
Se Vcomando 5 V : (5 -0,6)/2 mA = 2200 ohm resistenza in base.
0
voti
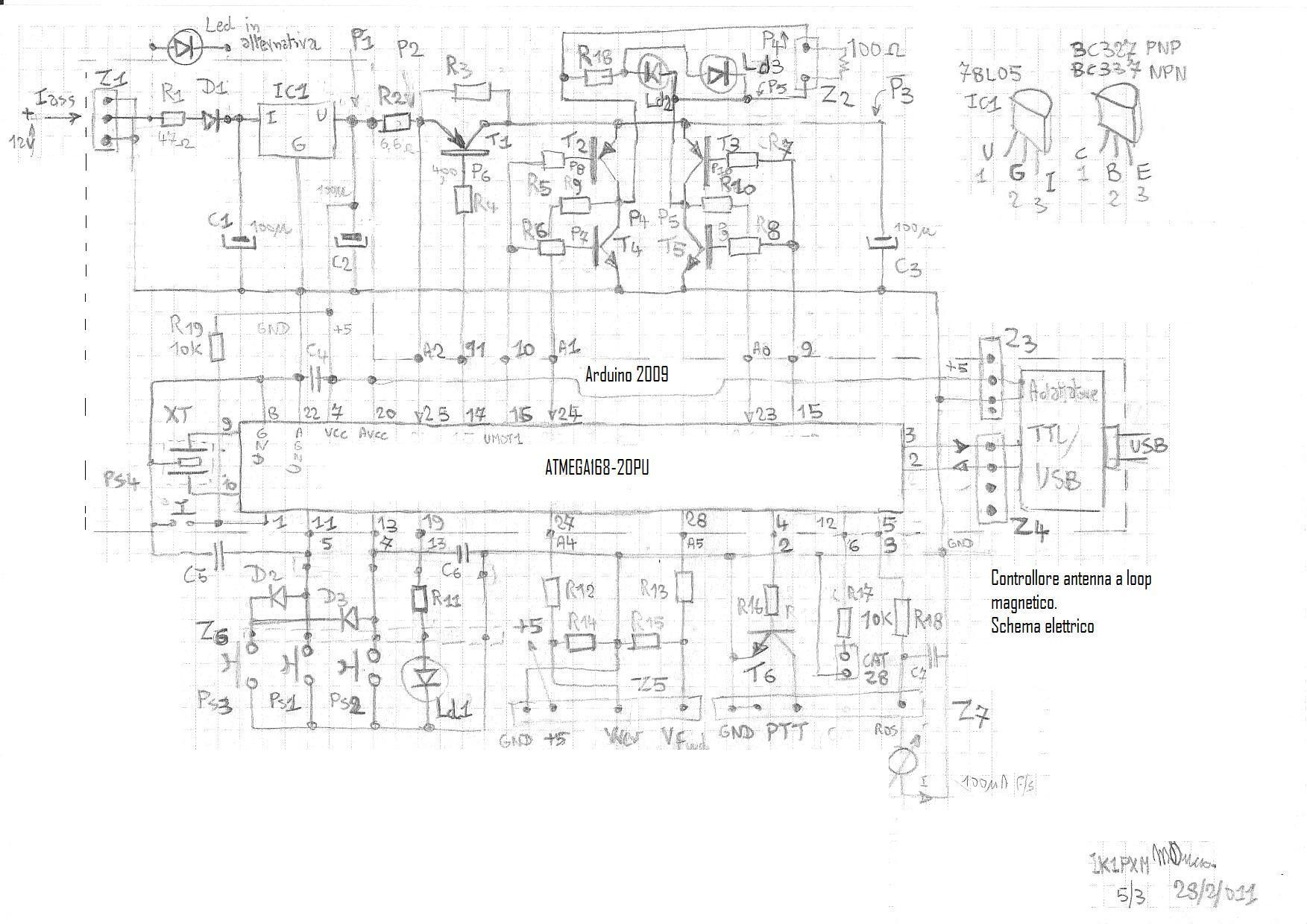
se può servire da riferimento.
Allego un vecchio schema, funzionava. Azionava motorino 12 V a 5V riducibili a 3 con R in serie.
Allego un vecchio schema, funzionava. Azionava motorino 12 V a 5V riducibili a 3 con R in serie.
0
voti
MarcoD ha scritto:Presumo vadano bene.
Anni fa avevo usato BC327 PNP, BC337 NPN per un ponte ad H alimentato a 5V.
Forse 20 k sono altini...
Supponi Ic max = Istallo 100 mA,
beta 50
Ibase = 100/50 = 2 mA
Se Vcomando 5 V : (5 -0,6)/2 mA = 2200 ohm resistenza in base.
L'alimentazione sarebbe a 3V quindi la Rb = 1.2K, corretto?
Altra cosa: per l'ESP8266 la corrente massima di un pin è 12mA e direi che nel caso sopra Ib è sotto tale valore.
Però non capisco la formula che hai usato per dimensionare (beta fissato a 50, io usavo Hfe media presa dal datasheet invece).
PS: da qualche parte avevo anche letto che per saturare un transistor Ib = Ic / 10 ma se la corrente su C non è fissa come si usa quella formula?
Chiedo scusa ma sul dimensionamento dei transistor ho sempre avuto abbastanza confusione
0
voti
L'alimentazione sarebbe a 3V quindi la Rb = 1.2K, corretto?
Altra cosa: per l'ESP8266 la corrente massima di un pin è 12mA e direi che nel caso sopra Ib è sotto tale valore.
Ma meno assorbi meglio è.
Poi, forse, se più pin erogano 12 mA, il limite si abbassa.
Però non capisco la formula che hai usato per dimensionare (beta fissato a 50, io usavo Hfe media presa dal datasheet invece). Quanto ti risulta ?
Ma meglio adoperare la Hfe di saturazione, o quasi saturazione 20, 50 ? Cosa dice il data sheet?
PS: da qualche parte avevo anche letto che per saturare un transistor Ib = Ic / 10 mA se la corrente su C non è fissa come si usa quella formula?
si dovrebbe adoperare il beta più sfavorevole ( più basso)
Potresti anche fare delle misure su un transistor: Imposti la I collettore massima (Valim/Rc), vari la corrente di base e misuri la Vce, attento a non farlo dissipare troppo !
Alle volte il progetto è come una coperta corta
,:
se ti copri troppo da una parte , ti scopri dall'altra
Altra cosa: per l'ESP8266 la corrente massima di un pin è 12mA e direi che nel caso sopra Ib è sotto tale valore.
Ma meno assorbi meglio è.Poi, forse, se più pin erogano 12 mA, il limite si abbassa.
Però non capisco la formula che hai usato per dimensionare (beta fissato a 50, io usavo Hfe media presa dal datasheet invece). Quanto ti risulta ?
Ma meglio adoperare la Hfe di saturazione, o quasi saturazione 20, 50 ? Cosa dice il data sheet?PS: da qualche parte avevo anche letto che per saturare un transistor Ib = Ic / 10 mA se la corrente su C non è fissa come si usa quella formula?
si dovrebbe adoperare il beta più sfavorevole ( più basso)
Potresti anche fare delle misure su un transistor: Imposti la I collettore massima (Valim/Rc), vari la corrente di base e misuri la Vce, attento a non farlo dissipare troppo !
Alle volte il progetto è come una coperta corta
se ti copri troppo da una parte , ti scopri dall'altra
8 messaggi
• Pagina 1 di 1
Chi c’è in linea
Visitano il forum: Google [Bot] e 207 ospiti

Elettrotecnica e non solo (admin)
Un gatto tra gli elettroni (IsidoroKZ)
Esperienza e simulazioni (g.schgor)
Moleskine di un idraulico (RenzoDF)
Il Blog di ElectroYou (webmaster)
Idee microcontrollate (TardoFreak)
PICcoli grandi PICMicro (Paolino)
Il blog elettrico di carloc (carloc)
DirtEYblooog (dirtydeeds)
Di tutto... un po' (jordan20)
AK47 (lillo)
Esperienze elettroniche (marco438)
Telecomunicazioni musicali (clavicordo)
Automazione ed Elettronica (gustavo)
Direttive per la sicurezza (ErnestoCappelletti)
EYnfo dall'Alaska (mir)
Apriamo il quadro! (attilio)
H7-25 (asdf)
Passione Elettrica (massimob)
Elettroni a spasso (guidob)
Bloguerra (guerra)




