Salve a Tutti.
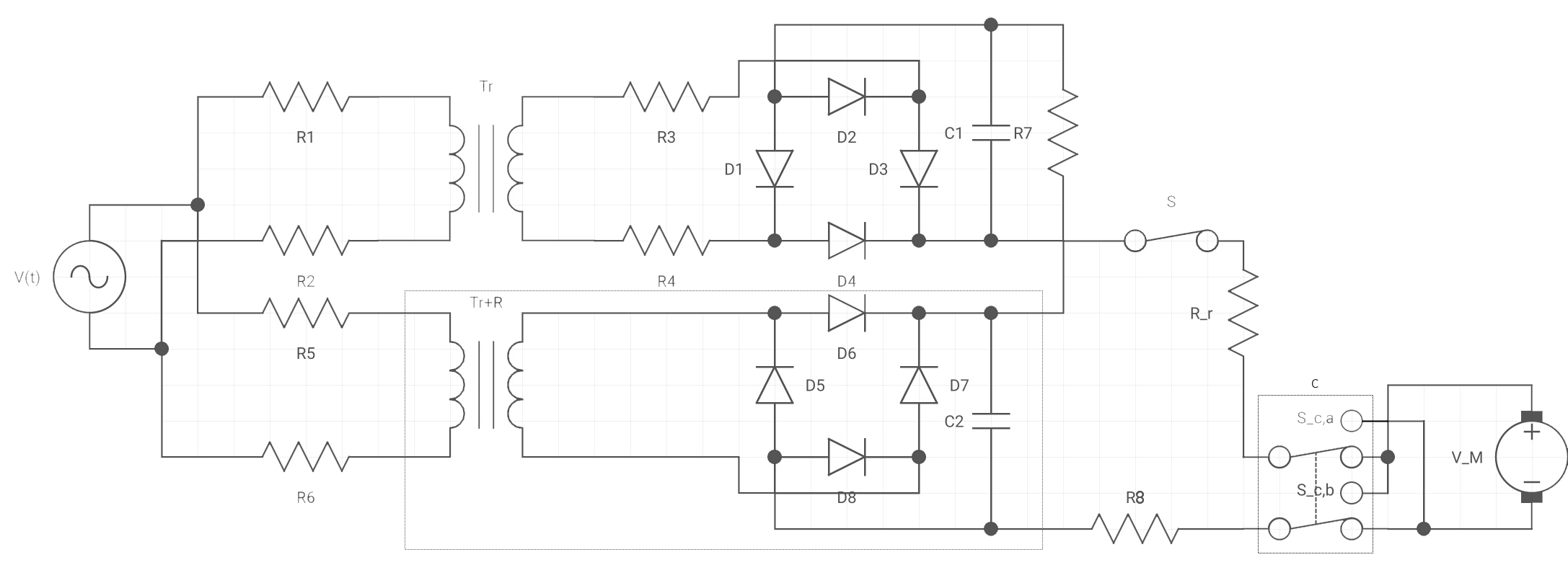
Scrivo per esporre una perplessità fattasi palese nel corso della costruzione amatoriale di un piccolo avvitatore elettrico per uso domestico. Lo strumento in questione è realizzato sfruttando un piccolo motore DC a magneti permanenti (per uso modellistico, di derivazione Mabuchi) la cui tensione di alimentazione è grossolanamente controllata attraverso il collegamento, alla rete elettrica, di uno (o due) gruppi trasformatore-raddrizzatore ricavati da altrettanti caricabatterie per telefono cellulare. Essendo i loro elettrodi di output collegati in serie, quando entrambi i circuiti vengono collegati, in derivazione, alla rete domestica, la tensione risultante risulta essere pari alla somma delle rispettive cadute di tensione in uscita (come confermano ripetute misurazioni prese attraverso multimetro). Ciò che rimane a me difficile da comprendere è il come mai, nonostante la tensione raggiunga un valore maggiore del suo doppio, non riesca a percepire una variazione di velocità angolare nella rotazione dell'albero motore del motore elettrico (sebbene non abbia potuto effettuare alcuna misurazione in tal senso che giustifichi oggettivamente la problematica). Da neofita, giustifico il problema in una qualche peculiarità costruttiva riguardante uno dei circuiti (o entrambi) composti dal gruppo trasformatore-raddrizzatore (evidentemente più complessi di un trasformatore collegato in serie ad un ponte di diodi munito di condensatore). Allego alla presente uno schema circuitale, debitamente semplificato, mostrante la struttura del dispositivo in questione. Mi affido alla Vostra esperienza e perizia nella speranza di poter risolvere il problema.
Cordialità.
Costruzione avvitatore elettrico
15 messaggi
• Pagina 1 di 2 • 1, 2
0
voti
Mi permetto di esporre una perplessità anche io... sicuro che i caricatori da cellulare che hai usato siano alimentatori lineari? Saranno una ventina di anni che non ne vedo così, sono da tempo tutti switching...
a parte ciò, collegando le due uscite in serie (con la corretta polarità) ottieni la somma delle tensioni dei due e lo hai verificato misurando col multimetro; tale misura la hai effettuata solo senza motore collegato o anche ai capi del motore alimentato ?
Ti invito peraltro a usare FidoCadJ per disegnare e postare gli schemi elettrici come da reglamento del forum.
a parte ciò, collegando le due uscite in serie (con la corretta polarità) ottieni la somma delle tensioni dei due e lo hai verificato misurando col multimetro; tale misura la hai effettuata solo senza motore collegato o anche ai capi del motore alimentato ?
Ti invito peraltro a usare FidoCadJ per disegnare e postare gli schemi elettrici come da reglamento del forum.
"Non farei mai parte di un club che accettasse la mia iscrizione" (G. Marx)
-

claudiocedrone
21,3k 4 7 9 - Master EY

- Messaggi: 15300
- Iscritto il: 18 gen 2012, 13:36
0
voti
Ringrazio per la risposta e mi scuso nel non aver utilizzato il suddetto software per la realizzazione dello schema circuitale. Quanto prima ripeterò le misurazioni con motore collegato, cosa che mi sembra non abbia fatto in precedenza. Per quanto riguarda la natura degli alimentatori, conferma il mio dubbio riguardante la loro struttura: cosa significa che essi potrebbero essere di tipo "switching"? Come, nel caso, si potrebbe trovare una soluzione considerando questa ulteriore variabile?
0
voti
Se questa è veramente la realtà dei fatti è normale che il motore possa solo essere o meno alimentato e ruotare in un senso o nell'altro sempre solo alla massima velocità.
"Non farei mai parte di un club che accettasse la mia iscrizione" (G. Marx)
-

claudiocedrone
21,3k 4 7 9 - Master EY

- Messaggi: 15300
- Iscritto il: 18 gen 2012, 13:36
0
voti
Ho la necessità di ribadire che, come espresso nel primo messaggio, "la tensione di alimentazione è grossolanamente controllata attraverso il collegamento, alla rete elettrica, di uno (o due) dei gruppi". Ciò significa che lo schema circuitale (e me ne scuso) è valido nel momento in cui entrambi i gruppi trasformatore+raddrizzatore sono collegati, in derivazione, alla rete elettrica domestica (cioè la parola 'grossolanamente' è riferita al fatto che io possa, in sostanza, attaccare una o due spine alla presa).
0
voti
Aggiungo, inoltre, ulteriori informazioni:
1) uno dei due gruppi è un alimentatore per iPad (collegato allo strumento tramite terminale USB. Ciò permette di disporre di un gruppo intercambiabile. Eroga in output, secondo quanto riportato sulla stampigliatura, 5.1V DC di tensione e 2.1A di corrente);
2) il dispositivo funziona quando connesso solo a suddetto alimentatore (stranamente sente la stessa tensione sebbene il secondo gruppo sia scollegato) e non mostra un cambiamento nel comportamento quando viene collegato alla rete il secondo alimentatore (in serie con il primo).
Ribadisco, poi, che lo schema circuitale riportato è semplificato rispetto alla reale situazione e la sua funzione è quella (spero) di avere un quadro generale del complesso.
Ringrazio per la vostra disponibilità.
1) uno dei due gruppi è un alimentatore per iPad (collegato allo strumento tramite terminale USB. Ciò permette di disporre di un gruppo intercambiabile. Eroga in output, secondo quanto riportato sulla stampigliatura, 5.1V DC di tensione e 2.1A di corrente);
2) il dispositivo funziona quando connesso solo a suddetto alimentatore (stranamente sente la stessa tensione sebbene il secondo gruppo sia scollegato) e non mostra un cambiamento nel comportamento quando viene collegato alla rete il secondo alimentatore (in serie con il primo).
Ribadisco, poi, che lo schema circuitale riportato è semplificato rispetto alla reale situazione e la sua funzione è quella (spero) di avere un quadro generale del complesso.
Ringrazio per la vostra disponibilità.
15 messaggi
• Pagina 1 di 2 • 1, 2
Torna a Costruzione, riparazione, riutilizzo
Chi c’è in linea
Visitano il forum: Nessuno e 18 ospiti

Elettrotecnica e non solo (admin)
Un gatto tra gli elettroni (IsidoroKZ)
Esperienza e simulazioni (g.schgor)
Moleskine di un idraulico (RenzoDF)
Il Blog di ElectroYou (webmaster)
Idee microcontrollate (TardoFreak)
PICcoli grandi PICMicro (Paolino)
Il blog elettrico di carloc (carloc)
DirtEYblooog (dirtydeeds)
Di tutto... un po' (jordan20)
AK47 (lillo)
Esperienze elettroniche (marco438)
Telecomunicazioni musicali (clavicordo)
Automazione ed Elettronica (gustavo)
Direttive per la sicurezza (ErnestoCappelletti)
EYnfo dall'Alaska (mir)
Apriamo il quadro! (attilio)
H7-25 (asdf)
Passione Elettrica (massimob)
Elettroni a spasso (guidob)
Bloguerra (guerra)

