Buona sera!
Sono alle prese con un oscilloscopio kenwood CS4025, il quale era stato già tirato in ballo qualche anno fa su questo sito. Quest'ultimo ha un circuito integrato ibrido sull'alimentazione introvabile. Si presentarono due scelte per cercare di ripararlo....
Riuscii con il cannello della mia stazione saldante a mettere apposto il CI di cui sopra . Purtroppo oggi definitivamete andato.
Voglio risolvere il problema utilizzando per le V , -8V , 8V e 5V dei stabilizzatori che ho gia ordinato su Alixpress.
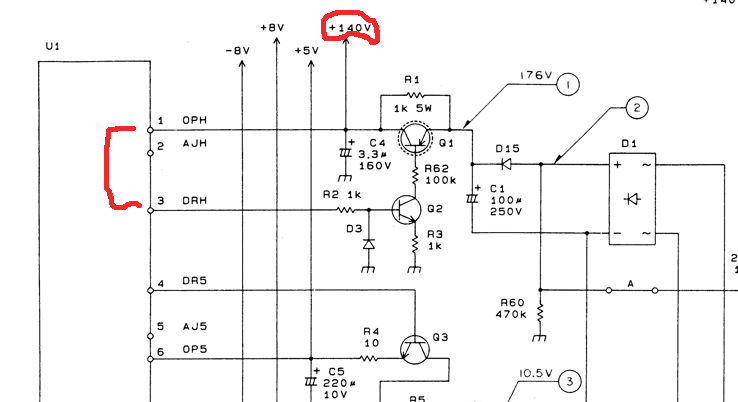
Tuttavia ho bisogno di aiuto per stabilizzare i 140V . In sostanza vorrei essere illuminato su quale componente mettere sui pin 1ve 3 dell'integrato.
Posto un immagine qui di seguito
Stabilizzazione di V modificando in loco...
2 messaggi
• Pagina 1 di 1
0
voti
marcel ha scritto:vorrei essere illuminato su quale componente mettere sui pin 1ve 3 dell'integrato
Non conoscendo lo schema interno dell'ibrido ci vorrebbe una sfera di cristallo
A questo punto penso la cosa migliore sia rifare la parte di alimentazione a 140V, riciclando, se funzionante, il PNP di potenza originale.
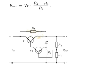
Su questa vecchia application note ITT trovi questo circuito che ha delle somiglianze col circuito dell'oscilloscopio. Potresti provare a replicarlo e vedere se risolvi.
In alternativa puoi fare una ricerca di stabilizzatori per alte tensioni con transistor PNP
2 messaggi
• Pagina 1 di 1
Chi c’è in linea
Visitano il forum: Nessuno e 3 ospiti

Elettrotecnica e non solo (admin)
Un gatto tra gli elettroni (IsidoroKZ)
Esperienza e simulazioni (g.schgor)
Moleskine di un idraulico (RenzoDF)
Il Blog di ElectroYou (webmaster)
Idee microcontrollate (TardoFreak)
PICcoli grandi PICMicro (Paolino)
Il blog elettrico di carloc (carloc)
DirtEYblooog (dirtydeeds)
Di tutto... un po' (jordan20)
AK47 (lillo)
Esperienze elettroniche (marco438)
Telecomunicazioni musicali (clavicordo)
Automazione ed Elettronica (gustavo)
Direttive per la sicurezza (ErnestoCappelletti)
EYnfo dall'Alaska (mir)
Apriamo il quadro! (attilio)
H7-25 (asdf)
Passione Elettrica (massimob)
Elettroni a spasso (guidob)
Bloguerra (guerra)


