Cos'è ElectroYou | Login Iscriviti

ElectroYou - la comunità dei professionisti del mondo elettrico

calcolare le correnti del circuito

Circuiti, campi elettromagnetici e teoria delle linee di trasmissione e distribuzione dell’energia elettrica

Moderatori: Foto Utenteg.schgor, Foto UtenteIsidoroKZ

0
voti

[1] calcolare le correnti del circuito

Messaggioda Foto Utenteangrigio » 19 ott 2019, 11:22


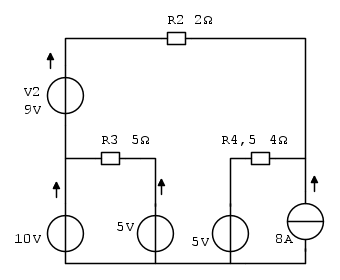
Dato il circuito si calcolino le correnti.
Ho iniziato a calcolare la corrente in R3 I3=\frac{10-5}{R3}= 1 A
Per il generatore di corrente I ho dei problemi . La corrente in R 4,5 è la stessa fornita dal generatore di corrente?
Se così fosse non ci sono problemi I 4,5 = I generatore altrimenti ho difficoltà nel proseguire la trattazione.
Avatar utente
Foto Utenteangrigio
18 2 7
Frequentatore
Frequentatore
 
Messaggi: 181
Iscritto il: 8 set 2008, 15:44

1
voti

[2] Re: calcolare le correnti del circuito

Messaggioda Foto UtenteRenzoDF » 19 ott 2019, 11:38

Rimuovi R3 (o “duplica” il GIT da 5V) e (per esempio) applica Millman.
"Il circuito ha sempre ragione" (Luigi Malesani)
Avatar utente
Foto UtenteRenzoDF
55,9k 8 12 13
G.Master EY
G.Master EY
 
Messaggi: 13189
Iscritto il: 4 ott 2008, 9:55

0
voti

[3] Re: calcolare le correnti del circuito

Messaggioda Foto Utenteangrigio » 19 ott 2019, 13:02

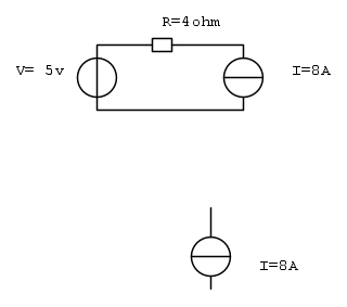
Senza resistenza R3 ho 2 generatori ideali di tensione in parallelo ma che effetto hanno nel circuito? Ho letto che una situazione del genere costituisce un collegamento anomalo tra generatori ideali di tensione che in parallelo devono avere la stessa tensione.
Avatar utente
Foto Utenteangrigio
18 2 7
Frequentatore
Frequentatore
 
Messaggi: 181
Iscritto il: 8 set 2008, 15:44

1
voti

[4] Re: calcolare le correnti del circuito

Messaggioda Foto UtenteEdmondDantes » 19 ott 2019, 13:09

Foto UtenteRenzoDF ha scritto rimuovi R3 e non rimuovi R3, sostituendolo con un cortocircuito.
Il Conte di Montecristo

Se non studio un giorno, me ne accorgo io. Se non studio due giorni, se ne accorge il pubblico.

Io devo studiare sodo e preparare me stesso perché prima o poi verrà il mio momento.
Abraham Lincoln
Avatar utente
Foto UtenteEdmondDantes
11,9k 8 11 13
Disattivato su sua richiesta
 
Messaggi: 3619
Iscritto il: 25 lug 2009, 22:18
Località: Marsiglia

0
voti

[5] Re: calcolare le correnti del circuito

Messaggioda Foto Utenteangrigio » 19 ott 2019, 14:51

Se ho capito posso sostituire i 2 generatori di tensione con uno di valore 5 volt e con una resistenza equivalente R3 in serie al generatore.
Avatar utente
Foto Utenteangrigio
18 2 7
Frequentatore
Frequentatore
 
Messaggi: 181
Iscritto il: 8 set 2008, 15:44

1
voti

[6] Re: calcolare le correnti del circuito

Messaggioda Foto UtenteIsidoroKZ » 19 ott 2019, 15:20

Il suggerimento di duplicare il generatore di tensione e` questo

Per usare proficuamente un simulatore, bisogna sapere molta più elettronica di lui
Plug it in - it works better!
Il 555 sta all'elettronica come Arduino all'informatica! (entrambi loro malgrado)
Se volete risposte rispondete a tutte le mie domande
Avatar utente
Foto UtenteIsidoroKZ
121,2k 1 3 8
G.Master EY
G.Master EY
 
Messaggi: 21059
Iscritto il: 17 ott 2009, 0:00

0
voti

[7] Re: calcolare le correnti del circuito

Messaggioda Foto Utenteangrigio » 19 ott 2019, 21:16

Grazie per l'impostazione data , in un precedente post mi è stato suggerito di applicare millman.
Purtroppo la presenza dei 2 generatori tensione e corrente mi mettono in crisi..
Avatar utente
Foto Utenteangrigio
18 2 7
Frequentatore
Frequentatore
 
Messaggi: 181
Iscritto il: 8 set 2008, 15:44

-1
voti

[8] Re: calcolare le correnti del circuito

Messaggioda Foto Utenteangrigio » 19 ott 2019, 21:38

Se pero' converto il generatore di corrente in un generatore di tensione
Avatar utente
Foto Utenteangrigio
18 2 7
Frequentatore
Frequentatore
 
Messaggi: 181
Iscritto il: 8 set 2008, 15:44

-1
voti

[9] Re: calcolare le correnti del circuito

Messaggioda Foto Utenteangrigio » 20 ott 2019, 0:30

Controllando meglio il pezzo di circuito :con thevenin lo schema si sostituisce ad un generatore ideale di corrente .Almeno credo.
Avatar utente
Foto Utenteangrigio
18 2 7
Frequentatore
Frequentatore
 
Messaggi: 181
Iscritto il: 8 set 2008, 15:44

-1
voti

[10] Re: calcolare le correnti del circuito

Messaggioda Foto Utenteangrigio » 20 ott 2019, 11:11

Avatar utente
Foto Utenteangrigio
18 2 7
Frequentatore
Frequentatore
 
Messaggi: 181
Iscritto il: 8 set 2008, 15:44

Prossimo

Torna a Elettrotecnica generale

Chi c’è in linea

Visitano il forum: Nessuno e 17 ospiti