Ciao a tutti!
Qualche giorno fa (e grazie ai vostri consigli) ho realizzato un circuito di bias per polarizzare le griglie di alcuni tubi a vuoto. Visto che funziona tutto a meraviglia volevo iniziare a implementare queso schema in alcune mie realizzazioni.
Come dicevo funziona tutto a dovere, tuttavia durante le prove sul circuito già saldato su millefori il trasformatore di alimentazione ha difettato. Voi direte "e quindi? sostituiscilo!"
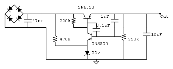
Già fatto, però mi sono reso conto che un qualsiasi guasto su questo circuito porterebbe inevitabilmente alla distruzione delle valvole nel giro di pochi minuti. Ho quindi necessità di abbinarlo ad un circuito di "controllo", che sia in grado di fornire la tensione anodica (tramite un relè) soltanto se le tensioni di polarizzazione sono ok. Non mi serve qualcosa di preciso, ma basta che sia in grado di valutare se c'è o non c'è una tensione abbastanza negativa sulle griglie di controllo. Come prima soluzione avrei pensato a qualcosa del genere:
il varistore si apre soltanto se esiste una tensione superiore a 120V tra ingresso invertente dell'opamp e l'uscita negativa del ponte di graetz. In consegueza di ciò l'uscita dell'opamp si porta allo stato alto ed attiva il BJT che controlla la bobina del relè.
Secondo voi può funzionare?
Damiano
Circuito di protezione
Moderatori:
carloc,
g.schgor,
BrunoValente,
IsidoroKZ
40 messaggi
• Pagina 1 di 4 • 1, 2, 3, 4
0
voti
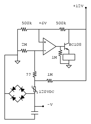
Mi sembra una complicazione inutile, non c'è garanzia che la tensione negativa arrivi effettivamente alla valvola, basterebbe un cavo interrotto, uno zoccolo difettoso.
Io userei un normale (milli)amperometro sull'anodica. Corrente anomala? Spegni e controlli
Io userei un normale (milli)amperometro sull'anodica. Corrente anomala? Spegni e controlli
0
voti
Alla domanda, risponderei: forse si, ma mi piace poco.
Quali sono le caratteristiche del varistore ?
Potresti correre il rischio di portare a tensione negativa l'ingresso invertente dell'operazionale e forse danneggiarlo.
Dipende da R??.
Non è indicata l'alimentazione dell'operazionale.
I due resistori da 500k potresti portarli a 100 k, ma possono andare bene così.
Usare il meno possibile resistori di valore > di 100 k.
Di solito è meglio pilotare la bobina di un relè sul collettore, il transistore che la pilota satura e dissipa meno. Ma l'operazionale deve avere l'uscita che scende a sotto i 0,6 V, e mettere una R 10 k in serie alla base del TR. Ma può andare bene così.

Secondo me il varistore si chiude (entra in conduzione), ma va bene così.il varistore si apre soltanto se esiste una tensione superiore a 120V tra ingresso invertente dell'opamp e l'uscita negativa del ponte di graetz.
Quali sono le caratteristiche del varistore ?
Potresti correre il rischio di portare a tensione negativa l'ingresso invertente dell'operazionale e forse danneggiarlo.
Dipende da R??.
Non è indicata l'alimentazione dell'operazionale.
I due resistori da 500k potresti portarli a 100 k, ma possono andare bene così.
Usare il meno possibile resistori di valore > di 100 k.
Di solito è meglio pilotare la bobina di un relè sul collettore, il transistore che la pilota satura e dissipa meno. Ma l'operazionale deve avere l'uscita che scende a sotto i 0,6 V, e mettere una R 10 k in serie alla base del TR. Ma può andare bene così.
L'osservazione di edgar è ragionevole, ma un circuito di controllo sull'anodica che può essere a qualche migliaio di volt deve essere alimentato e isolato...Mi....Io userei un normale (milli)amperometro sull'anodica. Corrente anomala? Spegni e controlli

0
voti
Dunque, l'operazionale sarebbe alimentato a +12V, infatti ho cercato di piazzare l'ingresso non invertente a circa metà della tensione positiva. Ben vengano anche i resistori da 100k e la bobibina del relè sul collettore. Forse un trimmer potrebbe aiutare a "tarare" il circuito?
Per quanto riguarda il varistore devo ancora procurarmelo (perdonatemi la confusione tra aperto/chiuso, chiedo venia) quindi posso scegliere a piacere le caratteristiche.
Infine, per rispondere a
edgar, avevo in mente di realizzare questo circuito proprio sulle gliglie. L'ho disegnato così per chiarire il concetto e capire se può funzionare. Comunque qualsiasi suggerimento per risolvere il problema, anche con schemi più semplici, è ben accetto. L'unica mia richiesta è di avere qualcosa che agisca automaticamente, che non mi si frigga tutto mentre sono a farmi la doccia per capirsi
Damiano
Per quanto riguarda il varistore devo ancora procurarmelo (perdonatemi la confusione tra aperto/chiuso, chiedo venia) quindi posso scegliere a piacere le caratteristiche.
Infine, per rispondere a
Damiano
0
voti
Damn87 ha scritto: che non mi si frigga tutto mentre sono a farmi la doccia
Le docce si fanno dopo i collaudi, non durante
Personalmente preferisco le cose semplici, un milliamperometro a lancetta dà un'indicazione immediata di cosa sta succedendo. Idem per un circuito allo stato solido: un assorbimento anomalo è il primo indicatore che qualcosa non va.
0
voti
Provo a spiegarmi meglio: il mio problema non è il collaudo (ovviamente li presto sempre la massima attenzione), quello che mi interessa è mettere al riparo le valvole finali in caso di guasto improvviso al bias durante il normale utilizzo. Un milliamperometro mi servirebbe a poco per due motivi: prima di tutto basterebbe controllare le placche (se diventano rosse qualcosa non va) per ottenere la stessa informazione di guasto, in secondo luogo intervenire manualmente anche dopo pochi minuti di ritardo rispetto al guasto potrebbe comportare danni ben più gravi.
0
voti
Penso che il varistore da 120 V sia inutile e che dia una falsa idea di protezione.
Per quanto ne so, il varistore non è esattamente uno zener:
il varistore è inizialmente come un circuito aperto, quando la tensionoe ai suoi capi supera i 120 V entra in conduzione, in conduzione la tensione ai suoi capi scende a un valore basso (supponiamo a 30 V), poi se disalimentato ritorna nelle condizioni di prima.
Nel tuo circuito , in condizioni normali (V- presente) è sempre in conduzione.
Eliminalo e al suo posto metti un resistore da supponiamo 1 Mohm 1/2 W.
Anche il pilotaggio del transistor funzione male perche la corrente viene limitata solo dall'operazionale che assorbe troppa corrente e scalda: lo avevo già scritto: metti un resistore da 4,7kohm in serie alla base.
Nello schema c'è una connesione in più che crea un cortocircuito.
Metti le connessioni di alimentazione dell'operazionale, e un condensatore 1uF antidisturbi fra +12 V e massa.
Un diodo in parallelo alla bobina del relè, per evitare sovratensione al collettore TR è sottointeso o è da aggiungere?
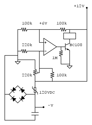
Se correggerai lo schema, poi lo mofificherò ancora per semplificarlo e migliorarlo.

Per quanto ne so, il varistore non è esattamente uno zener:
il varistore è inizialmente come un circuito aperto, quando la tensionoe ai suoi capi supera i 120 V entra in conduzione, in conduzione la tensione ai suoi capi scende a un valore basso (supponiamo a 30 V), poi se disalimentato ritorna nelle condizioni di prima.
Nel tuo circuito , in condizioni normali (V- presente) è sempre in conduzione.
Eliminalo e al suo posto metti un resistore da supponiamo 1 Mohm 1/2 W.
Anche il pilotaggio del transistor funzione male perche la corrente viene limitata solo dall'operazionale che assorbe troppa corrente e scalda: lo avevo già scritto: metti un resistore da 4,7kohm in serie alla base.
Nello schema c'è una connesione in più che crea un cortocircuito.
Metti le connessioni di alimentazione dell'operazionale, e un condensatore 1uF antidisturbi fra +12 V e massa.
Un diodo in parallelo alla bobina del relè, per evitare sovratensione al collettore TR è sottointeso o è da aggiungere?
Se correggerai lo schema, poi lo mofificherò ancora per semplificarlo e migliorarlo.

0
voti
Ho trovato questa pubblicazione del 1960: Getting the most out of vacuum tubes. Tratta tra l'altro anche dei meccanismi di guasto delle valvole, potrebbe essere interessante.
40 messaggi
• Pagina 1 di 4 • 1, 2, 3, 4
Chi c’è in linea
Visitano il forum: Google [Bot] e 37 ospiti

Elettrotecnica e non solo (admin)
Un gatto tra gli elettroni (IsidoroKZ)
Esperienza e simulazioni (g.schgor)
Moleskine di un idraulico (RenzoDF)
Il Blog di ElectroYou (webmaster)
Idee microcontrollate (TardoFreak)
PICcoli grandi PICMicro (Paolino)
Il blog elettrico di carloc (carloc)
DirtEYblooog (dirtydeeds)
Di tutto... un po' (jordan20)
AK47 (lillo)
Esperienze elettroniche (marco438)
Telecomunicazioni musicali (clavicordo)
Automazione ed Elettronica (gustavo)
Direttive per la sicurezza (ErnestoCappelletti)
EYnfo dall'Alaska (mir)
Apriamo il quadro! (attilio)
H7-25 (asdf)
Passione Elettrica (massimob)
Elettroni a spasso (guidob)
Bloguerra (guerra)








