Ciao a tutti,
dovrei controllare la velocità di un piccolo motore asincrono trifase da 250 W. Mi hanno consigliato un inverter ATV12H037M2 (link costruttore)
Ho la necessità di comandare manualmente il motore (regolandone la velocità), eventualmente invertire la marcia, arrestarlo immediatamente in caso di anomalia (il motore spinge del materiale attraverso un piccolo estrusore).
Vorrei costruire un piccolo quadro di controllo in cui inserire l'inverter e i componenti necessari per le manovre di azionamento (pulsante stop, fungo emergenza, pulsante avanti, indietro, potenziometro) nonchè le protezioni necessarie (magnetotermico, salvamotore e... cos'altro?).
Mi sapreste indicare un semplice schema circuitale?
schema applicativo per inverter motore
Moderatori:
sebago,
MASSIMO-G,
lillo,
Mike
14 messaggi
• Pagina 1 di 2 • 1, 2
1
voti
1
voti
Mettilo giù te lo schema, poi te lo commentiamo.
Sul manuale utente del prodotto trovi lo schema di collegamento del drive.
Di solito il costruttore consiglia di utilizzare fusibili per la protezione del drive in quanto hanno tempi di intervento più bassi e limitano i danni al dispositivo in caso di guasto. Anche queste informazioni le trovi di solito nel manuale utente.
Per il resto marcia avanti, marcia indietro, stop sono degli ingressi digitali se vuoi il collegamento a tre fili (contatti non mantenuti), se vuoi i due fili devi fare del cablaggio interno (contatti mantenuti).
La regolazione della velocità mi sembra che fi capire che la vuoi fare con un potenziometro quindi devi usare l'ingresso analogico in tensione.
Magari potresti pensare di usare un'uscita relè per accendere una lampadina per fare il drive ready o in fault ma questo dipende da quanto lontano le vuoi vedere, nel senso che sul display ci sono già tutte le informazioni.
Sul manuale utente del prodotto trovi lo schema di collegamento del drive.
Di solito il costruttore consiglia di utilizzare fusibili per la protezione del drive in quanto hanno tempi di intervento più bassi e limitano i danni al dispositivo in caso di guasto. Anche queste informazioni le trovi di solito nel manuale utente.
Per il resto marcia avanti, marcia indietro, stop sono degli ingressi digitali se vuoi il collegamento a tre fili (contatti non mantenuti), se vuoi i due fili devi fare del cablaggio interno (contatti mantenuti).
La regolazione della velocità mi sembra che fi capire che la vuoi fare con un potenziometro quindi devi usare l'ingresso analogico in tensione.
Magari potresti pensare di usare un'uscita relè per accendere una lampadina per fare il drive ready o in fault ma questo dipende da quanto lontano le vuoi vedere, nel senso che sul display ci sono già tutte le informazioni.
1
voti
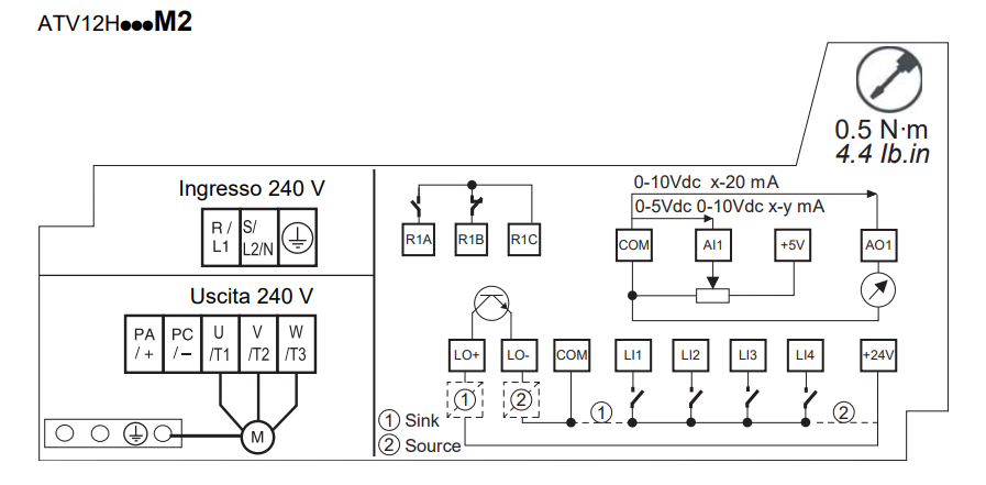
Ho consultato il manuale utente dell'inverter. Mi pare di aver capito che non è necessario un salvamotore.
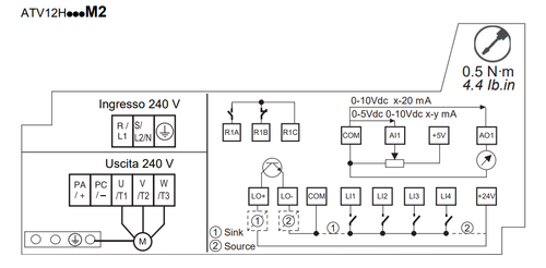
Allego la rappresentazione della morsettiera di scambio dell'unità (secondo manuale).
(allegato: ATV12H037M2_morsettiera.png)
I componenti che quindi dovrei installare nel box sono:
interruttore automatico, fusibili, pulsanti di comando e di emergenza, inverter (ovviamente).
Potrebbe essere utile inserire altri componenti?
Circa le protezioni da sovracorrente, il manuale fa riferimento alla "Guida rapida S1A58684"
link
Nella tabella viene riportato:
interruttore automatico (sezionatore)
GV2P10. Int. autom. TeSys GV2 - magnterm - manovra rotativa - 4-6,3A viti serrafilo
link
fusibile di protezione
"Ferraz HSJ 15"
link
cioè un fusibile "high speed di classe J (o CC) con portata 15A". Io conosco la classe "g" e "a" e la dicitura del tipo "classe-oggetto da proteggere" (tipo gG per un fusibile generico per cavi e conduttori). Immagino che la dicitura si riferisca alla normativa non europea.
potenziometro 2.2K (max 10K)
link
Perplessità
Ci sono 3 contatti per il cablaggio di un "relè" (interno):
R1A (contatto NO)
R1B (contatto NC)
R1C (COM)
la cui funzione è l'indicazione remota dello stato dell'inverter. Se non ho capito male questo vuol dire che potrei mettere delle spie a pannello che mi dicono se l'inverter è OK o in avaria. Giusto? Dato che non mi interessa molto, visto che il box di comando sarà in prossimità della macchina, non prevedo di installare alcuna spia.
Ci sono poi 8 contatti "sorgente":
LO+ uscita logica (collettore)
LO- comune uscita logica (emettitore)
COM comune degli I/O analogici e digitali
LI1 ingresso logico
LI2 ingresso logico
LI3 ingresso logico
LI4 ingresso logico
+24 V alimentazione fornita dal variatore
la cui funzione credo di aver capito sia riferita al tipo di controllo ("a due fili" avanti/indietro o "a tre fili" stop/avanti/indietro, pag 48 del manuale e successive), nonchè per specificare se assegnare un funzionamento a 2, 4 o 8 velocità preselezionate (pag. 70).
E' possibile il collegamento di un modulo di frenatura che però a me non serve.
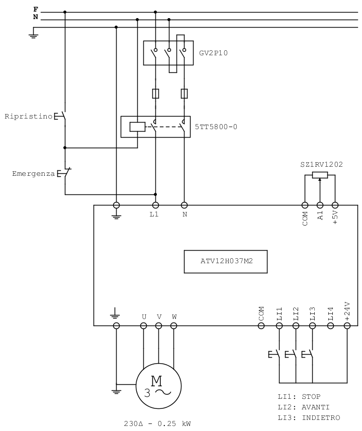
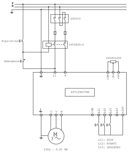
Ho pensato allo schema allegato.
(è la prima volta che uso FidocadJ... scusate)
(allegato: circuito_inverter_v1.png)
Cosa ne pensate?
Contattore per emergenza
Riguardo al contattore, è meglio un NO o un NC? Nel mio schema uso un contattore con 2NC e con un pulsante di emergenza NO, in tal modo, in caso di emergenza la pressione del fungo eccita la bobina che quindi apre la linea di alimentazione. Ha senso? O è meglio usare la logica inversa?
Pensavo di utilizzare un Siemens 5TT5802-0.
Ulteriori domande:
1) se volessi usare un interruttore automatico di altro costruttore, quale potrei usare?
2) il fusibile sopra indicato con quale fusibile equivalente può essere sostituito?
3) mi consigliate un potenziometro equivalente di altro costruttore? (magari più economico di quello Schneider...)
4) l'interruttore automatico posso sostituirlo con un interruttore simile ma da pannello di tipo rotativo o a leva?
Allego la rappresentazione della morsettiera di scambio dell'unità (secondo manuale).
(allegato: ATV12H037M2_morsettiera.png)
I componenti che quindi dovrei installare nel box sono:
interruttore automatico, fusibili, pulsanti di comando e di emergenza, inverter (ovviamente).
Potrebbe essere utile inserire altri componenti?
Circa le protezioni da sovracorrente, il manuale fa riferimento alla "Guida rapida S1A58684"
link
Nella tabella viene riportato:
interruttore automatico (sezionatore)
GV2P10. Int. autom. TeSys GV2 - magnterm - manovra rotativa - 4-6,3A viti serrafilo
link
fusibile di protezione
"Ferraz HSJ 15"
link
cioè un fusibile "high speed di classe J (o CC) con portata 15A". Io conosco la classe "g" e "a" e la dicitura del tipo "classe-oggetto da proteggere" (tipo gG per un fusibile generico per cavi e conduttori). Immagino che la dicitura si riferisca alla normativa non europea.
potenziometro 2.2K (max 10K)
link
Perplessità
Ci sono 3 contatti per il cablaggio di un "relè" (interno):
R1A (contatto NO)
R1B (contatto NC)
R1C (COM)
la cui funzione è l'indicazione remota dello stato dell'inverter. Se non ho capito male questo vuol dire che potrei mettere delle spie a pannello che mi dicono se l'inverter è OK o in avaria. Giusto? Dato che non mi interessa molto, visto che il box di comando sarà in prossimità della macchina, non prevedo di installare alcuna spia.
Ci sono poi 8 contatti "sorgente":
LO+ uscita logica (collettore)
LO- comune uscita logica (emettitore)
COM comune degli I/O analogici e digitali
LI1 ingresso logico
LI2 ingresso logico
LI3 ingresso logico
LI4 ingresso logico
+24 V alimentazione fornita dal variatore
la cui funzione credo di aver capito sia riferita al tipo di controllo ("a due fili" avanti/indietro o "a tre fili" stop/avanti/indietro, pag 48 del manuale e successive), nonchè per specificare se assegnare un funzionamento a 2, 4 o 8 velocità preselezionate (pag. 70).
E' possibile il collegamento di un modulo di frenatura che però a me non serve.
Ho pensato allo schema allegato.
(è la prima volta che uso FidocadJ... scusate)
(allegato: circuito_inverter_v1.png)
Cosa ne pensate?
Contattore per emergenza
Riguardo al contattore, è meglio un NO o un NC? Nel mio schema uso un contattore con 2NC e con un pulsante di emergenza NO, in tal modo, in caso di emergenza la pressione del fungo eccita la bobina che quindi apre la linea di alimentazione. Ha senso? O è meglio usare la logica inversa?
Pensavo di utilizzare un Siemens 5TT5802-0.
Ulteriori domande:
1) se volessi usare un interruttore automatico di altro costruttore, quale potrei usare?
2) il fusibile sopra indicato con quale fusibile equivalente può essere sostituito?
3) mi consigliate un potenziometro equivalente di altro costruttore? (magari più economico di quello Schneider...)
4) l'interruttore automatico posso sostituirlo con un interruttore simile ma da pannello di tipo rotativo o a leva?
1
voti
nucleopi ha scritto:Ho consultato il manuale utente dell'inverter. Mi pare di aver capito che non è necessario un salvamotore.
Mi sono accorto che il GV2P10, consigliato in quel pdf (S1A58684), altro non è che un salvamotore...
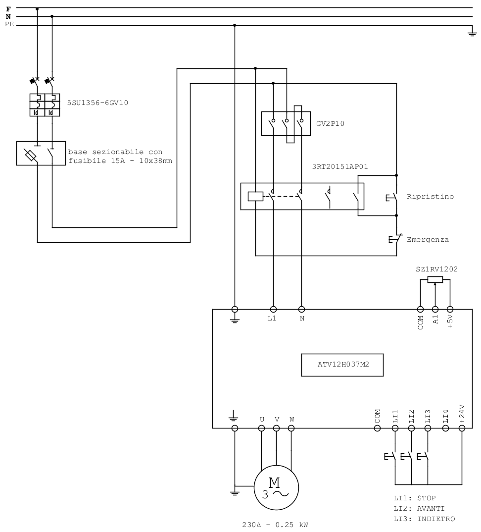
Ho modificato il circuito (che allego), lato emergenza.
Ho pensato che forse è meglio dotare il sistema di un pulsante di ripristino dopo l'emergenza. Tale pulsante farebbe anche da "power on" del sistema.
In pratica, all'avvio, quando viene premuto il pulsante di "ripristino" (NO) viene energizzata la bobina del contattore (un 2NO) che chiude i contatti di potenza. In caso di emergenza, premendo il relativo pulsante (NC) si toglie corrente alla bobina del contattore che quindi apre il circuito. Dopo aver disinserito l'emergenza, per riavviare è necessario premere il pulsante di ripristino.
Non so se è una soluzione accettabile.
Cosa ne pensate?
Resta la possibilità di dare accidentalmente corrente con il pulsante di ripristino (ma per breve durata essendo a impulso) anche con l'emergenza inserita... ma non so come fare...
Dovrei segnalare con una spia luminosa l'intervenuta emergenza. Ma per farlo dovrei usare un contattore con dei contatti ausiliari NC.
E' corretto?
1
voti
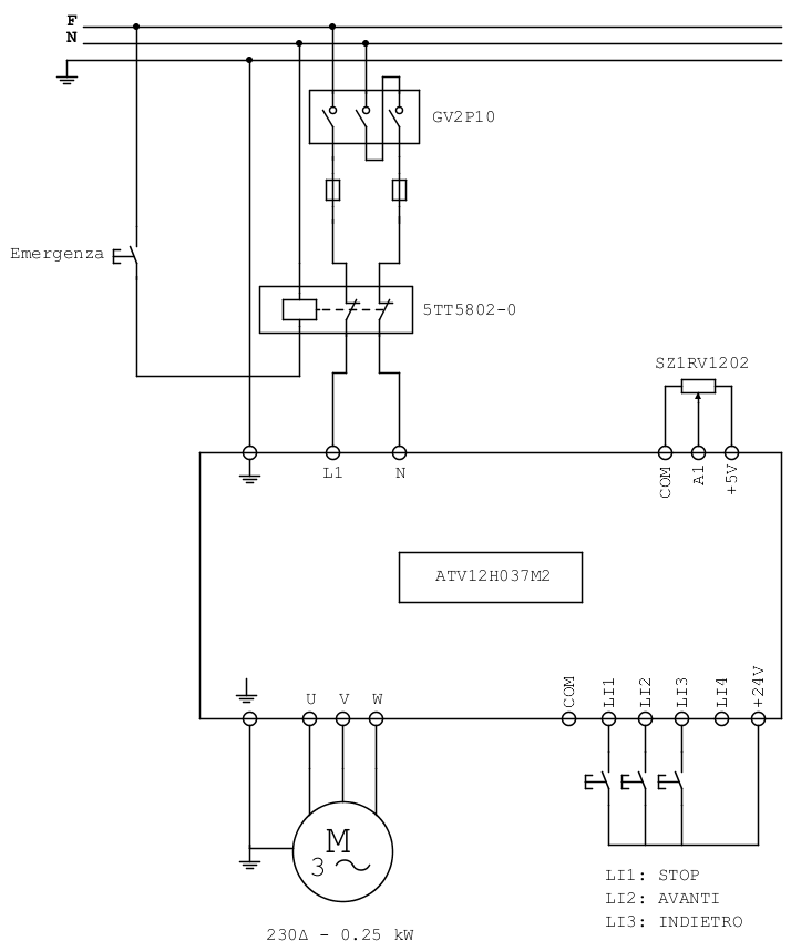
Mi rispondo da solo (credo).
Mi è improvvisamente venuto in mente come risolvere il problema dell'emergenza e del ripristino...
Potrei usare un contattore con 3 NO, usandone uno dei tre per l'autoritenuta.
Una cosa del tipo: bobina > emergenza (NC) > ripristino (NO), con in parallelo a quest'ultimo il contatto NO del contattore.
Domani provo a disegnarlo...
Mi è improvvisamente venuto in mente come risolvere il problema dell'emergenza e del ripristino...
Potrei usare un contattore con 3 NO, usandone uno dei tre per l'autoritenuta.
Una cosa del tipo: bobina > emergenza (NC) > ripristino (NO), con in parallelo a quest'ultimo il contatto NO del contattore.
Domani provo a disegnarlo...
1
voti
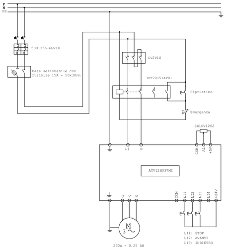
Ho modificato lo schema circuitale (allegato) con l'autoritenuta: ad emergenza avvenuta, dopo aver sganciato il fungo, premendo il pulsante di ripristino (che all'avvio fa anche da "start") viene eccitata la bobina del contattore che chiude il contatto ausiliario NO determinando l'autoritenuta.
Ho inserito un interruttore magnetotermico+diff. A riguardo ho un dubbio. La guida di riferimento per le protezioni (S1A5868403) dell'inverter indica circa gli SCCR di usare 3 possibili protezioni (interruttore automatico, salvamotore, fusibile). Non ho ben capito se basta uno di questi o se devo usarli tutti e tre (come ho fatto nello schema). In particolare dice:
"With QO Circuit Breaker": interruttore con portata 10A (ho pensato ad un Siemens 5SU1356-6GV10)
"With GV2P/3P": consiglia il GV2P10, con corrente nominale 6.3A e protezione termica regolabile da 4 a 6.3 A.
"With Fuses": consiglia un "Ferraz HSJ", da 15A (perché 15A?? Per via della corrente di spunto? E dopo l'avvio?)
Quali segnalazioni luminose mi consigliate di inserire?
Pensavo ad una spia "presenza 230V" (anche se la macchina da azionare viene montata per la prova, alla fine della quale viene smontata e riposta in magazzino, quindi inserita la presa ci sarà da aspettarsi la presenza della 230V...). Ha senso mettere questa segnalazione?
Se volessi una spia che indichi la pressione del fungo di emergenza, come potrei fare?
Ho inserito un interruttore magnetotermico+diff. A riguardo ho un dubbio. La guida di riferimento per le protezioni (S1A5868403) dell'inverter indica circa gli SCCR di usare 3 possibili protezioni (interruttore automatico, salvamotore, fusibile). Non ho ben capito se basta uno di questi o se devo usarli tutti e tre (come ho fatto nello schema). In particolare dice:
"With QO Circuit Breaker": interruttore con portata 10A (ho pensato ad un Siemens 5SU1356-6GV10)
"With GV2P/3P": consiglia il GV2P10, con corrente nominale 6.3A e protezione termica regolabile da 4 a 6.3 A.
"With Fuses": consiglia un "Ferraz HSJ", da 15A (perché 15A?? Per via della corrente di spunto? E dopo l'avvio?)
Quali segnalazioni luminose mi consigliate di inserire?
Pensavo ad una spia "presenza 230V" (anche se la macchina da azionare viene montata per la prova, alla fine della quale viene smontata e riposta in magazzino, quindi inserita la presa ci sarà da aspettarsi la presenza della 230V...). Ha senso mettere questa segnalazione?
Se volessi una spia che indichi la pressione del fungo di emergenza, come potrei fare?
0
voti
I fusibili sono del tipo aR, extratapidi.
Il discorso dei due fili o tre file significa che il contratto di start/stop è dato nel primo caso mantenendolo (1=start, 0=stop) nel secondo sono seperati e impulsivi.
Il discorso dei morsetti LO credo dipenda dal fatto se tu ha un 24vdc esterno o usi quello interno del drive.
In alcuni casi può essere utile alimentare il drive se è inserito in una rete.
Nel tuo caso se manca l'alimentazione si spegne ma non credo sia un problema.
Il collegamento mi sembra giusto al di là di qualche imprecisione sui simboli.
Di solito i comandi di stop sono NC.
Per il marcia avanti/indietro ti conviene forse usare un selettore a tre posizioni avanti/0/indietro in maniere da essere sicuri che arrivi un solo comando.
Potresti magari pensare di usare lo 0 come stop se usi i contatti mantenuti
Il pulsante di emergenza è a fungo ha un simbolo diverso.
Se prendi il pulsante con la posizione mantenuta non ti serve neanche il circuito di ripristino.
Se vuoi la lampadina usa un contatto del contattore alimentare la spia.
Il circuito del contattore lo vuoi fare te cosi, perché in alternativa potresti tagliare direttamente l'alimentazione al drive senza impiegare il contattore.
La tua soluzione è più pulita.
Dovrebbe bastare solo un componente di protezione.
Ma il tuo motore è trifase?
Il discorso dei due fili o tre file significa che il contratto di start/stop è dato nel primo caso mantenendolo (1=start, 0=stop) nel secondo sono seperati e impulsivi.
Il discorso dei morsetti LO credo dipenda dal fatto se tu ha un 24vdc esterno o usi quello interno del drive.
In alcuni casi può essere utile alimentare il drive se è inserito in una rete.
Nel tuo caso se manca l'alimentazione si spegne ma non credo sia un problema.
Il collegamento mi sembra giusto al di là di qualche imprecisione sui simboli.
Di solito i comandi di stop sono NC.
Per il marcia avanti/indietro ti conviene forse usare un selettore a tre posizioni avanti/0/indietro in maniere da essere sicuri che arrivi un solo comando.
Potresti magari pensare di usare lo 0 come stop se usi i contatti mantenuti
Il pulsante di emergenza è a fungo ha un simbolo diverso.
Se prendi il pulsante con la posizione mantenuta non ti serve neanche il circuito di ripristino.
Se vuoi la lampadina usa un contatto del contattore alimentare la spia.
Il circuito del contattore lo vuoi fare te cosi, perché in alternativa potresti tagliare direttamente l'alimentazione al drive senza impiegare il contattore.
La tua soluzione è più pulita.
Dovrebbe bastare solo un componente di protezione.
Ma il tuo motore è trifase?
1
voti
@Aria, grazie per la risposta.
ehm, sì hai ragione, ma ho usato fidocadJ solo perché nel forum vengono di solito proposti schemi con questo cad e io non l'avevo mai usato.
Ho usato lo stesso simbolo indicato nella documentazione dell'inverter, che riporta un contatto NO

Vero. Però non avrei più un comando impulsivo, o in questo caso non è rilevante che il contatto resti mantenuto (ovvero, chiuso)? Mi serve avere stop/avanti/indietro.
Lo so, ma purtroppo non l'ho trovato nelle librerie dei simboli di fidocadJ !! (o meglio, ho trovato il comando separato a fungo ma, per fare prima ho usato il contatto NO con ritorno automatico... mea culpa)
Però in tal modo non sarebbe meno sicuro? Se fosse mantenuto, sbloccando il fungo ridarei subito corrente... oppure ho interpretato male quello che dici?
Cioè dici che potrei usare il solo salvamotore senza contattore a valle? Il salvamotore scatta e spegne tutto, giusto?
Quindi, o magnetotermico-diff o fusibile o salvamotore. E' corretto? (immagino sia da preferire il salvamotore)
Sì, è un 230V (a triangolo), 0.25kW.
Aria ha scritto:Il collegamento mi sembra giusto al di là di qualche imprecisione sui simboli.
ehm, sì hai ragione, ma ho usato fidocadJ solo perché nel forum vengono di solito proposti schemi con questo cad e io non l'avevo mai usato.
Aria ha scritto:Di solito i comandi di stop sono NC.
Ho usato lo stesso simbolo indicato nella documentazione dell'inverter, che riporta un contatto NO

Aria ha scritto:Per il marcia avanti/indietro ti conviene forse usare un selettore a tre posizioni avanti/0/indietro in maniere da essere sicuri che arrivi un solo comando.
Vero. Però non avrei più un comando impulsivo, o in questo caso non è rilevante che il contatto resti mantenuto (ovvero, chiuso)? Mi serve avere stop/avanti/indietro.
Aria ha scritto:Il pulsante di emergenza è a fungo ha un simbolo diverso.
Lo so, ma purtroppo non l'ho trovato nelle librerie dei simboli di fidocadJ !! (o meglio, ho trovato il comando separato a fungo ma, per fare prima ho usato il contatto NO con ritorno automatico... mea culpa)
Aria ha scritto:Se prendi il pulsante con la posizione mantenuta non ti serve neanche il circuito di ripristino.
Però in tal modo non sarebbe meno sicuro? Se fosse mantenuto, sbloccando il fungo ridarei subito corrente... oppure ho interpretato male quello che dici?
Aria ha scritto:Il circuito del contattore lo vuoi fare te cosi, perché in alternativa potresti tagliare direttamente l'alimentazione al drive senza impiegare il contattore.
La tua soluzione è più pulita.
Cioè dici che potrei usare il solo salvamotore senza contattore a valle? Il salvamotore scatta e spegne tutto, giusto?
Aria ha scritto:Dovrebbe bastare solo un componente di protezione.
Quindi, o magnetotermico-diff o fusibile o salvamotore. E' corretto? (immagino sia da preferire il salvamotore)
Aria ha scritto:Ma il tuo motore è trifase?
Sì, è un 230V (a triangolo), 0.25kW.
1
voti
Il comando impulsivo serve nel caso si debba avviare l'inverter da più punti di comando lontani tra loro.
In questi casi per evitare la ripresa al volo o il comando di marcia non voluto, si possono usare selettori a tre posizioni misti (impulso - ritorno a 0 - mantenimento). Ma non credo sia il tuo caso
Edit
Per quella taglia di motore, un salvamotore non serve a niente, come non serve a niente in generale quando l'inverter comanda un solo motore ed è correttamente parametrizzato.
Devi garantire la sola protezione dal cortocircuito a monte.
In questi casi per evitare la ripresa al volo o il comando di marcia non voluto, si possono usare selettori a tre posizioni misti (impulso - ritorno a 0 - mantenimento). Ma non credo sia il tuo caso
Edit
Per quella taglia di motore, un salvamotore non serve a niente, come non serve a niente in generale quando l'inverter comanda un solo motore ed è correttamente parametrizzato.
Devi garantire la sola protezione dal cortocircuito a monte.
Ognuno sta solo sul cuor della terra
trafitto da un raggio di sole:
ed è subito sera
Salvatore Quasimodo
trafitto da un raggio di sole:
ed è subito sera
Salvatore Quasimodo
14 messaggi
• Pagina 1 di 2 • 1, 2
Torna a Impianti, sicurezza e quadristica
Chi c’è in linea
Visitano il forum: Google Adsense [Bot] e 32 ospiti

Elettrotecnica e non solo (admin)
Un gatto tra gli elettroni (IsidoroKZ)
Esperienza e simulazioni (g.schgor)
Moleskine di un idraulico (RenzoDF)
Il Blog di ElectroYou (webmaster)
Idee microcontrollate (TardoFreak)
PICcoli grandi PICMicro (Paolino)
Il blog elettrico di carloc (carloc)
DirtEYblooog (dirtydeeds)
Di tutto... un po' (jordan20)
AK47 (lillo)
Esperienze elettroniche (marco438)
Telecomunicazioni musicali (clavicordo)
Automazione ed Elettronica (gustavo)
Direttive per la sicurezza (ErnestoCappelletti)
EYnfo dall'Alaska (mir)
Apriamo il quadro! (attilio)
H7-25 (asdf)
Passione Elettrica (massimob)
Elettroni a spasso (guidob)
Bloguerra (guerra)





