Alimentatore Cinese brucia se va in corto l'uscita
31 messaggi
• Pagina 1 di 4 • 1, 2, 3, 4
0
voti
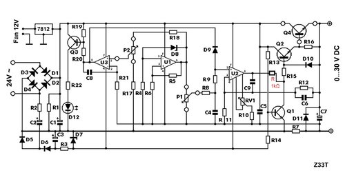
Ciao a tutti, dopo aver bruciato diverse volte l'alimentatore cinese in questione https://www.qsl.net/z33t/dc_0-30v_0-3A_eng.html vorrei sapere se c'è qualcuno che l'ha costruito ed ha avuto lo stesso mio problema, e se si se ha fatto qualche modifica per ovviare a questo difetto. E una grande fregatura perché basta sfiorare i coccodrilli del cavo di alimentazione che si brucia il transistor D882transistor e il TL081 che lo pilota. Avevo pensato ad un circuito del genere che viene attivato dall'accensione del led indicatore di sovratensione ma non so se e abbastanza veloce, vi sarei grato se qualcuno avesse una soluzione circuitale pilotata da qualche transistor.
-

elektronik
7.800 4 6 7 - Master

- Messaggi: 3836
- Iscritto il: 12 mag 2015, 22:26
1
voti
La causa della rottura potrebbe essere che la parte di circuito (U3 e componenti "circostanti") preposto alla limitazione di corrente (protezione dai corto circuiti) non e' "abbastanza veloce".
Cose da verificare / fare:
1) applicare un carico in uscita all'alimentatore progressivamente e lentamente crescente (valore della resistenza che diminuisce) e verificare che la corrente venga effettivamente limitata al valore impostato.
2) modificare il circuito originale come da figura seguente.
La ratio della modifica e' quella di introdurre una limitazione di corrente "grossolana" ma rapida che intervenga prima della limitazione "di precisione"
La nomenclatura dei componenti e' quella del circuito originale linkato nel post qui sopra
Cose da verificare / fare:
1) applicare un carico in uscita all'alimentatore progressivamente e lentamente crescente (valore della resistenza che diminuisce) e verificare che la corrente venga effettivamente limitata al valore impostato.
2) modificare il circuito originale come da figura seguente.
La ratio della modifica e' quella di introdurre una limitazione di corrente "grossolana" ma rapida che intervenga prima della limitazione "di precisione"
La nomenclatura dei componenti e' quella del circuito originale linkato nel post qui sopra
0
voti
elektronik ha scritto:si brucia il transistor D882transistor e il TL081 che lo pilota
Si brucia proprio l'opamp che pilota il transistor? Hai per caso verificato se gli altri opamp si salvano ?
0
voti
elfo ha scritto:La causa della rottura potrebbe essere che la parte di circuito (U3 e componenti "circostanti") preposto alla limitazione di corrente (protezione dai corto circuiti) non e' "abbastanza veloce".
Questo alimentatore funziona per quando riguarda la limitazione di corrente, la cosa strana e che se si toccano i cavi più e meno all'uscita si bruciano solo questi due componenti. ciao
-

elektronik
7.800 4 6 7 - Master

- Messaggi: 3836
- Iscritto il: 12 mag 2015, 22:26
0
voti
elektronik ha scritto:elfo ha scritto:La causa della rottura potrebbe essere che la parte di circuito (U3 e componenti "circostanti") preposto alla limitazione di corrente (protezione dai corto circuiti) non e' "abbastanza veloce".
Questo alimentatore funziona per quando riguarda la limitazione di corrente
Che prove hai fatto per affermare che "limita in corrente"?
Quando "si toccano i cavi più e meno all'uscita" fai un "corto franco" sull'uscita e la corrente "sale" rapidissimamente, mentre la limitazione di corrente "reagisce" con la "lentezza" dell'operazionale.
0
voti
elfo ha scritto: Questo alimentatore funziona per quando riguarda la limitazione di corrente
Che prove hai fatto per affermare che "limita in corrente"?
Quando "si toccano i cavi più e meno all'uscita" fai un "corto franco" sull'uscita e la corrente "sale" rapidissimamente, mentre la limitazione di corrente "reagisce" con la "lentezza" dell'operazionale.[/quote]
ho provato a regolare a 30 mA perché ho due lampadine da 30mA collegata la prima lampadina si accende se collego in parallelo l'altra la limitazione interviene. Se tocco i due fili in un batter d'occhio escono le fumate indiane e l'alimentatore tira le quoia, e uno schifo se avete uno schema valido preferisco costruire da capo.
questo e l'altro che ho costruito: https://forum.donanimhaber.com/0-50volt ... --68020009
-

elektronik
7.800 4 6 7 - Master

- Messaggi: 3836
- Iscritto il: 12 mag 2015, 22:26
1
voti
elektronik ha scritto:se avete uno schema valido preferisco costruire da capo
L'alimentatore di Elektor di aprile 1983 e il B&O SN18, molto simili, sono una sicurezza. Ne ho realizzati diversi, mai dato problemi.
Se cerchi in rete i manuali dei vecchi Lambda LPD4xx, a componenti discreti, sono pure loro dei muli
0
voti
edgar ha scritto:Se cerchi in rete i manuali dei vecchi Lambda LPD4xx, a componenti discreti, sono pure loro dei muli
Metto da parte anche se un po complicato perché dove lo devo inserire ho poco spazio ma tutto fa. Grazie
-

elektronik
7.800 4 6 7 - Master

- Messaggi: 3836
- Iscritto il: 12 mag 2015, 22:26
0
voti
Prova a fare questa modifica e poi dimmi cosa succede.
-

PietroBaima
90,7k 7 12 13 - G.Master EY

- Messaggi: 12206
- Iscritto il: 12 ago 2012, 1:20
- Località: Londra
31 messaggi
• Pagina 1 di 4 • 1, 2, 3, 4
Torna a Costruzione, riparazione, riutilizzo
Chi c’è in linea
Visitano il forum: Nessuno e 12 ospiti

Elettrotecnica e non solo (admin)
Un gatto tra gli elettroni (IsidoroKZ)
Esperienza e simulazioni (g.schgor)
Moleskine di un idraulico (RenzoDF)
Il Blog di ElectroYou (webmaster)
Idee microcontrollate (TardoFreak)
PICcoli grandi PICMicro (Paolino)
Il blog elettrico di carloc (carloc)
DirtEYblooog (dirtydeeds)
Di tutto... un po' (jordan20)
AK47 (lillo)
Esperienze elettroniche (marco438)
Telecomunicazioni musicali (clavicordo)
Automazione ed Elettronica (gustavo)
Direttive per la sicurezza (ErnestoCappelletti)
EYnfo dall'Alaska (mir)
Apriamo il quadro! (attilio)
H7-25 (asdf)
Passione Elettrica (massimob)
Elettroni a spasso (guidob)
Bloguerra (guerra)


pigreco]=π