mi sto facendo una cultura di base di elettronica in modo da alimentare un LED ad alta potenza. Ho cominciato a studiare i rudimenti (tensione, corrente, legge di Ohm, leggi di Kirchhoff) e volevo fare insieme a voi che siete più esperti, un percorso che mi possa portare alla realizzazione del circuito finale :)
Il primo step, a mio avviso, è la realizzazione di un circuito in grado di alimentare un LED a potenza fissa.
Cominciamo dal circuito più semplice (e sbagliato) che mi è venuto in mente:
Osservazioni:
- Il circuito funziona esclusivamente se la tensione in entrata è pari a quella del funzionamento del LED, in quanto la legge di Kirchhoff della tensione dice che la somma delle tensioni nel circuito dev'essere pari a quella d'ingresso.
- Il generatore deve erogare almeno un valore di corrente pari al consumo del LED, pena surriscaldamento, spegnimento o rottura dell'alimentatore, poiché il LED richiederà più corrente di quella che la sorgente energetica è in grado di fornire.
La mia prima domanda è: se io avessi un, diciamo, trasformatore CA-CC che mi fornisce un tensione superiore a quella richiesto dal LED, dovrei porre una resistenza prima o dopo il carico del LED stesso, oppure dovrei utilizzare qualche altro componente (attivo o passivo che sia)? Ho letto, onestamente non ricordo dove, che è sconsigliabile mettere una resistenza prima del carico in quanto il passaggio di energia provocherebbe una dissipazione termica fino a fondere, per un piccolo valore di W consumati. Se ponessi quindi la resistenza dopo il LED, in modo che la tensione in ritorno fosse pari a 0 (calcolandola utilizzando la legge di Ohm), la tensione passante sul LED sarebbe, se non ho capito male, maggiore rispetto a quella richiesta / supportata dal LED stesso. Ho pensato anche ad un divisore di tensione, ma anche quello utilizza di fatto una resistenza prima del carico...
Grazie :)

Elettrotecnica e non solo (admin)
Un gatto tra gli elettroni (IsidoroKZ)
Esperienza e simulazioni (g.schgor)
Moleskine di un idraulico (RenzoDF)
Il Blog di ElectroYou (webmaster)
Idee microcontrollate (TardoFreak)
PICcoli grandi PICMicro (Paolino)
Il blog elettrico di carloc (carloc)
DirtEYblooog (dirtydeeds)
Di tutto... un po' (jordan20)
AK47 (lillo)
Esperienze elettroniche (marco438)
Telecomunicazioni musicali (clavicordo)
Automazione ed Elettronica (gustavo)
Direttive per la sicurezza (ErnestoCappelletti)
EYnfo dall'Alaska (mir)
Apriamo il quadro! (attilio)
H7-25 (asdf)
Passione Elettrica (massimob)
Elettroni a spasso (guidob)
Bloguerra (guerra)






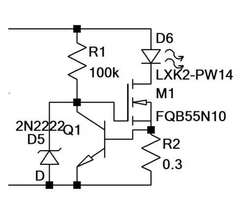
, calcola all'incirca la resistenza deve essere
. Lo zener non è necessario, ma può essere necessario se la tensione sulla base del 2n2222 supera i 5 volt perché può danneggiarsi. Oppure cambi transistor. Devi tarare il trasformatore per fare in modo che la tensione sia più vicino possibile alla tensione dei led in modo che il mosfet dissipi il meno possibile. Per ottenere quella tensione potresti cercare un alimentatore swiching regolabile, però potresti trovare direttamente uno swiching in corrente che non è male.