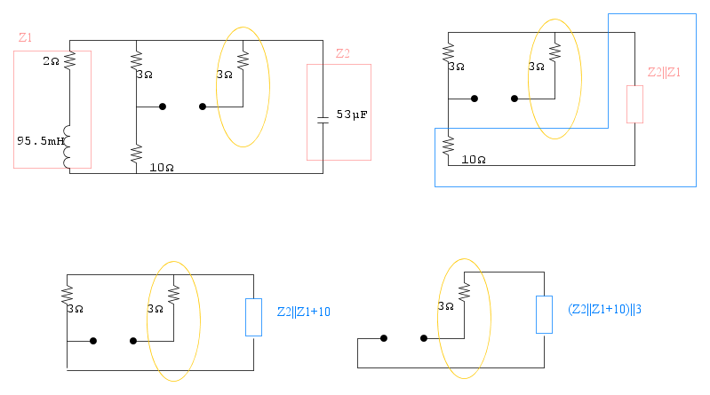
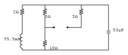
Buonasera a tutti, ho questi due esempi su cui sto lavorando.
Purtroppo non capisco come interpretare quei rami dove ho inserito le connessioni.
In entrambi devo arrivare a calcolare potenze attive e reattive, fattori di carico e rifasamento (ma su questi non ho dubbi). Devo appunto solo capire come "sistemare" i circuiti e renderli più maneggevoli.
In questo caso particolare viene detto che i terminali A e B sono collegati con una connessione ideale
Come capire le connessioni tra i rami
Moderatori:
g.schgor,
IsidoroKZ
4 messaggi
• Pagina 1 di 1
0
voti
3
voti
0
voti
Ok, anche questo mi è chiaro
Guardando il primo circuito queste resistenza come devo considerarla? In serie al condensatore?
Guardando il primo circuito queste resistenza come devo considerarla? In serie al condensatore?
3
voti
4 messaggi
• Pagina 1 di 1
Torna a Elettrotecnica generale
Chi c’è in linea
Visitano il forum: Nessuno e 19 ospiti

Elettrotecnica e non solo (admin)
Un gatto tra gli elettroni (IsidoroKZ)
Esperienza e simulazioni (g.schgor)
Moleskine di un idraulico (RenzoDF)
Il Blog di ElectroYou (webmaster)
Idee microcontrollate (TardoFreak)
PICcoli grandi PICMicro (Paolino)
Il blog elettrico di carloc (carloc)
DirtEYblooog (dirtydeeds)
Di tutto... un po' (jordan20)
AK47 (lillo)
Esperienze elettroniche (marco438)
Telecomunicazioni musicali (clavicordo)
Automazione ed Elettronica (gustavo)
Direttive per la sicurezza (ErnestoCappelletti)
EYnfo dall'Alaska (mir)
Apriamo il quadro! (attilio)
H7-25 (asdf)
Passione Elettrica (massimob)
Elettroni a spasso (guidob)
Bloguerra (guerra)







