Buongiorno,
ho un circuito a 12v di apertura e chiusura tramite telecomando a 2 pulsanti separati e 2 uscite separate, una da un impulso di apertura e una di chiusura entrambi in negativo. Con questi 2 impulsi vorrei comandare un relè passo passo dove un impulso ad es. di apertura lo fa cambiare di stato e anche premendo nuovamente il pulsante di apertura più volte lo stato del relè non deve cambiare. Per cambiare di stato al relè devo premere il pulsante di chiusura una volta e anche qui premendo nuovamente il pulsante di chiusura lo stato del relè non deve cambiare, cambia solo premendo quello di apertura.
Ho provato a cercare in rete un circuito elettronico che riesca a fare quanto sopra descritto sia già pronto che da auto costruire, ma non ho trovato niente.
Qualcuno può indicarmi dove posso acquistarlo o eventualmente come realizzarlo ?
Grazie
Lorenzo
Comandare relè passo passo
Moderatori:
carloc,
g.schgor,
BrunoValente,
IsidoroKZ
8 messaggi
• Pagina 1 di 1
0
voti
Se ti ho capito bene, a te non serve un relay passo-passo, ma un relay comandato in apertura e chiusura, il relay passo-passo , fa un passo dietro l'altro e uno chiude e quello dopo apre e così via.
Guarda questo circuito, è un circuito con autoritenuta del relay, un pulsante NA quando lo chiudi chiude il circuito ed un contatto ausiliario del relay lo tiene chiuso e anche se lo rilasci e lo ripremi è sempre chiuso, per aprire il circuito devi aprire il pulsante NC e se lo ripremi non si apre.
Guarda questo circuito, è un circuito con autoritenuta del relay, un pulsante NA quando lo chiudi chiude il circuito ed un contatto ausiliario del relay lo tiene chiuso e anche se lo rilasci e lo ripremi è sempre chiuso, per aprire il circuito devi aprire il pulsante NC e se lo ripremi non si apre.
Alex
https://www.facebook.com/Elettronicaeelettrotecnica
<< vedi di pigliare arditamente in mano, il dizionario che ti suona in bocca,
se non altro è schietto e paesano.
(Giuseppe Giusti) <<
https://www.facebook.com/Elettronicaeelettrotecnica
<< vedi di pigliare arditamente in mano, il dizionario che ti suona in bocca,
se non altro è schietto e paesano.
(Giuseppe Giusti) <<
0
voti
Se possiedi già telecomando e ricevitore puoi postare una foto, così si può capire come impostare uno schema. A che frequenza e tensione funziona il ricevitore? Fai sapere cosa devi realizzare, così è più facile per noi del forum darti dei consigli.
-

StefanoSunda
2.880 3 6 10 - Master

- Messaggi: 1962
- Iscritto il: 16 set 2010, 19:29
0
voti
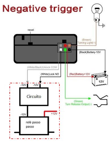
Ho un semplice apri/chiudi porte per auto, dove ci sono 2 consensi di uscita separati negativi, uno per il pulsante di apertura e uno per quello di chiusura.
Mi serve un circuito che prenda in input i due consensi separatamente e mi fornisca un solo consenso in uscita per un relè passo passo, mi serve passo passo e non comandato.
La logica del circuito è quella che ho descritto in precedenza; premo il tasto di apertura e il relè passo passo scatta, premo il tasto chiusura e il relè passo passo scatta, torno a premere il tasto apertura e il relè scatta e cosi via. Se premo più volte di seguito lo stesso tasto apertura o chiusura il relè deve scattare una volta sola e non più volte.
Allego schema del apri/chiudi porte dove ho aggiunto una sezione tratteggiata con circuito da realizzare e relè passo passo.
Spero di essere riuscito a spiegare ciò che mi occorre.
Grazie
Mi serve un circuito che prenda in input i due consensi separatamente e mi fornisca un solo consenso in uscita per un relè passo passo, mi serve passo passo e non comandato.
La logica del circuito è quella che ho descritto in precedenza; premo il tasto di apertura e il relè passo passo scatta, premo il tasto chiusura e il relè passo passo scatta, torno a premere il tasto apertura e il relè scatta e cosi via. Se premo più volte di seguito lo stesso tasto apertura o chiusura il relè deve scattare una volta sola e non più volte.
Allego schema del apri/chiudi porte dove ho aggiunto una sezione tratteggiata con circuito da realizzare e relè passo passo.
Spero di essere riuscito a spiegare ciò che mi occorre.
Grazie
0
voti
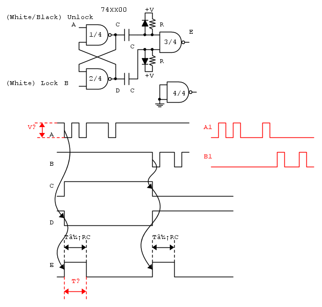
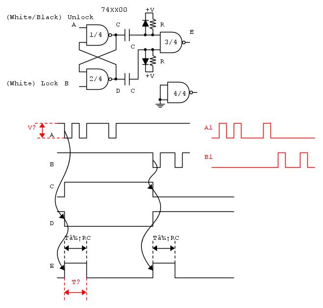
È un integrato giusto?
7408 può andare bene?
Condensatori, resistenze e diodi come li calcolo?
Grazie
7408 può andare bene?
Condensatori, resistenze e diodi come li calcolo?
Grazie
0
voti
A me sembra esattamente la definizione di latch J-K, anche se non mi sono fermato a studiare tanto bene la richiesta, ci sono però alcune cose un po' dubbie sulla richiesta, ad esempio prima si dice: "di apertura lo fa cambiare di stato" epoi, poco sotto si dice: "anche premendo nuovamente il pulsante di apertura più volte lo stato del relè non deve cambiare".
Non mi è molto chiaro il funzionamento del pulsante start, e cosa deve succedere a pressioni singole o ripetute dello stesso start.
Magari un latch J-K abbinato ad un monostabile in uscita?
Non mi è molto chiaro il funzionamento del pulsante start, e cosa deve succedere a pressioni singole o ripetute dello stesso start.
Magari un latch J-K abbinato ad un monostabile in uscita?
-

harpefalcata
326 1 3 6 - Stabilizzato

- Messaggi: 422
- Iscritto il: 28 lug 2015, 21:03
0
voti
samogas ha scritto:È un integrato giusto?
7408 può andare bene?
Condensatori, resistenze e diodi come li calcolo?
Per rispondere alla tue domande occorrono ulteriori dati (lo schema ed il diagramma temporale sono puramente di principio)
1) qual e' il valore della tensione V? in ingresso a A e B?
2) qual e' la forma d'onda in ingresso a A e B: A, B (normalmente alto) o A1, B1, (normalmente basso)
3) quanto deve essere la durata T? dell'impulso?
4) quali sono le caratteristiche per pilotare il rele passo-passo (tensione continua o alternata, valore della tensione e della corrente)
I valori di R e C dipendono dalla logica utlizzata (TTL o CMOS) e da T?
La logica utilizzata dipende dal punto 1)
Il 74XX00 indicato nello schema e un quadruplo NAND a due ingressi
il 7408 e' un quadruplo AND a due ingressi
8 messaggi
• Pagina 1 di 1
Chi c’è in linea
Visitano il forum: Nessuno e 41 ospiti

Elettrotecnica e non solo (admin)
Un gatto tra gli elettroni (IsidoroKZ)
Esperienza e simulazioni (g.schgor)
Moleskine di un idraulico (RenzoDF)
Il Blog di ElectroYou (webmaster)
Idee microcontrollate (TardoFreak)
PICcoli grandi PICMicro (Paolino)
Il blog elettrico di carloc (carloc)
DirtEYblooog (dirtydeeds)
Di tutto... un po' (jordan20)
AK47 (lillo)
Esperienze elettroniche (marco438)
Telecomunicazioni musicali (clavicordo)
Automazione ed Elettronica (gustavo)
Direttive per la sicurezza (ErnestoCappelletti)
EYnfo dall'Alaska (mir)
Apriamo il quadro! (attilio)
H7-25 (asdf)
Passione Elettrica (massimob)
Elettroni a spasso (guidob)
Bloguerra (guerra)





