Cos'è ElectroYou | Login Iscriviti

ElectroYou - la comunità dei professionisti del mondo elettrico

[Architettura dei calcolatori ] Esercizo Multiplex

Elettronica lineare e digitale: didattica ed applicazioni

Moderatori: Foto Utentecarloc, Foto Utenteg.schgor, Foto UtenteBrunoValente, Foto UtenteIsidoroKZ

0
voti

[1] [Architettura dei calcolatori ] Esercizo Multiplex

Messaggioda Foto UtenteTaras » 11 feb 2020, 10:02

Buongiorno.

Vorrei risolvere quest'esercizio per poi provarlo con Logism .

(Logism non lo conoscevo e grazie a RenzoDF che ringrazio , l'ho conosciuto . Mi paice molto utilizzarlo.)

Ho svolto diversi esercizi sui multiplex pero' l'uscita F (funzione) era compresa nell'esercizio .
Per esempio:
F(x,y,z,w) = x'yzw' + x'y'zw + xy + yz etc, etc

L'esercizio mi chiede :

Progettare un circuito multiplexer da 5 ingressi a 1 uscita, minimizzando il più possibile il circuito combinatorio.

Provo a realizzarlo autonomamente poi se per favore qualcuno verifica sia sia giusto .
Lo realzzo con logism e lo posto .

?%Grazie .
Avatar utente
Foto UtenteTaras
10 3
New entry
New entry
 
Messaggi: 88
Iscritto il: 1 mag 2019, 17:33

0
voti

[2] Re: [Architettura dei calcolatori ] Esercizo Multiplex

Messaggioda Foto Utenterugweri » 11 feb 2020, 11:15

Benissimo... dov'è questo circuito che dobbiamo verificare per te? :-k

(Prima di realizzare il circuito, per favore minimizza la funzione logica ;-))
Avatar utente
Foto Utenterugweri
5.948 2 7 11
CRU - Account cancellato su Richiesta utente
 
Messaggi: 1366
Iscritto il: 25 nov 2016, 18:46

0
voti

[3] Re: [Architettura dei calcolatori ] Esercizo Multiplex

Messaggioda Foto UtenteTaras » 11 feb 2020, 11:21

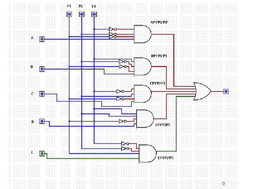
Secondo me andrebbe risolto in questo modo .

Per il momento non funziona . Non ho capito il motivo .
Allego anche il file sorgente creato con logism.
Se qualcuno ha un po' di tempo per corregerlo oppure mi dice come fare , lo ringrazio molto.

Cosa ne pensate dello svolgimeto ?
(logism lo sto utilizzando da un paio di giorni . Ho fatto poca pratica)
Allegati
MULTIPLEX.zip
(1.8 KiB) Scaricato 145 volte
multiplex 5 a 1.jpg
Avatar utente
Foto UtenteTaras
10 3
New entry
New entry
 
Messaggi: 88
Iscritto il: 1 mag 2019, 17:33

0
voti

[4] Re: [Architettura dei calcolatori ] Esercizo Multiplex

Messaggioda Foto UtenteRenzoDF » 11 feb 2020, 11:40

Premesso che Logisim ha ancora dei bachi da sistemare, hai usato ingressi three-state, fra l'altro diversi sono connessi sul lato errato, e non hai connesso le porte AND correttamente (prova a trascinarle).

Di Logisim c'è anche altri fork,

https://github.com/topics/logisim?utf8=%E2%9C%93&q=logisim&type=

Bello il fork tedesco, DIGITAL: senza dubbio da provare (forse il migliore). ;-)

C'è pure quello italiano, che avrà anche lui ancora qualche problemino, ma se vuoi provarlo, a tuo rischio e pericolo :mrgreen:

http://www.logisim.altervista.org/

BTW Ultimo consiglio: al posto delle NOT puoi negare ogni ingresso delle AND dalle sue proprietà.

Sono comunque già disponibili i MUX.
"Il circuito ha sempre ragione" (Luigi Malesani)
Avatar utente
Foto UtenteRenzoDF
55,9k 8 12 13
G.Master EY
G.Master EY
 
Messaggi: 13189
Iscritto il: 4 ott 2008, 9:55

0
voti

[5] Re: [Architettura dei calcolatori ] Esercizo Multiplex

Messaggioda Foto Utenterugweri » 11 feb 2020, 11:47

Il problema è quello che ti ha detto Foto UtenteRenzoDF: hai sbagliato metà delle connessioni e impostato i tuoi pin come three-state :ok:

Che ti serva da lezione: le porte con 4+ input non si usano :mrgreen:
Avatar utente
Foto Utenterugweri
5.948 2 7 11
CRU - Account cancellato su Richiesta utente
 
Messaggi: 1366
Iscritto il: 25 nov 2016, 18:46

0
voti

[6] Re: [Architettura dei calcolatori ] Esercizo Multiplex

Messaggioda Foto UtenteRenzoDF » 11 feb 2020, 11:50

rugweri ha scritto:... Che ti serva da lezione: le porte con 4+ input non si usano :mrgreen:

Direi che si possono usare, ma non in versione WIDE, con quel quarto ingresso quasi nascosto.
"Il circuito ha sempre ragione" (Luigi Malesani)
Avatar utente
Foto UtenteRenzoDF
55,9k 8 12 13
G.Master EY
G.Master EY
 
Messaggi: 13189
Iscritto il: 4 ott 2008, 9:55

0
voti

[7] Re: [Architettura dei calcolatori ] Esercizo Multiplex

Messaggioda Foto Utenterugweri » 11 feb 2020, 11:57

RenzoDF ha scritto:Direi che si possono usare, ma non in versione WIDE, con quel quarto ingresso quasi nascosto.


(Era una battuta legata a tutti i problemi che le porte con troppi input causano nei circuiti reali ;-))
Avatar utente
Foto Utenterugweri
5.948 2 7 11
CRU - Account cancellato su Richiesta utente
 
Messaggi: 1366
Iscritto il: 25 nov 2016, 18:46

0
voti

[8] Re: [Architettura dei calcolatori ] Esercizo Multiplex

Messaggioda Foto UtenteTaras » 11 feb 2020, 12:09

Grazie ,

provo a fare le correzioni che mi avete detto di fare .

Secondo voi e' possibile togliere gli ingombranti NOT con un semplice pallino ai pin d'ingresso ?
Avatar utente
Foto UtenteTaras
10 3
New entry
New entry
 
Messaggi: 88
Iscritto il: 1 mag 2019, 17:33

0
voti

[9] Re: [Architettura dei calcolatori ] Esercizo Multiplex

Messaggioda Foto Utenterugweri » 11 feb 2020, 12:10

Taras ha scritto:Secondo voi e' possibile togliere gli ingombranti NOT con un semplice pallino ai pin d'ingresso ?


Riflettici un attimo: qual è (se c'è) la differenza tra le due cose?
Avatar utente
Foto Utenterugweri
5.948 2 7 11
CRU - Account cancellato su Richiesta utente
 
Messaggi: 1366
Iscritto il: 25 nov 2016, 18:46

0
voti

[10] Re: [Architettura dei calcolatori ] Esercizo Multiplex

Messaggioda Foto UtenteRenzoDF » 11 feb 2020, 12:20

Taras ha scritto:...Secondo voi e' possibile togliere gli ingombranti NOT con un semplice pallino ai pin d'ingresso ?

Te lo avevo già scritto in [4], basta impostare la negazione sulle proprietà della porta (righe in fondo).
"Il circuito ha sempre ragione" (Luigi Malesani)
Avatar utente
Foto UtenteRenzoDF
55,9k 8 12 13
G.Master EY
G.Master EY
 
Messaggi: 13189
Iscritto il: 4 ott 2008, 9:55

Prossimo

Torna a Elettronica generale

Chi c’è in linea

Visitano il forum: Nessuno e 246 ospiti