Salve a tutti.
Questo e' il mio primo post, spero che mi possiate aiutare e spero di usare la sezione giusta.
Per entrare nel mio posto auto devo passare per un cancello automatico mosso da un motore elettrico da 220 V.
Vorrei che quando arrivo ed apro tramite telecomando il cancello si accendessero, in automatico se buio, anche le luci e vorrei che si spegnessero solo tramite interruttore/pulsante.
Vorrei inoltre che ci fosse la possibilita' di accenderle anche senza aprire il cancello. Penso sia una cosa abbastanza facile per uno pratico ma non per me.
Grazie in anticipo.
Accensione luci con cancello elettrico
12 messaggi
• Pagina 1 di 2 • 1, 2
0
voti
0
voti
motore a 220 proprio ? o alimentato a 220 ma la corrente di scorrimento a 24 V ?
bisogna vedere la centralina: altirmenti bisognerebbe associare alla centralina ricevente un rele in modo che la chiamata del telecomando corrisponda all'impulso di azionamento del rele e accensione della lampadina che poi sarà possibile comandare normalmente come punto luce (sempre tramite pulsante collegato al rele)
bisogna vedere la centralina: altirmenti bisognerebbe associare alla centralina ricevente un rele in modo che la chiamata del telecomando corrisponda all'impulso di azionamento del rele e accensione della lampadina che poi sarà possibile comandare normalmente come punto luce (sempre tramite pulsante collegato al rele)
0
voti
Fedib ha scritto:Ciao, è un cancello a battente o scorrevole? che modello di automazione monta ?
Credo che sia un "normale" cancello scorrevole. Dico normale perche' non ha nulla di particolare.
Apertura da telecomando. 4 fotocellule, lampeggiante....
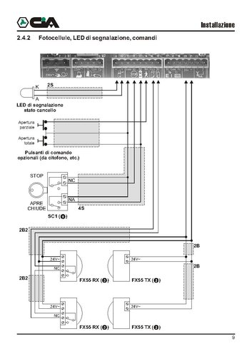
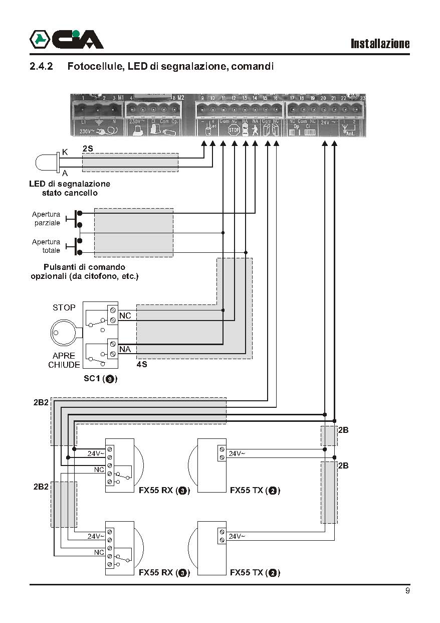
Ti allego due pagine del manuale della centralina di controllo.
Ciao e grazie per la risposta immediata.
0
voti
Sul manuale non c'è scritto nulla sul comportamento dell''uscita "led segnalazione stato cancello"? (cioè è on quando si apre piuttosto che è on per tutta la durata del ciclo apertura-chiusura...)
0
voti
Fedib ha scritto:Sul manuale non c'è scritto nulla sul comportamento dell''uscita "led segnalazione stato cancello"? (cioè è on quando si apre piuttosto che è on per tutta la durata del ciclo apertura-chiusura...)
Si ma non credo si possa usare. Il led si accende in modi diversi a seconda dello stato del cancello.
Se ti ho capito trovi le informazioni che mi hai chiesto nell'allegato. Ho fatto un riquadro in rosso per evidenziarle.
0
voti
mi sembra di aver letto che è temporizzato
pero' avevo visto anche una uscita 24 V aux... forse la lampada si puo' collegare li, solo che poi va azionata a mano
secondo me ci vuole una centralina secondaria per fare come vuoi te
pero' avevo visto anche una uscita 24 V aux... forse la lampada si puo' collegare li, solo che poi va azionata a mano
secondo me ci vuole una centralina secondaria per fare come vuoi te
0
voti
Ho scoperto di avere un amico di un amico mezzo elettricista e mi ha fatto questo schema.
Dite che va bene?
Se ho capito bene attacca un rele al lampeggiatore a 220 V che a sua volta chiude un altro rele'.
Concettualmente l'ho capito ma per realizzarlo non so cosa comprare e come fare i collegamenti.
Dite che va bene?
Se ho capito bene attacca un rele al lampeggiatore a 220 V che a sua volta chiude un altro rele'.
Concettualmente l'ho capito ma per realizzarlo non so cosa comprare e come fare i collegamenti.
- Allegati
-
Schema per luci cancello.pdf- (31.19 KiB) Scaricato 823 volte
0
voti
Dipende sempre da come e da chi viene gestito il lampeggio della lampada, senza conoscere la scheda non è facile trovare una soluzione. Se la tensione è fissa sull'uscita lampeggiatore ci vorrebbe un relè ritardato alla disinserzione es. finder 80.71 in funzione DI (per non tenere sotto tensione il relè passo-passo per tutta la durata del ciclo o mezzo ciclo) e sul circuito luci un relè passo-passo.
12 messaggi
• Pagina 1 di 2 • 1, 2
Chi c’è in linea
Visitano il forum: Nessuno e 14 ospiti

Elettrotecnica e non solo (admin)
Un gatto tra gli elettroni (IsidoroKZ)
Esperienza e simulazioni (g.schgor)
Moleskine di un idraulico (RenzoDF)
Il Blog di ElectroYou (webmaster)
Idee microcontrollate (TardoFreak)
PICcoli grandi PICMicro (Paolino)
Il blog elettrico di carloc (carloc)
DirtEYblooog (dirtydeeds)
Di tutto... un po' (jordan20)
AK47 (lillo)
Esperienze elettroniche (marco438)
Telecomunicazioni musicali (clavicordo)
Automazione ed Elettronica (gustavo)
Direttive per la sicurezza (ErnestoCappelletti)
EYnfo dall'Alaska (mir)
Apriamo il quadro! (attilio)
H7-25 (asdf)
Passione Elettrica (massimob)
Elettroni a spasso (guidob)
Bloguerra (guerra)



