Come da titolo vorrei riparare il mio condizionatore dual split Daikin Emura che qualche mese fa ha subito uno shock elettrico a causa di un guasto Enel che ha portato i 380Vac in appartamento (c'è stato un corto sull'elettrodotto trifase che ha eliminato il neutro N e portato 2 fasi). Ovviamente ho avuto più danni, molti li ho riparati ma questo lo sto affrontando in "punta di piedi" è la prima volta che apro un condizionatore.
A seguito dello sbalzo di tensione Motore esterno ed i due split hanno smesso di funzionare. Ho aperto il motore esterno e sulla scheda elettronica ho trovato solo un Varistore esploso; aperto uno split (l'altro ci arriverò, intanto l'ho scollegato) ed ho trovato solo un fusibile saltato. Penso: "che figata me la cavo con poco!".
Sulla scheda motore ho sostituito il Varistore e data corrente, non è saltato nulla, sento qualche "click" e si ferma... andrà bene? Per provare sostituisco il fusibile dello split e dò corrente... BOOM! Esplode il fusibile ed il Varistore dello split (non del motore).
Ho smontato nuovamente entrambe le schede e verificata la presenza di qualche componente in corto, si perché qui c'è un corto netto! Diodi, ponte raddrizzatore, qualche condensatore... mi concentro solo sulla parte d'alimentazione ma niente, non trovo nulla di strano!
Il Nero ed il Bianco portano la 220 V dalla rete ed infatti sostituito il Varistore ed il fusibile al banco se do tensione nulla salta ed il ponte diodi fa il suo lavoro...
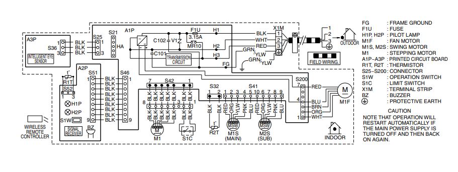
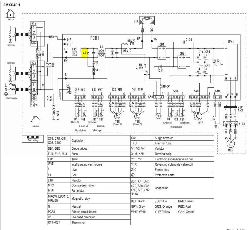
Provo, prima di rimontare lo split a misurare le tensioni in uscita dal motore verso lo split e sui morsetti 1 e 2 trovo 220 V come anche sul morsetto 3 a cui si collega il filo Rosso... e qui mi sorge il dubbio: è corretto??
Se guardo gli schemi in queste condizioni ci vedo un corto:
Ho trovato anche lo schema del PCB del motore (sotto) ma non i dettagli, quindi brancolo un po' nel buio... Sono quasi convinto che il problema sia sul motore; perché avere la 220 V sul cavo rosso (S-A)?
Qualcuno sa darmi uno spunto per la ricerca guasto?

Elettrotecnica e non solo (admin)
Un gatto tra gli elettroni (IsidoroKZ)
Esperienza e simulazioni (g.schgor)
Moleskine di un idraulico (RenzoDF)
Il Blog di ElectroYou (webmaster)
Idee microcontrollate (TardoFreak)
PICcoli grandi PICMicro (Paolino)
Il blog elettrico di carloc (carloc)
DirtEYblooog (dirtydeeds)
Di tutto... un po' (jordan20)
AK47 (lillo)
Esperienze elettroniche (marco438)
Telecomunicazioni musicali (clavicordo)
Automazione ed Elettronica (gustavo)
Direttive per la sicurezza (ErnestoCappelletti)
EYnfo dall'Alaska (mir)
Apriamo il quadro! (attilio)
H7-25 (asdf)
Passione Elettrica (massimob)
Elettroni a spasso (guidob)
Bloguerra (guerra)



