Cos'è ElectroYou | Login Iscriviti

ElectroYou - la comunità dei professionisti del mondo elettrico

Circuito perimetrale 34 kHz robot autocostruito

Progetti, interfacciamento, discussioni varie su questa piattaforma.

Moderatori: Foto UtenteWALTERmwp, Foto Utentexyz

0
voti

[1] Circuito perimetrale 34 kHz robot autocostruito

Messaggioda Foto UtenteBurida62 » 9 mag 2020, 12:40

Salve ragazzi, avrei bisogno di qualcuno che mi sappia dire come risolvere la mia situazione.
Mi sono costruito il robot rasaerba ad energia solare presente sulla rivista di Elettronica In del 2014 e sto effettuando i test preliminari prima della sua messa in funzione.
Riscontro il seguente problema: le induttanze montate a sx e dx nella parte inferiore del robot da 1mH (codice 1K A7) collegate ad un mowershield che a sua volta è collegato ad arduino, non mi riconoscono il filo interrato.
Il circuito del filo creato dal sottoscritto è da 34 kHz. Misurato e tarato a questa frequenza il circuito funziona perfettamente.
Misurato anche le induttanze non mi danno il valore di 1mH bensì 0,62 mH. Non so se c'entri qualcosa. Sta di fatto che quando lo avvio il robot non riconosce il filo interrato, ci passa sopra.
Anche nel setup dei sensori tramite LCD non riconosce il passaggio sul filo. Cosa posso fare???
E' da intervenire sullo sketch o cosa?
Grazie in anticipo a chi mi voglia aiutare perché sono bloccato. E' l'ultima cosa che mi manca per testarlo sul campo. O_/
Avatar utente
Foto UtenteBurida62
15 2
New entry
New entry
 
Messaggi: 89
Iscritto il: 16 gen 2016, 17:28

0
voti

[2] Re: Circuito perimetrale 34 kHz robot autocostruito

Messaggioda Foto UtenteEcoTan » 9 mag 2020, 12:50

Se fai vedere qualcosa dell'articolo magari può venire qualche idea.
Questo giocattolo usa due induttanze da 22mH e frequenza 100 kHz:
https://www.youtube.com/watch?v=2EyLfJf8bYk
Avatar utente
Foto UtenteEcoTan
7.720 4 12 13
Expert EY
Expert EY
 
Messaggi: 5424
Iscritto il: 29 gen 2014, 8:54

0
voti

[3] Re: Circuito perimetrale 34 kHz robot autocostruito

Messaggioda Foto UtenteBurida62 » 9 mag 2020, 13:33

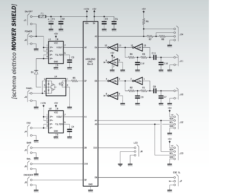
Eccovi in allegato 3 foto della rivista concernenti il circuito.
Allegati
Circuito34khz_3.png
Circuito34khz_2.png
Circuito34khz.png
Avatar utente
Foto UtenteBurida62
15 2
New entry
New entry
 
Messaggi: 89
Iscritto il: 16 gen 2016, 17:28

0
voti

[4] Re: Circuito perimetrale 34 kHz robot autocostruito

Messaggioda Foto UtenteBurida62 » 9 mag 2020, 13:34

Scusate ma sono allegati in ordine decrescente.
Avatar utente
Foto UtenteBurida62
15 2
New entry
New entry
 
Messaggi: 89
Iscritto il: 16 gen 2016, 17:28

0
voti

[5] Re: Circuito perimetrale 34 kHz robot autocostruito

Messaggioda Foto UtenteMarcoD » 9 mag 2020, 14:03

Il circuito del filo creato dal sottoscritto è da 34 kHz. Misurato e tarato a questa frequenza il circuito funziona perfettamente.
Come fai ad affermarlo ? come lo hai collaudato ?

Puoi allegare lo schema elettrico del circuito "induttanze" sensore + arduino ?
Avatar utente
Foto UtenteMarcoD
12,2k 5 9 13
Master EY
Master EY
 
Messaggi: 6696
Iscritto il: 9 lug 2015, 16:58
Località: Torino

0
voti

[6] Re: Circuito perimetrale 34 kHz robot autocostruito

Messaggioda Foto UtenteBurida62 » 9 mag 2020, 14:14

Il circuito fatto dal sottoscritto l'ho misurato con un tester che mi misura gli Hertz.
Le 2 induttanze da 1mH le ho misurate con un multitester elettronico che misura tutto (https://www.ebay.it/itm/12864-LCD-Trans ... 4137684857).
Vi allego altre foto, la rivista è troppo pesante e non me la fa allegare.
Ti ringrazio dell'aiuto. Chiedi ancora se ti serve qualcosa.
Allegati
Mowershield.png
Collegamenti.png
Circuito Arduino.png
Avatar utente
Foto UtenteBurida62
15 2
New entry
New entry
 
Messaggi: 89
Iscritto il: 16 gen 2016, 17:28

0
voti

[7] Re: Circuito perimetrale 34 kHz robot autocostruito

Messaggioda Foto UtenteEcoTan » 9 mag 2020, 15:20

Se hai un oscilloscopio dovresti seguire il segnale di una induttanza, sul connettore, all'uscita dell'operazionale e all'ingresso di Arduino. Puoi provare anche col tester.
Avatar utente
Foto UtenteEcoTan
7.720 4 12 13
Expert EY
Expert EY
 
Messaggi: 5424
Iscritto il: 29 gen 2014, 8:54

0
voti

[8] Re: Circuito perimetrale 34 kHz robot autocostruito

Messaggioda Foto UtenteBurida62 » 9 mag 2020, 15:23

Scusami, sono neofita di elettronica e non ho l'oscilloscopio. Se mi spieghi passo passo te ne sono grato. Tester ne ho 2 quindi non mi mancano però se mi spieghi terra terra il da farsi mi cimento. Grazie.
Avatar utente
Foto UtenteBurida62
15 2
New entry
New entry
 
Messaggi: 89
Iscritto il: 16 gen 2016, 17:28

0
voti

[9] Re: Circuito perimetrale 34 kHz robot autocostruito

Messaggioda Foto UtenteEcoTan » 9 mag 2020, 15:28

Non lo so se il tester è abbastanza sensibile e attendibile a 34 kHz. Mettilo alla massima sensibilità per tensione alternata, avvicina una induttanza come meglio possibile al filo, e prova a misurare ai capi dell'induttanza sia staccata che inserita sul connettore. Poi metti un condensatore in serie al puntale del tester e misura verso massa all'uscita dell'operazionale e poi all'ingresso di Arduino, se cambia qualcosa allontanando l'induttanza o agendo sul trimmer della frequenza.
P.S. Ovviamente se il tester va a fondo scala, cambia portata.
P.P.S.Per verificare se il tester sia attendibile, puoi fare una misura di tensione alternata all'uscita del generatore di segnale.
Avatar utente
Foto UtenteEcoTan
7.720 4 12 13
Expert EY
Expert EY
 
Messaggi: 5424
Iscritto il: 29 gen 2014, 8:54

0
voti

[10] Re: Circuito perimetrale 34 kHz robot autocostruito

Messaggioda Foto UtenteMarcoD » 9 mag 2020, 15:33

Mi rendo conto quanto sia difficile aiutare tramite messaggi sul forum.
Si cerca di interpretare quanto sottinteso:
Il circuito fatto dal sottoscritto l'ho misurato con un tester che mi misura gli Hertz.

Forse hai misurato la frequenza del segnale di uscuita usando il multimetro come frequenzimetro.
Hai supposto che se si legge la frequenza, l'ampiezza a vuoto del segnale sia corretta ( circa 10 Vpp), e che se connesso a una spira, la corrente nel filo sia circa 10 mApp.

Nelle pagine allegate, non ho trovato la descrizione del sensore induttivo. Come è fatto ?
Dire che dovrebbe avere una induttanza di 1 mhenry dice poco.

Nello schema elettrico allegato non ho trovato la parte di pilotaggio dei motori dello spostamento,
solo il comando del rotore taglia erba; esistono?

Nello schema ho visto che il CD4069 che è un sestuplo inverter logico CMOS,
ha le porte U3a e U3b connesse come amplificatore invertente, un uso curioso ma lecito.

Il programma di arduino rileva la variazione degli ingressi come segnale proveniente dai sensori induttivi?

Il valore di induttanza, 1 o 0,6 mH, dei sensori induttivi è poco critico.
Visto che C10 è 22 nF e L = 1 mH
F = 1/(6,28x radicedi( L x C) = circa 34 kHz, è corretto
Avatar utente
Foto UtenteMarcoD
12,2k 5 9 13
Master EY
Master EY
 
Messaggi: 6696
Iscritto il: 9 lug 2015, 16:58
Località: Torino

Prossimo

Torna a Arduino

Chi c’è in linea

Visitano il forum: Nessuno e 5 ospiti