Ciao a tutti.
Ho da poco comprato un lotto di componenti elettronici da un signore che smantellava il tutto, e sto facendo una lista su di un foglio excel con tutti i componenti scritti, i dati di funzionamento e le quantitá.
(Ho scritto circa 170 righe e ho da svuotare ancora una marea di cassettini)
Iniziano tuttavia ad arrivare anche dei componenti fantasma.. Google non mi sa aiutare.
Chiedo quindi a voi per questi componenti, che sono:
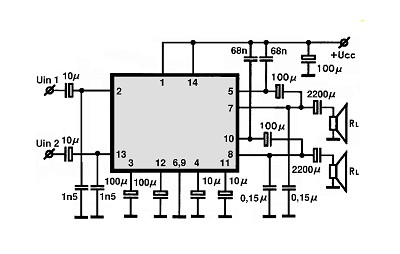
- M51515L
Un mio amico é riuscito a dirmi questo: 2x NF-E 18V 9A 2x5,5W (13V 4 ohm) finale audio, stereo
Se qualcuno trova anche il datasheet, sarebbe ottimo...
Poi, arrivano i problemi..
- PHILCO PD771039
Sempre il mio amico ha trovato questo: http://www.bitsavers.org/pdf/philco/mic ... _Jul68.pdf
Niente datasheet o specifiche precise... Aiuti?
- PORTUGAL 8349XB
SN94516N
Questi (per ora) sono i componenti fantasma. Per chiarezza vi inserisco anche una foto
Grazie mille in anticipo!
Che componenti sono? Datasheet? Dati tecnici?
Moderatori:
carloc,
g.schgor,
BrunoValente,
IsidoroKZ
7 messaggi
• Pagina 1 di 1
1
voti
Ciao
AleEl.
Per il M51515L, sono riuscito a trovare solo la seguente pagina, in cui sono riportate le caratteristiche che ti ha indicato il tuo amico:
https://english.electronica-pt.com/audi ... ef=M51515L
ed in più è riportato il circuito tipico di utilizzo, che può essere sempre utile.
Per quello che riguarda gli altri componenti non sono riuscito a trovare nulla.
Penso che la scarsità di informazioni su questi componenti sia dovuta al fatto che, o si tratta di prodotti molto vecchi e obsoleti, o sono stati prodotti in versione personalizzata a seconda della specifica applicazione.
Per il M51515L, sono riuscito a trovare solo la seguente pagina, in cui sono riportate le caratteristiche che ti ha indicato il tuo amico:
https://english.electronica-pt.com/audi ... ef=M51515L
ed in più è riportato il circuito tipico di utilizzo, che può essere sempre utile.
Per quello che riguarda gli altri componenti non sono riuscito a trovare nulla.
Penso che la scarsità di informazioni su questi componenti sia dovuta al fatto che, o si tratta di prodotti molto vecchi e obsoleti, o sono stati prodotti in versione personalizzata a seconda della specifica applicazione.
0
voti
AleEl ha scritto:- M51515L
Dalla foto sembra abbia visto tempi migliori.
Un amplificatore audio equivalente moderno (e funzionante) costa un paio di euro o poco più, montato e collaudato
PHILCO PD771039
Un comparatore analogico differenziale prodotto la 37 esima settimana del 1968. Puoi immaginare che caratteristiche spinte avrà
SN94516N
Probabile circuito custom o con marchiatura custom
Soluzione: -> cestino
P.S. Del M51515L si trova lo schema applicativo in rete
17 (!!) condensatori
0
voti
0
voti
Comunque, qualora ci fosse qualcuno interessato, lascio nel mio blog il link ai componenti elettronici che posseggo, nel caso servissero a qualcuno.
É ancora in aggiornamento, quindi non é finita. Inizieró poi con calma a mettere anche i prezzi
É ancora in aggiornamento, quindi non é finita. Inizieró poi con calma a mettere anche i prezzi
0
voti
AleEl ha scritto: SN94516N
Integrato bipolare per il controllo di lampade di emergenza. Non ne so di piu`.
Per usare proficuamente un simulatore, bisogna sapere molta più elettronica di lui
Plug it in - it works better!
Il 555 sta all'elettronica come Arduino all'informatica! (entrambi loro malgrado)
Se volete risposte rispondete a tutte le mie domande
Plug it in - it works better!
Il 555 sta all'elettronica come Arduino all'informatica! (entrambi loro malgrado)
Se volete risposte rispondete a tutte le mie domande
0
voti
Grazie
IsidoroKZ
Vi lascio il link all'articolo: https://www.electroyou.it/mediawiki/ind ... lettronici
I pareri sono ben accetti
Vi lascio il link all'articolo: https://www.electroyou.it/mediawiki/ind ... lettronici
I pareri sono ben accetti
7 messaggi
• Pagina 1 di 1
Chi c’è in linea
Visitano il forum: Majestic-12 [Bot] e 52 ospiti

Elettrotecnica e non solo (admin)
Un gatto tra gli elettroni (IsidoroKZ)
Esperienza e simulazioni (g.schgor)
Moleskine di un idraulico (RenzoDF)
Il Blog di ElectroYou (webmaster)
Idee microcontrollate (TardoFreak)
PICcoli grandi PICMicro (Paolino)
Il blog elettrico di carloc (carloc)
DirtEYblooog (dirtydeeds)
Di tutto... un po' (jordan20)
AK47 (lillo)
Esperienze elettroniche (marco438)
Telecomunicazioni musicali (clavicordo)
Automazione ed Elettronica (gustavo)
Direttive per la sicurezza (ErnestoCappelletti)
EYnfo dall'Alaska (mir)
Apriamo il quadro! (attilio)
H7-25 (asdf)
Passione Elettrica (massimob)
Elettroni a spasso (guidob)
Bloguerra (guerra)






