Ciao a tutti.
Avrei la necessitá di controllare un carico tramite un transistor PNP.
Ho unaa Vin di 48 volt, e la corrente che assorbe il carico puó arrivare anche a 4 Ampere.
Nella mia lista componenti, ho disponibile un BDX34B, che ha le seguenti caratteristiche:
Vce = -80v
Vcb = -80v
Ic = 10 Ampere
se serve, ecco qui il link diretto al datasheet: https://www.st.com/resource/en/datasheet/bdx33c.pdf
Le domande sono:
- é sufficiente per 48 volt?
- facendolo lavorare in saturazione, quanti watt dissiperebbe?
- il circuito seguente puó andar bene?
Pilotare transistor PNP e conseguenti dissipazioni
Moderatori:
carloc,
g.schgor,
BrunoValente,
IsidoroKZ
1
voti
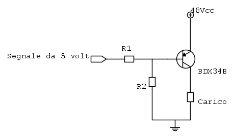
Ecco lo schema di base:
(ho corretto la rappresentazione del PNP)
Per un carico di 4A, R1=1K ed R2 calcolato per la massima corrente di base
(per ridurre la dissipazione)
(ho corretto la rappresentazione del PNP)
Per un carico di 4A, R1=1K ed R2 calcolato per la massima corrente di base
(per ridurre la dissipazione)
1
voti
AleEl ha scritto:Nella mia lista componenti, ho disponibile un BDX34
Se *devi* proprio usare quello, come hanno detto fai conto anche 10W da dissipare, e due volt e mezzo di caduta sottratta al carico (che risulterà alimentato a 45,5V), per questi motivi usare un BJT darlington come interruttore per alte correnti non è una buona idea.
Molto meglio se si usa un PNP di potenza non darlington. Ma comunque si butta via un sacco di potenza con la corrente di base.
Se possibile l'ideale è un mosfet da almeno 40A, in modo da avere una resistenza drain-source sui 50mΩ, e quindi dissipazione inferiore a 1W, caduta inferiore ai 0,3V, e nessuna corrente di gate (una volta che il condensatore di gate è carico non passa più corrente).
1
voti
Il circuito con bipolare npn e MOS p è una buona idea.
Ritengo che la polarizzazione del npn sia troppo al limite, aumenterei il valore del resistore tra la base e l'emettitore.
Stefano
Ritengo che la polarizzazione del npn sia troppo al limite, aumenterei il valore del resistore tra la base e l'emettitore.
Stefano
-

stefanodelfiore
1.673 3 8 - Master

- Messaggi: 569
- Iscritto il: 28 mar 2009, 20:15
- Località: Bologna
0
voti
Intanto grazie mille a tutti per l'aiuto e gli schemi che avete proposto
Guarderó se in giro per casa ho qualche P MOS.. altrimenti vedo su internet
grazie anche a te, per il circuito.
Ho una domanda: Il diodo con la resistenza Z in parallelo, cosa rappresenta? Grazie in anticipo
Guarderó se in giro per casa ho qualche P MOS.. altrimenti vedo su internet
djnz ha scritto:Se possibile l'ideale è un mosfet da almeno 40A, in modo da avere una resistenza drain-source sui 50mΩ, e quindi dissipazione inferiore a 1W, caduta inferiore ai 0,3V, e nessuna corrente di gate (una volta che il condensatore di gate è carico non passa più corrente).
grazie anche a te, per il circuito.
Ho una domanda: Il diodo con la resistenza Z in parallelo, cosa rappresenta? Grazie in anticipo
Chi c’è in linea
Visitano il forum: Nessuno e 108 ospiti

Elettrotecnica e non solo (admin)
Un gatto tra gli elettroni (IsidoroKZ)
Esperienza e simulazioni (g.schgor)
Moleskine di un idraulico (RenzoDF)
Il Blog di ElectroYou (webmaster)
Idee microcontrollate (TardoFreak)
PICcoli grandi PICMicro (Paolino)
Il blog elettrico di carloc (carloc)
DirtEYblooog (dirtydeeds)
Di tutto... un po' (jordan20)
AK47 (lillo)
Esperienze elettroniche (marco438)
Telecomunicazioni musicali (clavicordo)
Automazione ed Elettronica (gustavo)
Direttive per la sicurezza (ErnestoCappelletti)
EYnfo dall'Alaska (mir)
Apriamo il quadro! (attilio)
H7-25 (asdf)
Passione Elettrica (massimob)
Elettroni a spasso (guidob)
Bloguerra (guerra)










