Buonasera a tutti,
utilizzo una vecchia scheda audio Digigram PCX22v2 (link al User Manual: http://www.old.studitech.ru/resque/manu ... en_v10.pdf non sono riuscito ad allegarlo al topic) montata su un PC Windows 2000 dove gira un software di Playout radio. In sostanza è il server di messa in onda di una radio locale. Come si legge dal manuale a pagina 7 la scheda oltre ad un'uscita audio analogica ed una digitale, ha delle uscite GPIO ("2 General Purpose inputs and 2 outputs (GPIOs)"). Io vorrei utilizzare 1 delle 2 porte di OUTPUT per controllare la bobina di un relè, che poi andrà a controllare un altro dispositivo. Come da schema a pagina 27 - 28 (da ignorante) interpreto che il pin 1 e 11 del uscita J3 posso utilizzarli come "interruttore" digitale con 48 v / 0.5 A massimi. Effettivamente collegando il tester in modalità continuità rilevo circuito aperto e chiuso, e riesco correttamente a controllarlo dal software. Collego a questo punto 5v alla bobina del relè, l'altro capo al pin 1 e dal pin 11 vado al polo negativo dei 5v, il relè si eccita come da software ma quando do il comando di aprire il circuito, il PC va in crash, ovvero mi si blocca la schermata e il mouse, anche scollegando il connettore, il PC non si riprende. Occorre un riavvio forzato dall'apposito tasto sul case.
Ho provato sia prendendo i 5v dalla porta del PC stesso sia da un alimentatore esterno, con il medesimo risultato. La corrente assorbita dalla bobina è di 0.05A perciò ampiamente sotto la soglia indicata.
Quale è il modo migliore per creare un circuito che funzioni? per esempio se inserisco una resistenza da 10k ohm tra il pin 1 e la massa dei 5v la situazione migliora ma capita ancora che il PC vada in crash. Mi è stato consigliato di utilizzare un optoisolatore ma non avendo tensione in uscita dalla scheda come posso alimentare il led interno all'optoisolatore?
Come si sarà capito sono piuttosto ignorante in elettronica, è per questo che chiedo aiuto qui. Spero qualcuno possa aiutarmi anche nella scelta dei vari componenti da acquistare in caso.
GPIO Scheda audio broadcast
Moderatori:
carloc,
g.schgor,
BrunoValente,
IsidoroKZ
11 messaggi
• Pagina 1 di 2 • 1, 2
0
voti
paolo8997 ha scritto:quando do il comando di aprire il circuito, il PC va in crash
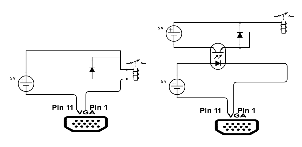
Hai messo un diodo in "antiparallelo" alla bobina del rele?
Vedi schema qui sotto.
Diodo 1N4148 / 1N400X
0
voti
Grazie! Domani vedo se ho un diodo adatto e faccio dei test. Per quanto riguarda l'optoisolatore c'è modo di migliorare il circuito separando elettricamente il sistema del relè dalla scheda?
0
voti
Attento a non metterlo al contrario :)
Vendono moduli con optoisolatori volendo anche con alimentazioni separate
https://amzn.to/3iYFRqK
Vendono moduli con optoisolatori volendo anche con alimentazioni separate
https://amzn.to/3iYFRqK
0
voti
Mmm... ok ma non mi è chiaro, come sfrutto un optoisolatore nel mio caso? nella scheda audio ho solo 2 contatti che mi aprono o chiudono un circuito, devo per forza farci passare una corrente esterna. Che poi questa correte mi alimenti direttamente una bobina di un relè oppure che alimenti il led di un optoisolatore, che a sua volta chiude o apre il circuito di alimentazione della bobina, cambia solo la quantità di corrente che scorre nei contatti della scheda audio.
Mi sbaglio?
Mi sbaglio?
0
voti
Quasi sicuramente è lo shock dato dall'extratensione all'apertura della bobina....
Un diodo in anti-parallelo risolverebbe, certo però la soluzione opto-isolata tutelerebbe di più la scheda verso danni dall'esterno.
Un diodo in anti-parallelo risolverebbe, certo però la soluzione opto-isolata tutelerebbe di più la scheda verso danni dall'esterno.
1
voti
paolo8997 ha scritto:Mmm... ok ma non mi è chiaro, come sfrutto un optoisolatore nel mio caso? nella scheda audio ho solo 2 contatti che mi aprono o chiudono un circuito, devo per forza farci passare una corrente esterna
In effetti in questo caso non porta grossi vantaggi.
Il datasheet parla di "dry contacts", il che significa che usano un relay.
Sarebbe stato un discorso diverso se fossero state uscite open-drain, nel qual caso l'uso di un optoisolatore sarebbe stato quasi obbligatorio (alimentandolo per esempio da una porta USB del computer).
Metti il diodo di ricircolo. Se si tratta di un lavoro ben fatto che non viene modificato da gente inetta ogni 3 giorni, non dovrebbero esserci problemi di sicurezza. In caso contrario si può mettere anche l'optoisolatore (oltre al diodo, che serve sempre).
Boiler
0
voti
Aggiungo solo che, nel caso volessi usare l'opto senza un modulo (ma questo vale anche per altri circuiti), dovrai aggiungere una resistenza in serie (dipende dall'opto e dalla tensione, in questo caso circa 600\1000 ohm).
0
voti
Grazie a tutti, ho fatto un test con un diodo che avevo in casa e funziona, lunedì monto il diodo 1N4001 come da suggerimento di elfo. Credo però che il segnale dalla scheda audio faccia un velocissimo on-off mentre chiude il circuito, quindi si sente il relè che viene eccitato 2 volte in una frazione di secondo. Rifarò la prova con il diodo corretto e proverò a misurare con il tester se riesco a rilevarlo (dubito), in caso si potrebbe implementare un condensatore?
Come sistema di backup ho implementato un raspberry che tramite pagina web attiva una porta gpio che controlla un secondo relè in parallelo a quello di cui si è discusso. Data l'aggiunta del raspberry vorrei sfruttarlo anche per avere un feedback sull'effettivo azionamento del relè.
La macchina controllata dal relè mi da un segnale di funzionamento a 15v che vorrei inviare ad un ingresso del raspberry per poi visualizzarlo nella pagina web. Ho quindi trovato in rete questo schema che credo possa fare al caso mio.
In casa ho un optoisolatore cosmo 1010 817 C46 può andar bene? in caso cosa mi consigliate di utilizzare?
Come sistema di backup ho implementato un raspberry che tramite pagina web attiva una porta gpio che controlla un secondo relè in parallelo a quello di cui si è discusso. Data l'aggiunta del raspberry vorrei sfruttarlo anche per avere un feedback sull'effettivo azionamento del relè.
La macchina controllata dal relè mi da un segnale di funzionamento a 15v che vorrei inviare ad un ingresso del raspberry per poi visualizzarlo nella pagina web. Ho quindi trovato in rete questo schema che credo possa fare al caso mio.
In casa ho un optoisolatore cosmo 1010 817 C46 può andar bene? in caso cosa mi consigliate di utilizzare?
1
voti
Aggiornamento finale:
ho installato il diodo che funziona correttamente senza effetti di on/off.
Seguendo lo schema che avevo postato sono riuscito anche ad implementare questo segnale in ingresso che mi indica il corretto azionamento della seconda macchina.
Grazie a tutti per l'aiuto.
Se riesco nei prossimi giorni pubblico qualche foto
ho installato il diodo che funziona correttamente senza effetti di on/off.
Seguendo lo schema che avevo postato sono riuscito anche ad implementare questo segnale in ingresso che mi indica il corretto azionamento della seconda macchina.
Grazie a tutti per l'aiuto.
Se riesco nei prossimi giorni pubblico qualche foto
11 messaggi
• Pagina 1 di 2 • 1, 2
Chi c’è in linea
Visitano il forum: Nessuno e 99 ospiti

Elettrotecnica e non solo (admin)
Un gatto tra gli elettroni (IsidoroKZ)
Esperienza e simulazioni (g.schgor)
Moleskine di un idraulico (RenzoDF)
Il Blog di ElectroYou (webmaster)
Idee microcontrollate (TardoFreak)
PICcoli grandi PICMicro (Paolino)
Il blog elettrico di carloc (carloc)
DirtEYblooog (dirtydeeds)
Di tutto... un po' (jordan20)
AK47 (lillo)
Esperienze elettroniche (marco438)
Telecomunicazioni musicali (clavicordo)
Automazione ed Elettronica (gustavo)
Direttive per la sicurezza (ErnestoCappelletti)
EYnfo dall'Alaska (mir)
Apriamo il quadro! (attilio)
H7-25 (asdf)
Passione Elettrica (massimob)
Elettroni a spasso (guidob)
Bloguerra (guerra)







