Salve ragazzi,
piacere Giovanni, è il mio primo messaggio.
Mi sto scontrando per la prima volta (dopo tanto tempo) con un esercizio del genere. (domanda anche per moderatori, è necessario usare fidocad, io non l'ho mai utilizzato, o va bene l'immagine allegata?)
Qualcuno riesci ad aiutarmi?
Come si trasformano i diodi nel modello a piccolo segnale?
Mi riuscireste ad aiutare anche con il dimensionamento o se avete qualche manuale/ appunto di aiuto, perché il prof. non lo è stato molto.
So che per tanti sono cose stupide, ma sono molto molto arrugginito su questi concetti.
Grazie a tutti
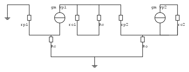
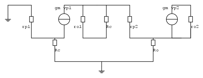
Amplificatore a bassa impdenza - Esercizio
Moderatori:
g.schgor,
IsidoroKZ
14 messaggi
• Pagina 1 di 2 • 1, 2
1
voti
0
voti
drGremi ha scritto:Cosa studi e che libro di testo hai?
è un esame di costruzioni elettroniche di ing. elettronica magistrale, ma è il primo esame di elettronica dopo un lungo periodo di pausa in cui ho fatto tutt'altro. Studio solo da appunti del prof, ma sono molto carenti.
-

giovanni90airos
0 2 - Messaggi: 18
- Iscritto il: 20 ott 2020, 17:41
0
voti
Sei fortunato, ho voglia di risolvere in modo approssimato il dimensionamento dei componenti.
Per semplificare suppongo che la corrente di base sia trascurabile rispetto quella di collettore.
Se Hfe = 100 commetterò un errore del per cento.
Voglio che Vout sia a metà strada fra 0 e 10 V, Vout = 5 V
Ic = 20 mA Ro = 5/20 = 250 ohm
Vb2 = 5 + 0,7 = 5,7 V
Rc = (10-5,7)/ 20 mA = 215 ohm
Vdiodi = 3 x 0,7 = 2,1 V
Rb = (10-2,1)/5 mA = 1580 ohm
Ve1 = 2,1 -0,7 = 1,4
Re = 1,4/20mA = 70 ohm.
Sarà giusto ?
Ora sta a te rifare i calcoli in modo più accurato ipotizzando un Hfe di 50
e quindi tenendo conto che la Ib = 20 mA / 50 = 0,4 mA
Come si trasformano i diodi nel modello a piccolo segnale?
In prima approssimazione, se sono in conduzione, sono dei cortocircuiti, poi se hanno un condensatore in parallelo lo sono ancora di più

Per semplificare suppongo che la corrente di base sia trascurabile rispetto quella di collettore.
Se Hfe = 100 commetterò un errore del per cento.
Voglio che Vout sia a metà strada fra 0 e 10 V, Vout = 5 V
Ic = 20 mA Ro = 5/20 = 250 ohm
Vb2 = 5 + 0,7 = 5,7 V
Rc = (10-5,7)/ 20 mA = 215 ohm
Vdiodi = 3 x 0,7 = 2,1 V
Rb = (10-2,1)/5 mA = 1580 ohm
Ve1 = 2,1 -0,7 = 1,4
Re = 1,4/20mA = 70 ohm.
Sarà giusto ?
Ora sta a te rifare i calcoli in modo più accurato ipotizzando un Hfe di 50
e quindi tenendo conto che la Ib = 20 mA / 50 = 0,4 mA
Come si trasformano i diodi nel modello a piccolo segnale?
In prima approssimazione, se sono in conduzione, sono dei cortocircuiti, poi se hanno un condensatore in parallelo lo sono ancora di più

0
voti
grazie mille, se riesco in serata farò lo schema e cercherò di postarlo. GrazieMarcoD ha scritto:Sei fortunato, ho voglia di risolvere in modo approssimato il dimensionamento dei componenti.
.....
Usa il tasto modifica al posto di quello cita: è inutile duplicare tutto il messaggio![]()
.....
Come si trasformano i diodi nel modello a piccolo segnale?
In prima approssimazione, se sono in conduzione, sono dei cortocircuiti, poi se hanno un condensatore in parallelo lo sono ancora di più
-

giovanni90airos
0 2 - Messaggi: 18
- Iscritto il: 20 ott 2020, 17:41
0
voti
MarcoD ha scritto:Sei fortunato, ho voglia di risolvere in modo approssimato il dimensionamento dei componenti.
Ve1 = 2,1 -0,7 = 1,4
Re = 1,4/20mA = 70 ohm.
Come si trasformano i diodi nel modello a piccolo segnale?
In prima approssimazione, se sono in conduzione, sono dei cortocircuiti, poi se hanno un condensatore in parallelo lo sono ancora di più
Ciao Marco, scusami se abuso della tua disponibilità (e se ti faccio domande stupide) potresti chiarirmi solo quei 20mA come corrente di emettitore su Q1? è perché nella configurazione a base comune la corrente di collettore è praticamente quella di emettitore? corretto? Il resto è chiarissimo. Sei stato davvero gentile.
Grazie mille
-

giovanni90airos
0 2 - Messaggi: 18
- Iscritto il: 20 ott 2020, 17:41
0
voti
Se trascuri la corrente di base, la corrente di emettitore è uguale a quella di collettore .
Il gudagno G = deltaVo / deltaVi = Rc/Re in modo approssimato. Probabilmente errato.
14 messaggi
• Pagina 1 di 2 • 1, 2
Torna a Elettrotecnica generale
Chi c’è in linea
Visitano il forum: Google Adsense [Bot] e 42 ospiti

Elettrotecnica e non solo (admin)
Un gatto tra gli elettroni (IsidoroKZ)
Esperienza e simulazioni (g.schgor)
Moleskine di un idraulico (RenzoDF)
Il Blog di ElectroYou (webmaster)
Idee microcontrollate (TardoFreak)
PICcoli grandi PICMicro (Paolino)
Il blog elettrico di carloc (carloc)
DirtEYblooog (dirtydeeds)
Di tutto... un po' (jordan20)
AK47 (lillo)
Esperienze elettroniche (marco438)
Telecomunicazioni musicali (clavicordo)
Automazione ed Elettronica (gustavo)
Direttive per la sicurezza (ErnestoCappelletti)
EYnfo dall'Alaska (mir)
Apriamo il quadro! (attilio)
H7-25 (asdf)
Passione Elettrica (massimob)
Elettroni a spasso (guidob)
Bloguerra (guerra)





