Cos'è ElectroYou | Login Iscriviti

ElectroYou - la comunità dei professionisti del mondo elettrico

Amplificazione filtro e diagramma di Bode

Elettronica lineare e digitale: didattica ed applicazioni

Moderatori: Foto Utentecarloc, Foto Utenteg.schgor, Foto UtenteBrunoValente, Foto UtenteIsidoroKZ

0
voti

[1] Amplificazione filtro e diagramma di Bode

Messaggioda Foto Utentegiovanni90airos » 23 ott 2020, 23:37

Ciao ragazzi,

qualcuno riuscirebbe ad aiutarmi con questo problema:
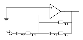
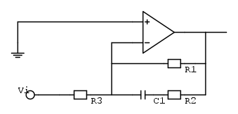
1.calcolare l'amplificazione nella banda passante;
2.disegnare il diagramma di Bode del modulo dell'amplificazione VOUT/VIN.

Per quanto riguarda il primo punto mi è stato detto che in banda passante C1 è un circuito aperto mentre C2 è un corto circuito. Non riesco però a capire perché C2 è un circuito aperto.
Poi se effettivamente è un circuito aperto, calcolo l'amplificazione come un invertente, quindi:
G = \frac{R1}{R2}=10=20db

Avatar utente
Foto Utentegiovanni90airos
0 2
 
Messaggi: 18
Iscritto il: 20 ott 2020, 17:41

0
voti

[2] Re: Amplificazione filtro e diagramma di Bode

Messaggioda Foto Utenteelfo » 23 ott 2020, 23:51

Nota le correzioni in rosso
giovanni90airos ha scritto:C2 è un corto circuito. Non riesco però a capire perché C2 è un circuito aperto.

Non riesco però a capire perché C2 è un corto circuito
Perche' - per dati di progetto (valore di C2 e frequenza di centro banda)- l'impedenza di C2 a centro banda e' trascurabile rispetto a R3

giovanni90airos ha scritto:Poi se effettivamente è un circuito aperto, calcolo l'amplificazione come un invertente, quindi:
G = \frac{R1}{R2}=10=20db

Poi se effettivamente è un corto circuito
G = \frac{R1}{R3}=10=20dB
Nota R3
Avatar utente
Foto Utenteelfo
6.819 4 5 7
G.Master EY
G.Master EY
 
Messaggi: 2828
Iscritto il: 15 lug 2016, 13:27

0
voti

[3] Re: Amplificazione filtro e diagramma di Bode

Messaggioda Foto UtenteIsidoroKZ » 24 ott 2020, 7:44

Foto Utentegiovanni90airos,prova a guardare questo messaggio viewtopic.php?f=1&t=58459&p=579056&#p579056 dove provo a spiegare come considerare i condensatori in banda passante. Questo viewtopic.php?f=1&t=49863 tratta problemi simili al tuo.
Per usare proficuamente un simulatore, bisogna sapere molta più elettronica di lui
Plug it in - it works better!
Il 555 sta all'elettronica come Arduino all'informatica! (entrambi loro malgrado)
Se volete risposte rispondete a tutte le mie domande
Avatar utente
Foto UtenteIsidoroKZ
121,2k 1 3 8
G.Master EY
G.Master EY
 
Messaggi: 21059
Iscritto il: 17 ott 2009, 0:00

0
voti

[4] Re: Amplificazione filtro e diagramma di Bode

Messaggioda Foto Utentegiovanni90airos » 24 ott 2020, 9:41

giovanni90airos ha scritto:Poi se effettivamente è un circuito aperto, calcolo l'amplificazione come un invertente, quindi:
G = \frac{R1}{R2}=10=20db

Poi se effettivamente è un corto circuito
G = \frac{R1}{R3}=10=20dB
Nota R3[/quote]


Si scusa errore mio, ieri ero un po' stanco, intendevo R3. Grazie mille per le risposte
Avatar utente
Foto Utentegiovanni90airos
0 2
 
Messaggi: 18
Iscritto il: 20 ott 2020, 17:41

0
voti

[5] Re: Amplificazione filtro e diagramma di Bode

Messaggioda Foto Utentegiovanni90airos » 24 ott 2020, 12:28

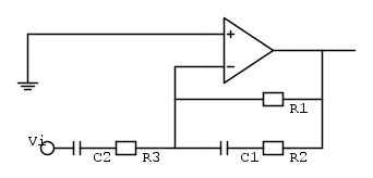
Allora vediamo se mi è chiaro qualcosa.
1) C2 è cortocircuitato perché è una capacità in "bassa frequenza" mentre C1 è una capacità in "alta frequenza" quindi un circuito aperto.
Potrei avere un chiarimento su capacità a basse frequenze e capacità ad alte frequenze? Avevo letto sul forum "tutte le capacità che chiudendosi fanno aumentare il guadagno sono in bassa frequenza, danno prima uno zero e poi un polo. Quelle invece che chiudendosi fanno diminuire il guadagno sono in alta frequenza", mi spiegate meglio cosa si intende per "chiudendosi"?

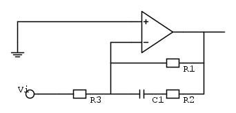
2) Il professore mi ha detto di dividere l'analisi per basse frequenze e per alte frequenze.
Per basse frequenze C1 è aperta quindi il circuito si riduce a questo:


ovvero un filtro passa alto con frequenza di taglio ft2 pari a:
\frac{1}{R3\cdot C2}


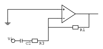
Per alte frequenze?
diventa questo?
Avatar utente
Foto Utentegiovanni90airos
0 2
 
Messaggi: 18
Iscritto il: 20 ott 2020, 17:41

0
voti

[6] Re: Amplificazione filtro e diagramma di Bode

Messaggioda Foto Utentegiovanni90airos » 25 ott 2020, 17:45

:cry: Help plz!
Avatar utente
Foto Utentegiovanni90airos
0 2
 
Messaggi: 18
Iscritto il: 20 ott 2020, 17:41

0
voti

[7] Re: Amplificazione filtro e diagramma di Bode

Messaggioda Foto Utentegiovanni90airos » 26 ott 2020, 11:38

Ciao,
dovrei esserci. Il secondo schema che ho mostrato dovrebbe essere corretto per le alte frequenze. A quel punto valuto quindi la funzione di trasferimento per le alte frequenze pari a:
\frac{R1||(R2+\frac{1}{sC1})}{R3}
Quindi un passa basso, con uno zero e un polo rispettivamente in C1R2 e (R1+R2)C1
Avatar utente
Foto Utentegiovanni90airos
0 2
 
Messaggi: 18
Iscritto il: 20 ott 2020, 17:41

0
voti

[8] Re: Amplificazione filtro e diagramma di Bode

Messaggioda Foto UtenteRoswell1947 » 26 ott 2020, 14:12

Bisogna vedere se hai già a disposizione i valori numerici di C1 e C2 .Inoltre osservando il circuito....intuisco chi sia il prof e l'università....
Avatar utente
Foto UtenteRoswell1947
89 1 3 8
Stabilizzato
Stabilizzato
 
Messaggi: 438
Iscritto il: 10 feb 2020, 16:39

0
voti

[9] Re: Amplificazione filtro e diagramma di Bode

Messaggioda Foto UtenteIsidoroKZ » 27 ott 2020, 0:32

giovanni90airos ha scritto:, mi spiegate meglio cosa si intende per "chiudendosi"?


Vuol dire che al salire della frequenza il condensatore passa dal comportarsi come un circuito aperto ad abbassare sempre piu` la sua impedenza fino a che, da una certa frequenza in su, e` equiparabile a un corto circuito.
Per usare proficuamente un simulatore, bisogna sapere molta più elettronica di lui
Plug it in - it works better!
Il 555 sta all'elettronica come Arduino all'informatica! (entrambi loro malgrado)
Se volete risposte rispondete a tutte le mie domande
Avatar utente
Foto UtenteIsidoroKZ
121,2k 1 3 8
G.Master EY
G.Master EY
 
Messaggi: 21059
Iscritto il: 17 ott 2009, 0:00


Torna a Elettronica generale

Chi c’è in linea

Visitano il forum: Nessuno e 133 ospiti