Buonasera,
purtroppo sto impazzendo con questo esercizio, se qualcuno riuscisse ad aiutarmi. Purtroppo non riesco a caricare l'immagine in fcd che sono un po' incasinato.
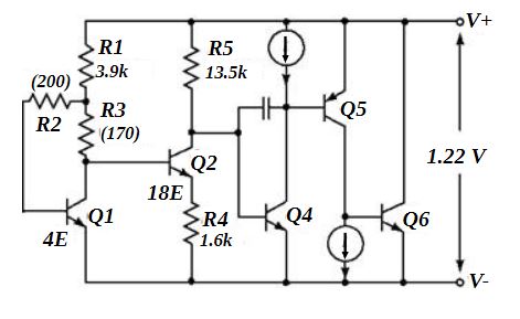
Allora il riferimento a bandgap credo che mi sia chiaro ovvero l'utilizzo di 2 transistor che in qualche modo generano una tensione di riferimento STABILE in temperatura.
La tensione di riferimento è data in generale dalla somma della Vbe di Q4 + la delta Vbe che si genera a partire tra Q1 e Q2 a causa delle diverse correnti di collettore. Ai capi delle resistenze di collettore è presente lo stesso potenziale.
In genere gli esercizi che ho visto fino ad ora hanno una corrente di base trascurabile.
In questo mi sa che la corrente di base non lo sia ma
DeltaVbe = Vbe1 - Vbe2
con Vbe1 che tiene conto anche della corrente di R2 mentre
Vbe2 tiene conto della corrente di R1.
FIno a questo punto il ragionamento è corretto?
Il cirucito in questione è quello dell'LM113, ho visto anche dal manuale dove viene anche spiegato il bandgap semplificato e solo mostrato questo qui.
Come riesco a terminare l'esercizio?
So che la tensione di riferimento è 1,22 V
Grazie mille a tutti
Riferimento a Bandgap
Moderatori:
carloc,
g.schgor,
BrunoValente,
IsidoroKZ
1 messaggio
• Pagina 1 di 1
0
voti
- Allegati
-
- Riferimento a badngap.JPG (27.97 KiB) Osservato 1003 volte
-

giovanni90airos
0 2 - Messaggi: 18
- Iscritto il: 20 ott 2020, 17:41
1 messaggio
• Pagina 1 di 1
Chi c’è in linea
Visitano il forum: Nessuno e 53 ospiti

Elettrotecnica e non solo (admin)
Un gatto tra gli elettroni (IsidoroKZ)
Esperienza e simulazioni (g.schgor)
Moleskine di un idraulico (RenzoDF)
Il Blog di ElectroYou (webmaster)
Idee microcontrollate (TardoFreak)
PICcoli grandi PICMicro (Paolino)
Il blog elettrico di carloc (carloc)
DirtEYblooog (dirtydeeds)
Di tutto... un po' (jordan20)
AK47 (lillo)
Esperienze elettroniche (marco438)
Telecomunicazioni musicali (clavicordo)
Automazione ed Elettronica (gustavo)
Direttive per la sicurezza (ErnestoCappelletti)
EYnfo dall'Alaska (mir)
Apriamo il quadro! (attilio)
H7-25 (asdf)
Passione Elettrica (massimob)
Elettroni a spasso (guidob)
Bloguerra (guerra)