Riferimento in tensione bandgap
Moderatori:
carloc,
g.schgor,
BrunoValente,
IsidoroKZ
18 messaggi
• Pagina 1 di 2 • 1, 2
0
voti
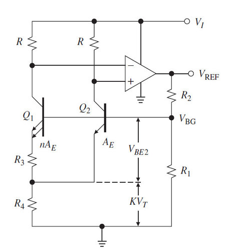
Salve,non riesco a capire un circuito che ho trovato su un libro e vorrei proporvelo affinchè , se possibile, possiate aiutarmi.Il circuito è in allegato perché con fidocad non sono riuscito a trovare i transistor con doppio emettiore.Il testo dice che VREF = VBG*(1+R2/R1),come mai?Non vedo una configurazione classica come un op amp non invertente ,ma piuttosto arrivano da Vbg due segnali che vengono invertiti dai collettori di Q1 e Q2 per entrare nei pin ,rispettivamente invertene e non ivertente , dell' op amp ,in pratica si ha ,se on erro,una doppia reazione o sbaglio?.Come mai analiticamente viene VRED=VBG*(1+R2/R1)?cioè come mai questa configurazione si comporta come op amp non invertente?Grazie
-

Roswell1947
89 1 3 8 - Stabilizzato

- Messaggi: 438
- Iscritto il: 10 feb 2020, 16:39
4
voti
Provo a dirti qualcosa anche se alcuni dettagli di quel circuito mi sfuggono, in particolare non so come si comporta quel transistor con due emettitori rispetto all'altro.
La relazione VREF=VBG*(1+R2/R1) mi pare ovvia: indipendentemente da tutto VBG è la tensione che si ottiene in uscita dal partitore R2-R1 dove in ingresso è applicata VREF, quindi...
Q1, a differenza di Q2, ha una resistenza in serie all'emettitore, quindi, anche se i due emettitori di Q1 mi mettono in difficoltà, credo di poter dire con certezza che Q1, proprio a causa della controreazione introdotta dalla R in serie all'emettitore, abbia una transconduttanza più piccola di quella di Q2, perciò l'ampiezza del segnale che torna indietro sull'ingresso invertente dell'operazionale è inferiore a quella del segnale che torna indietro sull'ingresso non invertente.
Siccome i transistor sono invertenti succede che il segnale che torna indietro sull'ingresso non invertente è una reazione negativa, mentre il segnale che torna indietro sull'ingresso invertente è una reazione positiva ma, per quanto detto sopra, la reazione negativa prevale, quindi l'operazionale vede a tutti gli effetti una controreazione e si comporta di conseguenza.
In sostanza attraverso il ragionamento fatto mi è chiaro perché VREF=VBG*(1+R2/R1) e perché l'operazionale si comporta come se fosse semplicemente controreazionato con il partitore R2-R1 ma non so dirti dove il circuito trova l'equilibrio, cioè che valore assumono VREF e VBG.
La relazione VREF=VBG*(1+R2/R1) mi pare ovvia: indipendentemente da tutto VBG è la tensione che si ottiene in uscita dal partitore R2-R1 dove in ingresso è applicata VREF, quindi...
Q1, a differenza di Q2, ha una resistenza in serie all'emettitore, quindi, anche se i due emettitori di Q1 mi mettono in difficoltà, credo di poter dire con certezza che Q1, proprio a causa della controreazione introdotta dalla R in serie all'emettitore, abbia una transconduttanza più piccola di quella di Q2, perciò l'ampiezza del segnale che torna indietro sull'ingresso invertente dell'operazionale è inferiore a quella del segnale che torna indietro sull'ingresso non invertente.
Siccome i transistor sono invertenti succede che il segnale che torna indietro sull'ingresso non invertente è una reazione negativa, mentre il segnale che torna indietro sull'ingresso invertente è una reazione positiva ma, per quanto detto sopra, la reazione negativa prevale, quindi l'operazionale vede a tutti gli effetti una controreazione e si comporta di conseguenza.
In sostanza attraverso il ragionamento fatto mi è chiaro perché VREF=VBG*(1+R2/R1) e perché l'operazionale si comporta come se fosse semplicemente controreazionato con il partitore R2-R1 ma non so dirti dove il circuito trova l'equilibrio, cioè che valore assumono VREF e VBG.
-

BrunoValente
39,6k 7 11 13 - G.Master EY

- Messaggi: 7796
- Iscritto il: 8 mag 2007, 14:48
0
voti
Ok grazie,ma in tuto questo circuito quale è lo scopo fondamentale dell'operazionale?
-

Roswell1947
89 1 3 8 - Stabilizzato

- Messaggi: 438
- Iscritto il: 10 feb 2020, 16:39
0
voti
potrebbe essere un generatore di tensione di riferimento?
vado a leggere in differenziale le tensioni su due transistor, con circuitazione simile ed uno stadio differenziale di BJT.
saluti.
vado a leggere in differenziale le tensioni su due transistor, con circuitazione simile ed uno stadio differenziale di BJT.
saluti.
-

lelerelele
4.899 3 7 9 - Master

- Messaggi: 5505
- Iscritto il: 8 giu 2011, 8:57
- Località: Reggio Emilia
8
voti
BrunoValente ha scritto:in particolare non so come si comporta quel transistor con due emettitori rispetto all'altro.
L'analisi che hai fatto della retroazione e` corretta, la retroazione complessiva e` negativa perche' il transistor Q1, con la resistenza di emettitore, amplifica meno di Q2. Per valutare la stabilita` basta l'analisi in piccolo segnale, mentre per vedere come funziona il bandgap serve una analisi in ampio segnale.
Il doppio emettitore e` solo per indicare che il transistore Q1 e` piu` grande di Q2, come se ce ne fossero tanti in parallelo. In effetti sullo schema Q1 e` indicato come nAE, mentre Q2 ha solo l'area AE.
I due transistor lavorano con la stessa corrente di collettore, dato che le due resistenze di collettore sono uguali e l'operazionale tiene la sua tensione differenziale di ingresso a zero. Il transistore Q1, dato che ha un'area piu` grande, lavora con densita` di corrente piu` piccola e ha una VBE minore.
La maglia che passa per le due
e` data da
(
e
sono circa uguali). La tensione
di un transistore vale 
dove
e` la corrente di saturazione inversa del transistore che è proporzionale all'area.Quindi l'equazione alla maglia che passa per le due giunzioni BE diventa
Si ricava il valore di
partendo dalla differenza delle due
. Dato che i due transistori sono vicini, fatti con la stessa tecnologia e stessi drogaggi, la
e` la stessa come pure la
per unita` di area e` la stessa.
da cui la corrente attraverso
vale
La corrente che passa per
e` pari a
per cui la tensione sulla resistenza
, nello schema si chiama
vale
dove si vede che e` una tensione direttamente proporzionale a
attraverso il coefficiente dato da R3, R4 e il logaritmo del rapporto delle aree. Si fa in modo che
cresca di circa 2.2mV/K, che e` esattamente di quanto scende la
di Q2, quindi si somma una tensione che cresce con la temperatura, piu` una che scende con la temperatura e se le due variazioni sono uguali, la tensione risultante e` stabile con le variazioni di temperatura. Il calcolo di quanto vale la tensione generata, un'altra volta, devo andare a fare la spesa!
Per usare proficuamente un simulatore, bisogna sapere molta più elettronica di lui
Plug it in - it works better!
Il 555 sta all'elettronica come Arduino all'informatica! (entrambi loro malgrado)
Se volete risposte rispondete a tutte le mie domande
Plug it in - it works better!
Il 555 sta all'elettronica come Arduino all'informatica! (entrambi loro malgrado)
Se volete risposte rispondete a tutte le mie domande
0
voti
Mi potreste spiegare meglio il fatto che Q1 amplifica meno di Q2?Entrambi i transistori ,dal punto di vista del segnale,hanno una resistenza sull' emettitore o sbaglio?
-

Roswell1947
89 1 3 8 - Stabilizzato

- Messaggi: 438
- Iscritto il: 10 feb 2020, 16:39
0
voti
se guardi il nodo tra Q2 e Q1, vedrai che rispetto a questo nodo, Q1 ha una resistenza di emettitore, mentre Q2 non c'e l'ha.Roswell1947 ha scritto:Mi potreste spiegare meglio il fatto che Q1 amplifica meno di Q2?Entrambi i transistori ,dal punto di vista del segnale,hanno una resistenza sull' emettitore o sbaglio?
saluti.
-

lelerelele
4.899 3 7 9 - Master

- Messaggi: 5505
- Iscritto il: 8 giu 2011, 8:57
- Località: Reggio Emilia
2
voti
Follow me on Mastodon: @davbucci@mastodon.sdf.org
-

DarwinNE
31,0k 7 11 13 - G.Master EY

- Messaggi: 4420
- Iscritto il: 18 apr 2010, 9:32
- Località: Grenoble - France
0
voti
Rispetto al nodo di Q2 e Q1 è vero che Q1ha una resistenza di emettitore mentre Q2 non la possiede,ma quando calcolo l'amplificazione faccio riferimento alla massa (o ground) ed in questo caso entrambi hanno una resistenza verso di emettiore o sbaglio?
-

Roswell1947
89 1 3 8 - Stabilizzato

- Messaggi: 438
- Iscritto il: 10 feb 2020, 16:39
18 messaggi
• Pagina 1 di 2 • 1, 2
Chi c’è in linea
Visitano il forum: Nessuno e 51 ospiti

Elettrotecnica e non solo (admin)
Un gatto tra gli elettroni (IsidoroKZ)
Esperienza e simulazioni (g.schgor)
Moleskine di un idraulico (RenzoDF)
Il Blog di ElectroYou (webmaster)
Idee microcontrollate (TardoFreak)
PICcoli grandi PICMicro (Paolino)
Il blog elettrico di carloc (carloc)
DirtEYblooog (dirtydeeds)
Di tutto... un po' (jordan20)
AK47 (lillo)
Esperienze elettroniche (marco438)
Telecomunicazioni musicali (clavicordo)
Automazione ed Elettronica (gustavo)
Direttive per la sicurezza (ErnestoCappelletti)
EYnfo dall'Alaska (mir)
Apriamo il quadro! (attilio)
H7-25 (asdf)
Passione Elettrica (massimob)
Elettroni a spasso (guidob)
Bloguerra (guerra)
.