Buongiorno a tutti,
ho una caldaia immergas extra intra 28KW predisposta per riscaldamento in zone e una casa su due livelli con impianto predisposto in zone.
ho due valvole di zona della emmeti modulo compact 230 vac a 5 fili da collegare rispettivamente per "indipendenza" zona 1 e zona 2.
in ogni piano ho un termostato ambiente.
secondo lo schema allegato della caldaia immergas, come dovrei collegare le valvole di zona e i termostati?
grazie anticipatamente
RS
Collegamento valvole di zona emmeti con caldaia extra intra
Moderatori:
paolo a m,
DarioDT,
Guerra
10 messaggi
• Pagina 1 di 1
0
voti
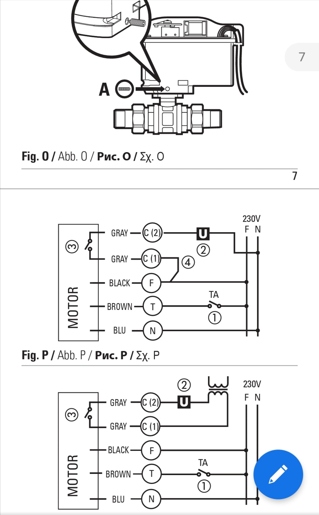
Il TA presente nello schema di collegamento della valvola sembra essere il contatto del termostato ambiente; per sfruttare questo contatto dovrebbero essere disponibili due morsetti(sul termostato).
Ad uno di questi morsetti dovrebbe essere collegata la fase(F) della tensione di rete(230 Vca) mentre all'altro dovrebbe essere collegato un filo che, dalla parte opposta, andrebbe collegato al morsetto T(BROWN) della valvola.
La valvola deve essere anche alimentata e questo lo si fa collegando la tensione di rete(Fase e Neutro) rispettivamente ai morsetti F(BLACK) e N(BLU).
I morsetti C1 e C2 sono invece i morsetti della valvola dai quali si rileva lo stato del contatto ausiliario(probabilmente è il contatto elettrico che si chiude quando la valvola si è completamente aperta, dal punto di vista idraulico).
Dallo schema della caldaia che hai allegato sembra che i due morsetti(C1 e C2) siano da collegare rispettivamente ai morsetti 40 e 41 della morsettiera X14 della caldaia; e questo per entrambe le valvole di zona.
In pratica si potrebbe collegare il C1 della prima valvola di zona al C1 dell'altra valvola e da questa al morsetto 40; quindi si dovrebbe collegare il C2 della prima valvola di zona al C2 dell'altra valvola e da questa al morsetto 41.
I due contatti risulterebbero quindi collegati in parallelo tra loro e rispetto alla morsettiera X14.
Questo dovrebbe essere sufficiente, non andrebbe collegato altro ai morsetti C1 e C2 perché lo schema delle valvole(che hai allegato) presuppone un altro uso delle valvole stesse e quindi del contatto.
Considerata la domanda che hai posto, la descrizione, per quanto "laboriosa", forse ti agevola nella comprensione(invece di uno schema).
Però è tutto al condizionale perché dipende da come è stato collegato l'esistente.
Ma così pare da quel che descrivi e dagli schemi.
Invece faccio io una domanda: ma chi si è occupato dell'idraulica non completa l'installazione con i collegamenti elettrici ?
Se vuoi occupartene in prima persona suggerisco di farti aiutare da qualcuno competente; se non hai confidenza con la materia rischi di compromettere il funzionamento dei dispositivi e, cosa più preoccupante, di farti male seriamente.
Saluti
Ad uno di questi morsetti dovrebbe essere collegata la fase(F) della tensione di rete(230 Vca) mentre all'altro dovrebbe essere collegato un filo che, dalla parte opposta, andrebbe collegato al morsetto T(BROWN) della valvola.
La valvola deve essere anche alimentata e questo lo si fa collegando la tensione di rete(Fase e Neutro) rispettivamente ai morsetti F(BLACK) e N(BLU).
I morsetti C1 e C2 sono invece i morsetti della valvola dai quali si rileva lo stato del contatto ausiliario(probabilmente è il contatto elettrico che si chiude quando la valvola si è completamente aperta, dal punto di vista idraulico).
Dallo schema della caldaia che hai allegato sembra che i due morsetti(C1 e C2) siano da collegare rispettivamente ai morsetti 40 e 41 della morsettiera X14 della caldaia; e questo per entrambe le valvole di zona.
In pratica si potrebbe collegare il C1 della prima valvola di zona al C1 dell'altra valvola e da questa al morsetto 40; quindi si dovrebbe collegare il C2 della prima valvola di zona al C2 dell'altra valvola e da questa al morsetto 41.
I due contatti risulterebbero quindi collegati in parallelo tra loro e rispetto alla morsettiera X14.
Questo dovrebbe essere sufficiente, non andrebbe collegato altro ai morsetti C1 e C2 perché lo schema delle valvole(che hai allegato) presuppone un altro uso delle valvole stesse e quindi del contatto.
Considerata la domanda che hai posto, la descrizione, per quanto "laboriosa", forse ti agevola nella comprensione(invece di uno schema).
Però è tutto al condizionale perché dipende da come è stato collegato l'esistente.
Ma così pare da quel che descrivi e dagli schemi.
Invece faccio io una domanda: ma chi si è occupato dell'idraulica non completa l'installazione con i collegamenti elettrici ?
Se vuoi occupartene in prima persona suggerisco di farti aiutare da qualcuno competente; se non hai confidenza con la materia rischi di compromettere il funzionamento dei dispositivi e, cosa più preoccupante, di farti male seriamente.
Saluti
W - U.H.F.
-

WALTERmwp
30,2k 4 8 13 - G.Master EY

- Messaggi: 8986
- Iscritto il: 17 lug 2010, 18:42
- Località: le 4 del mattino
0
voti
Te la butto lì come hanno fatto a casa mia.
3 TA, 3 elettrovalvole, 3 relè.
Non chiedermi lo schema perché dovrei smontare mezza casa, a memoria non ricordo (l'ho fatto io 3 anni fa insieme all'elettricista nel sistemare il resto dell'impianto elettrico).
Senza relè accendevo una zona e si aprivano tutte le elettrovalvole insieme (era un semplice parallelo).
3 TA, 3 elettrovalvole, 3 relè.
Non chiedermi lo schema perché dovrei smontare mezza casa, a memoria non ricordo (l'ho fatto io 3 anni fa insieme all'elettricista nel sistemare il resto dell'impianto elettrico).
Senza relè accendevo una zona e si aprivano tutte le elettrovalvole insieme (era un semplice parallelo).
-

DavideChinelli
110 2 5 - Frequentatore

- Messaggi: 185
- Iscritto il: 7 feb 2018, 13:39
0
voti
Grazie per le risposte gentili e chiare.
Da qualche anno sto cercando ( a periodi) di tentare di risolvere l'annoso problema del riscaldamento di casa mia. L'impresa costruttrice creò su mia richiesta la predisposizione per le due zone ma il caldaista, intervenuto per l'installazione successivamente, fece si che il riscaldamento funzionasse a tappeto senza rispettare la separazione tra primo e secondo piano.
Il caldaista asseriva che l'impianto predisposto non era idoneo. Chiamato l'elettricista asseriva che il problema era idraulico. Nel tempo ho capito che il problema è nei collegamenti elettrici ma altri 2 elettricisti non sono riusciti a risolvere il problema in quanto entrambi mi riferiscono una difficoltà di "interlocuzione" tra impianto e il modello di caldaia.
Proprio in questi giorni mi sono deciso a chiamare Immergas, e un operatore dell'assistenza (gentile ma mettendo le mani avanti rispetto alla sua preparazione in materia "elettricista") mi ha effettivamente parlato di relè.
Sono confuso, e portare altra gente a casa in un momento particolare come quello che stiamo attraversando mi crea apprensione.
Dall'altra parte, mi rimane il cruccio di un impianto in cui ho speso tanti soldi e che, non ha mai girato.
Chiedo gentilmente a
Sicuramente mi farò aiutare ma prima di prendere materiale o chiamare persone vorrei avere un quadro più completo.
Grazie ancora
Da qualche anno sto cercando ( a periodi) di tentare di risolvere l'annoso problema del riscaldamento di casa mia. L'impresa costruttrice creò su mia richiesta la predisposizione per le due zone ma il caldaista, intervenuto per l'installazione successivamente, fece si che il riscaldamento funzionasse a tappeto senza rispettare la separazione tra primo e secondo piano.
Il caldaista asseriva che l'impianto predisposto non era idoneo. Chiamato l'elettricista asseriva che il problema era idraulico. Nel tempo ho capito che il problema è nei collegamenti elettrici ma altri 2 elettricisti non sono riusciti a risolvere il problema in quanto entrambi mi riferiscono una difficoltà di "interlocuzione" tra impianto e il modello di caldaia.
Proprio in questi giorni mi sono deciso a chiamare Immergas, e un operatore dell'assistenza (gentile ma mettendo le mani avanti rispetto alla sua preparazione in materia "elettricista") mi ha effettivamente parlato di relè.
Sono confuso, e portare altra gente a casa in un momento particolare come quello che stiamo attraversando mi crea apprensione.
Dall'altra parte, mi rimane il cruccio di un impianto in cui ho speso tanti soldi e che, non ha mai girato.
Chiedo gentilmente a
se può fare uno sforzo verificando i collegamenti.DavideChinelli
Sicuramente mi farò aiutare ma prima di prendere materiale o chiamare persone vorrei avere un quadro più completo.
Grazie ancora
0
voti
prego.BobbyHope ha scritto:Grazie per le risposte gentili e chiare (...)
Ma, al momento, qual è la situazione ?
Per quel che riesci a capire, cosa sta funzionando e cosa ti risulterebbe collegato, sia dal punto di vista idraulico che dal punto di vista elettrico ?
Necessitano altre informazioni per riuscire a dare una prospettiva alla discussione: prova quindi a rispondere alle domande e allega delle foto relative ai termostati(forse cronotermostati) alle valvole installate e alla caldaia(morsettiere).
non si comprende cosa comportino queste ipotetiche problematiche e o cosa non abbiano interpretato quelli intervenuti successivamente.BobbyHope ha scritto:(...) Il caldaista asseriva che l'impianto predisposto non era idoneo. Chiamato l'elettricista asseriva che il problema era idraulico. Nel tempo ho capito che il problema è nei collegamenti elettrici ma altri 2 elettricisti non sono riusciti a risolvere il problema in quanto entrambi mi riferiscono una difficoltà di "interlocuzione" tra impianto e il modello di caldaia (...)
Una adeguata "interlocuzione", a cosa dovrebbe sopperire, in base alle affermazioni fatte dai tecnici ?
cosa significa esattamente, che quando la caldaia funziona(funziona ?) riscalda in modo indiscriminato tutti i piani e tutti gli ambienti ?BobbyHope ha scritto:(...) fece si che il riscaldamento funzionasse a tappeto senza rispettare la separazione tra primo e secondo piano (...)
Saluti
W - U.H.F.
-

WALTERmwp
30,2k 4 8 13 - G.Master EY

- Messaggi: 8986
- Iscritto il: 17 lug 2010, 18:42
- Località: le 4 del mattino
0
voti
Ma, al momento, qual è la situazione ?
in questo momento l'impianto idraulico è funzionante, la casa riscalda in maniera indifferenziata:
Accendo parte tutto e si riscalda tutta la casa; spengo, si spegne tutto.
i servomotori sono posti sulle valvole idrauliche ma i collegamenti elettrici sono staccati.
le elettrovalvole sono Emmeti Modulo Compact 230 Vac 2 vie con attacchi a bocchettone filettati:
https://www.emmeti.com/portal/it/prodot ... oductItem/
ai termostati ambiente (KEO B VEMER VN17070010) arrivano 2 fili di cui una è la fase.
Per quanto riguarda le foto devo rientrare a casa, magari le posterò stasera
Grazie sempre
0
voti
In pratica prendi i contatti termostato che arrivano dalla caldaia (dovresti avere la 230V) e li mandi a tutti i termostati.
I contatti dei termostati li mandi alla bobina di ogni singolo relè (dovrai interrompere la fase, prendila dalla fase termostato) e la rimandi sul neutro di ritorno al contatto TA alla caldaia.
Sui contatti di ogni relè prendi la 230V, la interrompi e vai ad ogni singola elettrovalvola.
In questo modo qualunque termostato chiude, la caldaia parte. Ma il relè (uno per ogni termostato, che apre l'elettrovalvola di zona), fa circolare acqua solo in quella zona singola.
Edit: servono relè monostabile, io ho usato dei 10A NO a doppio contatto da guida din (quelli che ho trovato a più buon mercato)
I contatti dei termostati li mandi alla bobina di ogni singolo relè (dovrai interrompere la fase, prendila dalla fase termostato) e la rimandi sul neutro di ritorno al contatto TA alla caldaia.
Sui contatti di ogni relè prendi la 230V, la interrompi e vai ad ogni singola elettrovalvola.
In questo modo qualunque termostato chiude, la caldaia parte. Ma il relè (uno per ogni termostato, che apre l'elettrovalvola di zona), fa circolare acqua solo in quella zona singola.
Edit: servono relè monostabile, io ho usato dei 10A NO a doppio contatto da guida din (quelli che ho trovato a più buon mercato)
-

DavideChinelli
110 2 5 - Frequentatore

- Messaggi: 185
- Iscritto il: 7 feb 2018, 13:39
0
voti
A meno mi sia sfuggito, non hai mai nominato, e quindi suppongo tu non abbia il Comando Amico Remoto (CAR) che è necessario per gestire il sistema se vuoi usare lo schema della Immergas.
Come viene detto la zona 1 è comandata dal CAR, attraverso la scheda relè (A9, interna alla caldaia), la zona 2 (o eventualmente la zona 3) è comandata dal rispettivo termostato di zona. In questo senso lo schema e le istruzioni del libretto sono chiare.
Come viene detto la zona 1 è comandata dal CAR, attraverso la scheda relè (A9, interna alla caldaia), la zona 2 (o eventualmente la zona 3) è comandata dal rispettivo termostato di zona. In questo senso lo schema e le istruzioni del libretto sono chiare.
0
voti
A mio avviso non serve nessun relè, in quanto è già tutto predisposto, come già descritto in un post precedente basta alimentare le valvole quando queste sono completamente aperte si chiude il contatto collegato ai morsetti 40 e 41 a questo parte la pompa di circolazione e si accende la caldaia.
I contatti delle valvole vanno collegati in parallelo come chiaramente indicato sullo schema.
Sulla mia caldaia anche se marca diversa i collegamenti sono stati fatti così
Ovviamente serve un termostato per ogni zona, collegamenti del termostato CAR non vanno assolutamente modificati
I contatti delle valvole vanno collegati in parallelo come chiaramente indicato sullo schema.
Sulla mia caldaia anche se marca diversa i collegamenti sono stati fatti così
Ovviamente serve un termostato per ogni zona, collegamenti del termostato CAR non vanno assolutamente modificati
0
voti
quindi è coerente con quanto ho scritto in [2].paolo a m ha scritto:(...) Come viene detto (...)
la immergas tra le opzioni offre anche una scheda a relè(da inserire in aggiunta all'interno della caldaia) ma per quale motivo dovrebbe o potrebbe risolvere la tua situazione(la domanda è retorica) ?BobbyHope ha scritto:(...) mi sono deciso a chiamare Immergas, e un operatore dell'assistenza (gentile ma mettendo le mani avanti rispetto alla sua preparazione in materia "elettricista") mi ha effettivamente parlato di relè (...)
Stabilito che, sono noti i termostati e le valvole inutilizzate(probabilmente forzate in manuale in apertura), si potrebbe tentare una prova.
Con cavi volanti si realizzano i collegamenti tra termostati, valvole e caldaia, previa rilettura del manuale della stessa insieme al controllo delle attuali impostazioni.
Tornerebbe utile anche conoscere sulla base di cosa l'idraulico(caldaista)
BobbyHope ha scritto:(...) asseriva che l'impianto predisposto non era idoneo (...)
Perché, se tutti(idraulico ed elettricisti) affermano che non va bene ma non dicono cosa e perché risulta inadeguato(magari lo hanno fatto, non si sa), tanto vale.
Saluti
W - U.H.F.
-

WALTERmwp
30,2k 4 8 13 - G.Master EY

- Messaggi: 8986
- Iscritto il: 17 lug 2010, 18:42
- Località: le 4 del mattino
10 messaggi
• Pagina 1 di 1
Torna a Termotecnica, illuminotecnica, acustica
Chi c’è in linea
Visitano il forum: Nessuno e 18 ospiti

Elettrotecnica e non solo (admin)
Un gatto tra gli elettroni (IsidoroKZ)
Esperienza e simulazioni (g.schgor)
Moleskine di un idraulico (RenzoDF)
Il Blog di ElectroYou (webmaster)
Idee microcontrollate (TardoFreak)
PICcoli grandi PICMicro (Paolino)
Il blog elettrico di carloc (carloc)
DirtEYblooog (dirtydeeds)
Di tutto... un po' (jordan20)
AK47 (lillo)
Esperienze elettroniche (marco438)
Telecomunicazioni musicali (clavicordo)
Automazione ed Elettronica (gustavo)
Direttive per la sicurezza (ErnestoCappelletti)
EYnfo dall'Alaska (mir)
Apriamo il quadro! (attilio)
H7-25 (asdf)
Passione Elettrica (massimob)
Elettroni a spasso (guidob)
Bloguerra (guerra)


