Salve,
essendo ancora nella giornata del Natale innanzitutto porgo i migliori auguri anche per le prossime festività.
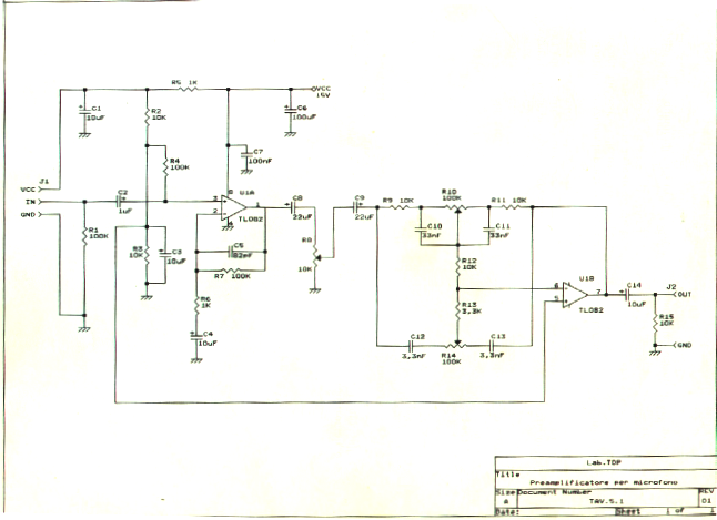
Ho trovato nel web lo schema che allego perché mi interessa costruire un preamplificatorino per microfono. Nelle 9 pagine dell’insieme ci sono spiegati i motivi per la scelta dei componenti e come è stato deciso di tagliare frequenze di disturbo ecc. ecc.
Costruito e più volte controllato nella correttezza, sono rimasto molto deluso perché a valle del circuito c’è solo tanto fruscio, che cambia secondo il movimento delle 3 resistenze variabili, ma di voce manco una sillaba,
Lo steso microfono direttamente al registratorino fa la sua parte, anteponendolo al preamplificatore è come non esista.
Potrebbe qualcuno controllare se questo circuito è corretto o se qualcosa manca o mal messo?
Eventualmente propormi altro schema di vostra provata affidabilità.
Ringrazio anticipatamente e porgo cordiali saluti.
Osvaldo – IK3ZYM
Schema per preamplificatore microfonico
Moderatori:
carloc,
g.schgor,
BrunoValente,
IsidoroKZ
32 messaggi
• Pagina 1 di 4 • 1, 2, 3, 4
0
voti
Lo schema è corretto, dovrebbe funzionare
Il tuo microfono quanti contatti ha?
Il tuo microfono quanti contatti ha?
-

SediciAmpere
4.187 5 5 8 - Master

- Messaggi: 4846
- Iscritto il: 31 ott 2013, 15:00
0
voti
Misura le tensioni in continua di tutti i piedini dell'operazionale, mettendo il puntale nero del voltmentro sul negativo dell'alimentazione, poi riporta le otto letture qui, cosi` vediamo come sta l'operazionale.
Lo schema sembra a posto.
Lo schema sembra a posto.
Per usare proficuamente un simulatore, bisogna sapere molta più elettronica di lui
Plug it in - it works better!
Il 555 sta all'elettronica come Arduino all'informatica! (entrambi loro malgrado)
Se volete risposte rispondete a tutte le mie domande
Plug it in - it works better!
Il 555 sta all'elettronica come Arduino all'informatica! (entrambi loro malgrado)
Se volete risposte rispondete a tutte le mie domande
0
voti
Che tipo di microfono sta utilizzando? Ha bisogno di essere alimentato (elettrete)? Hai utilizzato un circuito stampato?
-

BrunoValente
39,6k 7 11 13 - G.Master EY

- Messaggi: 7796
- Iscritto il: 8 mag 2007, 14:48
0
voti
Il circuito a prima vista è corretto e funziona. Probabilmente il problema è nel tipo di microfono o nei collegamenti dello stesso.
Comunque, pur facendolo funzionare, non sono convinto che vada bene per quello che vuoi fare basandomi sulla tua descrizione. L'uscita di questo circuito è a livello linea, capace di fornire un segnale (e un rumore) molto più alto di quello che serve. Comunque spiega che microfono hai, poi vediamo.
Comunque, pur facendolo funzionare, non sono convinto che vada bene per quello che vuoi fare basandomi sulla tua descrizione. L'uscita di questo circuito è a livello linea, capace di fornire un segnale (e un rumore) molto più alto di quello che serve. Comunque spiega che microfono hai, poi vediamo.
0
voti
Grazie a tutti voi.
Rispondo nell’ordine che trovo le vostre domande:
1) il microfono è a 2 contatti ma non avendo nessuna siglatura presumo sia un dinamico, posso provare con un altro a 3 contatti, anch’esso senza siglatura, che suppongo sia a condensatore ed allora dovrei aggiungere una resistenza per alimentarlo;
2) toccando l’entrata il fruscio diminuisce alquanto;
3) le tensioni sono: pin 1 = +7.35 V., pin 2 = +7.26, pin 3 = +7.19, pin 4 = massa, pin 5 = +7.26, pin 6 = +7.26, pin 7 = +7.28 e pin 8 = + 12 V.
3) il microfono è come detto sopra e ho usato un mille-fori;
Il registratorino è un Sony IC-UX570 e per necessità logistica devo usare un microfono esterno, con cavo passante per un muro di circa 40 cm.
Allego foto della costruzione.
Saluti.
Osvaldo – IK3ZYM
Rispondo nell’ordine che trovo le vostre domande:
1) il microfono è a 2 contatti ma non avendo nessuna siglatura presumo sia un dinamico, posso provare con un altro a 3 contatti, anch’esso senza siglatura, che suppongo sia a condensatore ed allora dovrei aggiungere una resistenza per alimentarlo;
2) toccando l’entrata il fruscio diminuisce alquanto;
3) le tensioni sono: pin 1 = +7.35 V., pin 2 = +7.26, pin 3 = +7.19, pin 4 = massa, pin 5 = +7.26, pin 6 = +7.26, pin 7 = +7.28 e pin 8 = + 12 V.
3) il microfono è come detto sopra e ho usato un mille-fori;
Il registratorino è un Sony IC-UX570 e per necessità logistica devo usare un microfono esterno, con cavo passante per un muro di circa 40 cm.
Allego foto della costruzione.
Saluti.
Osvaldo – IK3ZYM
0
voti
Le tensioni dei pin 1-2-3 dovrebbero differire al massimo di 10-15mV e invece differiscono di alcune centinaia di mV, credo possa dipendere dalla presenza del rumore che capta dall'ingresso oppure da una auto-oscillazione, sentiamo cosa ne pensa
IsidoroKZ.
Proporrei di togliere il microfono e cortocircuitare l'ingresso IN con GND, poi verificare anzitutto se il fruscio-ronzio si attenua molto o se scompare e in queste condizioni eseguire di nuovo le misure delle tensioni.
Quanto dista il microfono dal circuito? potresti fotografare anche il microfono? con cosa alimenti il circuito?
Proporrei di togliere il microfono e cortocircuitare l'ingresso IN con GND, poi verificare anzitutto se il fruscio-ronzio si attenua molto o se scompare e in queste condizioni eseguire di nuovo le misure delle tensioni.
Quanto dista il microfono dal circuito? potresti fotografare anche il microfono? con cosa alimenti il circuito?
-

BrunoValente
39,6k 7 11 13 - G.Master EY

- Messaggi: 7796
- Iscritto il: 8 mag 2007, 14:48
0
voti
Ha gia` detto tutto
Per usare proficuamente un simulatore, bisogna sapere molta più elettronica di lui
Plug it in - it works better!
Il 555 sta all'elettronica come Arduino all'informatica! (entrambi loro malgrado)
Se volete risposte rispondete a tutte le mie domande
Plug it in - it works better!
Il 555 sta all'elettronica come Arduino all'informatica! (entrambi loro malgrado)
Se volete risposte rispondete a tutte le mie domande
0
voti
Toccando l'ingresso diminuisce il fruscio, segno evidente di autooscillazione. In genere oscilla il controllo dei toni, ma non è vangelo.
Non vedo i potenziometri sul circuito, come hai fatto? Resistenze fisse?
Inoltre dove dovrebbe essere metà tensione ce n'è di più, segno di valori resistivi errati, con molta tolleranza oppure errore di cablaggio. Controlla bene tutto.
Non vedo i potenziometri sul circuito, come hai fatto? Resistenze fisse?
Inoltre dove dovrebbe essere metà tensione ce n'è di più, segno di valori resistivi errati, con molta tolleranza oppure errore di cablaggio. Controlla bene tutto.
32 messaggi
• Pagina 1 di 4 • 1, 2, 3, 4
Chi c’è in linea
Visitano il forum: Nessuno e 37 ospiti

Elettrotecnica e non solo (admin)
Un gatto tra gli elettroni (IsidoroKZ)
Esperienza e simulazioni (g.schgor)
Moleskine di un idraulico (RenzoDF)
Il Blog di ElectroYou (webmaster)
Idee microcontrollate (TardoFreak)
PICcoli grandi PICMicro (Paolino)
Il blog elettrico di carloc (carloc)
DirtEYblooog (dirtydeeds)
Di tutto... un po' (jordan20)
AK47 (lillo)
Esperienze elettroniche (marco438)
Telecomunicazioni musicali (clavicordo)
Automazione ed Elettronica (gustavo)
Direttive per la sicurezza (ErnestoCappelletti)
EYnfo dall'Alaska (mir)
Apriamo il quadro! (attilio)
H7-25 (asdf)
Passione Elettrica (massimob)
Elettroni a spasso (guidob)
Bloguerra (guerra)




