Ciao a tutti,
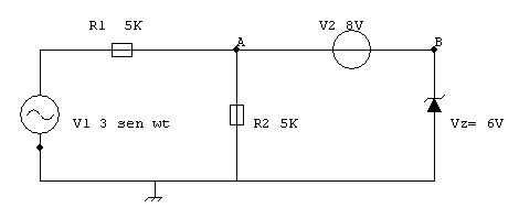
In questo esercizio mi viene chiesto di determinare per quali valori di V1 il diodo D1 si trova nelle tre regioni di funzionamento.
In interdizione è corretto mettere VR2= V2?
Zener
Moderatori:
carloc,
g.schgor,
BrunoValente,
IsidoroKZ
2 messaggi
• Pagina 1 di 1
0
voti
[2] Re: Zener
VR2 e` la tensione su R2? In questo caso non e` vero, considera che il diodo in interdizione e` un circuito aperto.
Fai il disegno con fidocadj e posta il sorgente fra i tag "fcd" che ottieni schiacciando il pulsante "fcd" sopra la finestra in cui scrivi i messaggi.
Indica anche la polarita` di V2 e quale modello di zener usi (soglie? Soglie+resistenza?)
Fai il disegno con fidocadj e posta il sorgente fra i tag "fcd" che ottieni schiacciando il pulsante "fcd" sopra la finestra in cui scrivi i messaggi.
Indica anche la polarita` di V2 e quale modello di zener usi (soglie? Soglie+resistenza?)
Per usare proficuamente un simulatore, bisogna sapere molta più elettronica di lui
Plug it in - it works better!
Il 555 sta all'elettronica come Arduino all'informatica! (entrambi loro malgrado)
Se volete risposte rispondete a tutte le mie domande
Plug it in - it works better!
Il 555 sta all'elettronica come Arduino all'informatica! (entrambi loro malgrado)
Se volete risposte rispondete a tutte le mie domande
2 messaggi
• Pagina 1 di 1
Chi c’è in linea
Visitano il forum: Nessuno e 63 ospiti

Elettrotecnica e non solo (admin)
Un gatto tra gli elettroni (IsidoroKZ)
Esperienza e simulazioni (g.schgor)
Moleskine di un idraulico (RenzoDF)
Il Blog di ElectroYou (webmaster)
Idee microcontrollate (TardoFreak)
PICcoli grandi PICMicro (Paolino)
Il blog elettrico di carloc (carloc)
DirtEYblooog (dirtydeeds)
Di tutto... un po' (jordan20)
AK47 (lillo)
Esperienze elettroniche (marco438)
Telecomunicazioni musicali (clavicordo)
Automazione ed Elettronica (gustavo)
Direttive per la sicurezza (ErnestoCappelletti)
EYnfo dall'Alaska (mir)
Apriamo il quadro! (attilio)
H7-25 (asdf)
Passione Elettrica (massimob)
Elettroni a spasso (guidob)
Bloguerra (guerra)

