Metodo delle correnti di maglia
Moderatori:
g.schgor,
IsidoroKZ
9 messaggi
• Pagina 1 di 1
0
voti
Ciao a tutti, devo risolvere questo circuito con il metodo delle correnti di maglia e in particolare con il minor numero di equazioni. Dunque, so di poter aprire i lati chiusi da generatori di corrente e creare dei percorsi ausiliari per le correnti. Questa cosa si può fare solo se in quel lato è presente solo il generatore di corrente e niente più? Ad esempio, qui posso aprire i lati con i generatori kI1 e J3, ma se nel lato di J3 o KI1 fosse stata presente ad esempio una resistenza, questa cosa di aprire i lati non posso farla. Giusto?
0
voti
Da quale libro stai studiando?
Inizia a svolgere l'esercizio per capire cosa hai mente.
Ti riferisci al metodo che prevede l'aggiunta delle sorgenti di corrente in parallelo ai lati di maglia?
Pensa te, io non lo sapevo.
Io so che non si puo' aprire un generatore di corrente. Almeno cosi' sembrano indicare le caratteristiche della sorgente ideale di corrente e del bipolo circuito aperto. Devo rifletterci su
I disegni in FidoCadJ (utilizzando i simboli corretti per ciascun bipolo) e le formule in
.
Inizia a svolgere l'esercizio per capire cosa hai mente.
Ti riferisci al metodo che prevede l'aggiunta delle sorgenti di corrente in parallelo ai lati di maglia?
anto123 ha scritto:so di poter aprire i lati chiusi da generatori di corrente
Pensa te, io non lo sapevo.
Io so che non si puo' aprire un generatore di corrente. Almeno cosi' sembrano indicare le caratteristiche della sorgente ideale di corrente e del bipolo circuito aperto. Devo rifletterci su

I disegni in FidoCadJ (utilizzando i simboli corretti per ciascun bipolo) e le formule in
.Il Conte di Montecristo
Se non studio un giorno, me ne accorgo io. Se non studio due giorni, se ne accorge il pubblico.
Io devo studiare sodo e preparare me stesso perché prima o poi verrà il mio momento.
Abraham Lincoln
Se non studio un giorno, me ne accorgo io. Se non studio due giorni, se ne accorge il pubblico.
Io devo studiare sodo e preparare me stesso perché prima o poi verrà il mio momento.
Abraham Lincoln
-

EdmondDantes
11,9k 8 11 13 - Disattivato su sua richiesta
- Messaggi: 3619
- Iscritto il: 25 lug 2009, 22:18
- Località: Marsiglia
0
voti
C'è la possibilità di poter creare per le correnti dei generatori dei percorsi ausiliari (così li ha chiamati il mio prof) e quindi si può non considerare quel lato. In questo modo si scrivono meno equazioni risolventi
0
voti
Da quale libro stai studiando?
Adesso dovresti leggerlo meglio rispetto a prima.
Penso di aver capito. È il metodo che prevede di utilizzare un diverso sistema di maglie indipendenti.
Ora però è tardi.
Avrai sicuramente degli esempi svolti. Riportane uno qui utilizzando FidoCadJ e
Adesso dovresti leggerlo meglio rispetto a prima.
Penso di aver capito. È il metodo che prevede di utilizzare un diverso sistema di maglie indipendenti.
Ora però è tardi.
Avrai sicuramente degli esempi svolti. Riportane uno qui utilizzando FidoCadJ e

Il Conte di Montecristo
Se non studio un giorno, me ne accorgo io. Se non studio due giorni, se ne accorge il pubblico.
Io devo studiare sodo e preparare me stesso perché prima o poi verrà il mio momento.
Abraham Lincoln
Se non studio un giorno, me ne accorgo io. Se non studio due giorni, se ne accorge il pubblico.
Io devo studiare sodo e preparare me stesso perché prima o poi verrà il mio momento.
Abraham Lincoln
-

EdmondDantes
11,9k 8 11 13 - Disattivato su sua richiesta
- Messaggi: 3619
- Iscritto il: 25 lug 2009, 22:18
- Località: Marsiglia
0
voti
anto123 ha scritto:C'è la possibilità di poter creare per le correnti dei generatori dei percorsi ausiliari (così li ha chiamati il mio prof) e quindi si può non considerare quel lato.
Fondamenti di teoria dei circuiti. Desoer, Kuh ha scritto:"Per evitare di prendere in considerazione separatamente dagli altri lati, i lati composti solo di generatori, è utile introdurre due trasformazioni di rete che permettono di allocare, in una nuova posizione della rete, i generatori senza alterare il problema originale. queste trasformazioni possono essere usate sia per generatori indipendenti sia per generatori pilotati"
non necessariamente si scrivono meno equazionianto123 ha scritto:In questo modo si scrivono meno equazioni risolventi
-

lacoontfreed
140 1 1 3 - Frequentatore

- Messaggi: 100
- Iscritto il: 3 nov 2019, 8:20
0
voti
Sono secoli (anzi millenni) che non studio ed ho paura di dire qualche cavolata.
Se un generatore di corrente ha direttamente in serie qualcosa, quel qualcosa si può trascurare agli effetti della risoluzione del sistema.
Se in un ramo è presente un generatore di corrente, non converrebbe scegliere le maglie in modo che quel ramo appartenga ad una sola maglia? In tal modo una corrente di maglia sarebbe già nota.
Se un generatore di corrente ha direttamente in serie qualcosa, quel qualcosa si può trascurare agli effetti della risoluzione del sistema.
Se in un ramo è presente un generatore di corrente, non converrebbe scegliere le maglie in modo che quel ramo appartenga ad una sola maglia? In tal modo una corrente di maglia sarebbe già nota.
0
voti
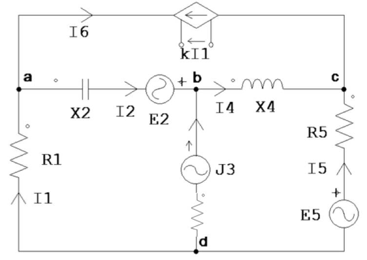
Ad esempio immaginiamo di avere una situazione di questo tipo, come devo ragionare? Il generatore di corrente controllato non mi preoccupa. Se avessi avuto nel ramo centrale solo un generatore di corrente, sarebbe stato semplice, ma in questo caso ho anche un resistore. Credo di dover considerare un super anello, ma non so come impostare lo svolgimento. Alla fine credo sia necessaria una sola LKT... Potete aiutarmi ad impostarlo?
1
voti
anto123 ha scritto:Ad esempio immaginiamo di avere una situazione di questo tipo, come devo ragionare? Il generatore di corrente controllato non mi preoccupa. Se avessi avuto nel ramo centrale solo un generatore di corrente, sarebbe stato semplice, ma in questo caso ho anche un resistore. ...
Ti ricordo che la serie di un resistore con un GIC equivale (per la restante parte della rete) al solo GIC.
anto123 ha scritto: Credo di dover considerare un super anello, ma non so come impostare lo svolgimento. Alla fine credo sia necessaria una sola LKT... Potete aiutarmi ad impostarlo?
Esatto, scegliendo come superanello quello formato dai due anelli inferiori, con corrente di maglia pari a I1, l'anello superiore con corrente di maglia kI1 e l'anello inferiore destro con corrente di maglia J3, potrai scrivere un'unica KVL

"Il circuito ha sempre ragione" (Luigi Malesani)
9 messaggi
• Pagina 1 di 1
Torna a Elettrotecnica generale
Chi c’è in linea
Visitano il forum: Nessuno e 25 ospiti

Elettrotecnica e non solo (admin)
Un gatto tra gli elettroni (IsidoroKZ)
Esperienza e simulazioni (g.schgor)
Moleskine di un idraulico (RenzoDF)
Il Blog di ElectroYou (webmaster)
Idee microcontrollate (TardoFreak)
PICcoli grandi PICMicro (Paolino)
Il blog elettrico di carloc (carloc)
DirtEYblooog (dirtydeeds)
Di tutto... un po' (jordan20)
AK47 (lillo)
Esperienze elettroniche (marco438)
Telecomunicazioni musicali (clavicordo)
Automazione ed Elettronica (gustavo)
Direttive per la sicurezza (ErnestoCappelletti)
EYnfo dall'Alaska (mir)
Apriamo il quadro! (attilio)
H7-25 (asdf)
Passione Elettrica (massimob)
Elettroni a spasso (guidob)
Bloguerra (guerra)





